Motherboard
A PCB with multilayer print with many huge and computer circuit to control many components like CPU, RAM, ROM, Hard disk etc.Actually, motherboard creates communication between different attached devices like Monitor Keyboard, Mouse, Printer.
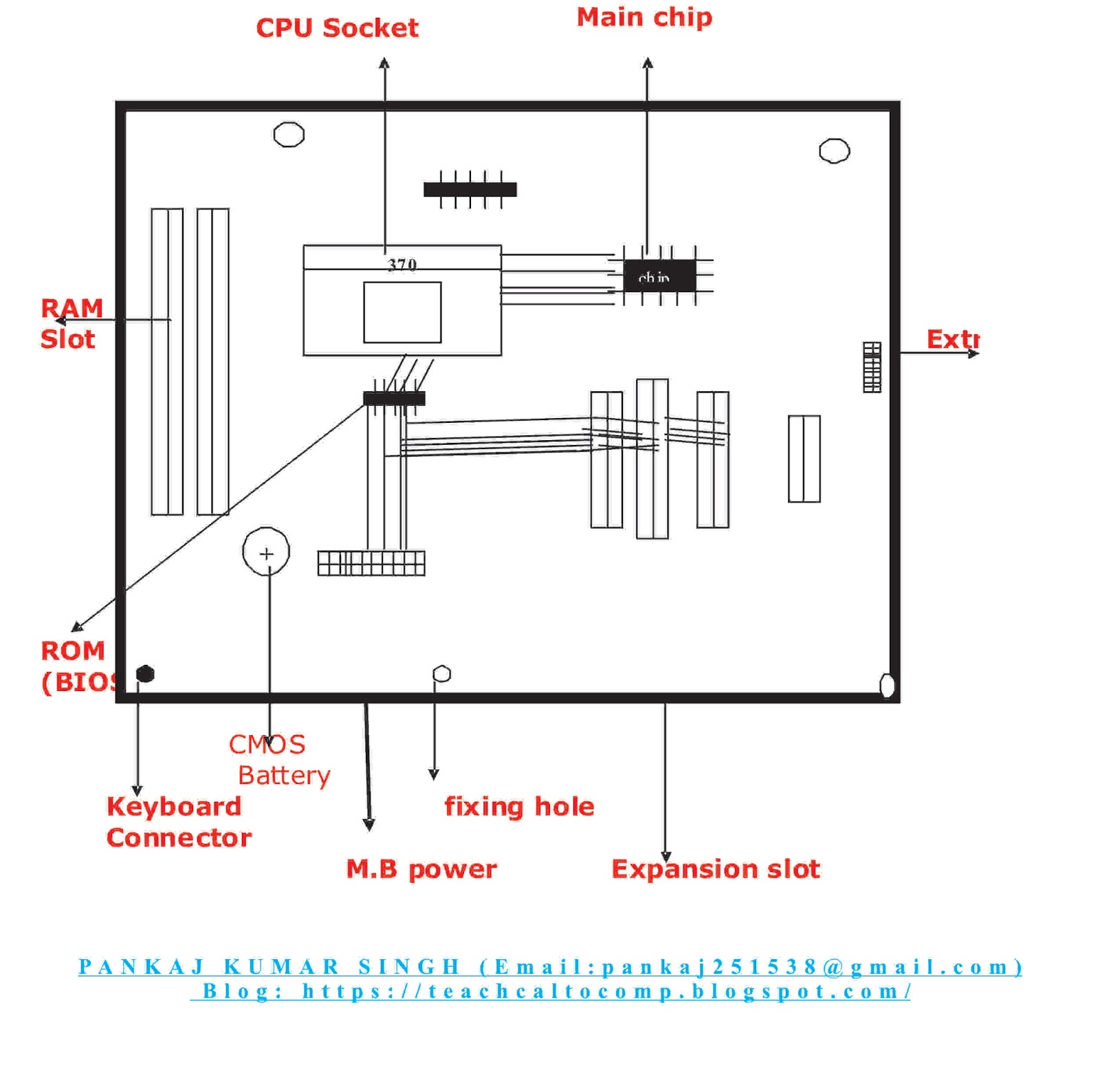
A motherboard is one amongst the foremost essential components of an ADPS. It holds along several of the crucial parts of a pc, together with the central process unit (CPU), memory and connectors for input and output devices.
How will the motherboard add a computer?
A motherboard permits all the components of your pc to receive power and communicate with each other. Motherboards have come back an extended approach within the last twenty years. … the primary IBM laptop motherboard had solely a processor and card slots. Users obstructed parts like floppy drive controllers and memory into the slots
A rechargeable battery to maintain ROM instruction and Date Time.
Sockets (or slots) during which one or a lot of microprocessors is also put in. within the case of CPUs in ball grid array packages, like the VIA C3, the electronic equipment is directly soldered to the motherboard.
Slots into that the system’s main memory is to be put in (typically within the sort of DIMM modules containing DRAM chips)
chipset CPU’s front-side bus, main memory, and peripheral buses
Non-volatile memory chips (usually Flash ROM in trendy motherboards) containing the system’s code or BIOS
Power connectors, that receive power from the pc power provide and distribute it to the electronic equipment, chipset, main memory, and growth cards. As of 2007, some graphics cards (e.g. GeForce eight and Radeon R600) need a lot of power than the motherboard will offer, and so dedicated connectors are introduced to connect them on to the facility provide.[4]
![]()



buy atorvastatin 20mg for sale order atorvastatin 80mg sale lipitor order
baycip for sale online – order keflex pill amoxiclav over the counter
baycip buy online – buy generic cephalexin 250mg clavulanate tablet
oral metronidazole – buy azithromycin pill buy azithromycin online
buy ciprofloxacin cheap – buy chloromycetin pills erythromycin 250mg without prescription
purchase valacyclovir for sale – where to buy vermox without a prescription buy zovirax 800mg online
ivermectin for sale online – cefuroxime 500mg price order sumycin 250mg online cheap
order flagyl online cheap – oxytetracycline 250 mg for sale azithromycin 500mg pills
ampicillin order how to get amoxicillin without a prescription amoxicillin canada
furosemide tablet – minipress online order order generic capoten 25 mg
buy glucophage 500mg online cheap – buy cefadroxil 500mg generic order lincomycin 500mg generic
zidovudine 300 mg sale – metformin without prescription buy allopurinol online cheap
how to get clozapine without a prescription – order famotidine generic order famotidine 20mg without prescription
buy quetiapine no prescription – order seroquel generic eskalith online order
buy clomipramine 50mg pill – citalopram online buy brand doxepin 25mg
hydroxyzine for sale online – order buspirone 5mg pills buy generic endep over the counter
buy amoxicillin pill – oral cefadroxil 500mg cipro online order
buy clavulanate medication – buy generic linezolid 600 mg order ciprofloxacin generic
where to buy cleocin without a prescription – cleocin online oral chloramphenicol
buy zithromax pills for sale – order flagyl 200mg for sale ciplox 500 mg pill
buy ivermectin tablets – buy aczone gel buy cefaclor 500mg generic
brand ventolin 2mg – buy generic ventolin over the counter theo-24 Cr sale
desloratadine cheap – desloratadine 5mg cheap ventolin inhalator order online
medrol 8 mg pills – order loratadine purchase azelastine sprayer
buy generic glyburide over the counter – where can i buy forxiga order dapagliflozin for sale
cheap repaglinide 2mg – prandin 2mg over the counter buy generic empagliflozin over the counter
order glycomet 500mg generic – order precose generic acarbose 50mg ca
buy lamisil generic – order griseofulvin generic purchase grifulvin v
buy semaglutide without prescription – buy DDAVP for sale generic DDAVP
buy nizoral no prescription – buy mentax without prescription sporanox 100 mg uk
purchase aldactone pill – naltrexone brand naltrexone 50 mg for sale
order cyclobenzaprine 15mg without prescription – order cyclobenzaprine pills enalapril 10mg drug
ремонт айфонов в москве
мастер айфон москва
ремонт телефонов в москве
ближайший ремонт телефонов
сколько стоит диагностика телевизора
Профессиональный сервисный центр по ремонту сотовых телефонов, смартфонов и мобильных устройств.
Мы предлагаем: срочный ремонт телефонов рядом
Наши мастера оперативно устранят неисправности вашего устройства в сервисе или с выездом на дом!
Профессиональный сервисный центр по ремонту сотовых телефонов, смартфонов и мобильных устройств.
Мы предлагаем: ремонт телефонов москва
Наши мастера оперативно устранят неисправности вашего устройства в сервисе или с выездом на дом!
Профессиональный сервисный центр по ремонту ноутбуков, макбуков и другой компьютерной техники.
Мы предлагаем:ремонт ноутбуков macbook
Наши мастера оперативно устранят неисправности вашего устройства в сервисе или с выездом на дом!
Профессиональный сервисный центр по ремонту квадрокоптеров и радиоуправляемых дронов.
Мы предлагаем:ремонт квадрокоптеров в москве
Наши мастера оперативно устранят неисправности вашего устройства в сервисе или с выездом на дом!
Профессиональный сервисный центр по ремонту ноутбуков, imac и другой компьютерной техники.
Мы предлагаем:ремонт аймак в москве
Наши мастера оперативно устранят неисправности вашего устройства в сервисе или с выездом на дом!
Профессиональный сервисный центр по ремонту ноутбуков и компьютеров.дронов.
Мы предлагаем:ремонт ноутбуков в москве рядом
Наши мастера оперативно устранят неисправности вашего устройства в сервисе или с выездом на дом!
ремонт iphone москва
apple watch ремонт
Профессиональный сервисный центр по ремонту планетов в том числе Apple iPad.
Мы предлагаем: ремонт планшетов ipad в москве
Наши мастера оперативно устранят неисправности вашего устройства в сервисе или с выездом на дом!
Профессиональный сервисный центр по ремонту ноутбуков и компьютеров.дронов.
Мы предлагаем:адреса ремонта ноутбуков
Наши мастера оперативно устранят неисправности вашего устройства в сервисе или с выездом на дом!
Профессиональный сервисный центр по ремонту бытовой техники с выездом на дом.
Мы предлагаем:ремонт крупногабаритной техники в петрбурге
Наши мастера оперативно устранят неисправности вашего устройства в сервисе или с выездом на дом!
Профессиональный сервисный центр по ремонту радиоуправляемых устройства – квадрокоптеры, дроны, беспилостники в том числе Apple iPad.
Мы предлагаем: ремонт дронов
Наши мастера оперативно устранят неисправности вашего устройства в сервисе или с выездом на дом!
Если вы искали где отремонтировать сломаную технику, обратите внимание – сервис центр в петербурге
Если вы искали где отремонтировать сломаную технику, обратите внимание – ремонт цифровой техники москва
Если вы искали где отремонтировать сломаную технику, обратите внимание – ремонт бытовой техники
Если вы искали где отремонтировать сломаную технику, обратите внимание – ремонт техники в москве
Если вы искали где отремонтировать сломаную технику, обратите внимание – профи ремонт
Профессиональный сервисный центр по ремонту Apple iPhone в Москве.
Мы предлагаем: ремонт iphone на дому в москве
Наши мастера оперативно устранят неисправности вашего устройства в сервисе или с выездом на дом!
ремонт сотовых телефонов рядом
Профессиональный сервисный центр по ремонту источников бесперебойного питания.
Мы предлагаем: ремонт ибп цена
Наши мастера оперативно устранят неисправности вашего устройства в сервисе или с выездом на дом!
мастерские по ремонту телевизоров в москве
Если вы искали где отремонтировать сломаную технику, обратите внимание – сервисный центр в барнаул
Если вы искали где отремонтировать сломаную технику, обратите внимание – ремонт бытовой техники
Профессиональный сервисный центр по ремонту бытовой техники с выездом на дом.
Мы предлагаем:ремонт бытовой техники в екб
Наши мастера оперативно устранят неисправности вашего устройства в сервисе или с выездом на дом!
Профессиональный сервисный центр по ремонту варочных панелей и индукционных плит.
Мы предлагаем: сервис по ремонту варочных панелей
Наши мастера оперативно устранят неисправности вашего устройства в сервисе или с выездом на дом!
срочный ремонт фотоаппаратов
Если вы искали где отремонтировать сломаную технику, обратите внимание – выездной ремонт бытовой техники в челябинске
Профессиональный сервисный центр по ремонту фото техники от зеркальных до цифровых фотоаппаратов.
Мы предлагаем: замена матрицы в фотоаппарате
Наши мастера оперативно устранят неисправности вашего устройства в сервисе или с выездом на дом!
Если вы искали где отремонтировать сломаную технику, обратите внимание – ремонт техники в краснодаре
Профессиональный сервисный центр по ремонту планшетов в Москве.
Мы предлагаем: замена тачскрина на планшете цена
Наши мастера оперативно устранят неисправности вашего устройства в сервисе или с выездом на дом!
Профессиональный сервисный центр по ремонту бытовой техники с выездом на дом.
Мы предлагаем:ремонт крупногабаритной техники в новосибирске
Наши мастера оперативно устранят неисправности вашего устройства в сервисе или с выездом на дом!
Если вы искали где отремонтировать сломаную технику, обратите внимание – сервис центр в казани
Профессиональный сервисный центр по ремонту видео техники а именно видеокамер.
Мы предлагаем: мастер по ремонту видеокамер
Наши мастера оперативно устранят неисправности вашего устройства в сервисе или с выездом на дом!
Если вы искали где отремонтировать сломаную технику, обратите внимание – ремонт бытовой техники в красноярске
Профессиональный сервисный центр по ремонту бытовой техники с выездом на дом.
Мы предлагаем: сервисные центры в москве
Наши мастера оперативно устранят неисправности вашего устройства в сервисе или с выездом на дом!
Если вы искали где отремонтировать сломаную технику, обратите внимание – профи ремонт
Если вы искали где отремонтировать сломаную технику, обратите внимание – сервисный центр в новосибирске
Профессиональный сервисный центр по ремонту стиральных машин с выездом на дом по Москве.
Мы предлагаем: ремонт стиральных машин в москве прайс
Наши мастера оперативно устранят неисправности вашего устройства в сервисе или с выездом на дом!
Профессиональный сервисный центр по ремонту бытовой техники с выездом на дом.
Мы предлагаем: сервисные центры в казани
Наши мастера оперативно устранят неисправности вашего устройства в сервисе или с выездом на дом!
Если вы искали где отремонтировать сломаную технику, обратите внимание – ремонт бытовой техники
Профессиональный сервисный центр по ремонту бытовой техники с выездом на дом.
Мы предлагаем: сервис центры бытовой техники москва
Наши мастера оперативно устранят неисправности вашего устройства в сервисе или с выездом на дом!
Если вы искали где отремонтировать сломаную технику, обратите внимание – ремонт цифровой техники ростов на дону
Профессиональный сервисный центр по ремонту игровых консолей Sony Playstation, Xbox, PSP Vita с выездом на дом по Москве.
Мы предлагаем: сервис по ремонту игровых консолей
Наши мастера оперативно устранят неисправности вашего устройства в сервисе или с выездом на дом!
Профессиональный сервисный центр по ремонту компьютерных видеокарт по Москве.
Мы предлагаем: [url=remont-videokart-gar.ru]сервис по ремонту видеокарт[/url]
Наши мастера оперативно устранят неисправности вашего устройства в сервисе или с выездом на дом!
Профессиональный сервисный центр по ремонту фототехники в Москве.
Мы предлагаем: ремонт фотоаппаратов вспышек
Наши мастера оперативно устранят неисправности вашего устройства в сервисе или с выездом на дом!
Подробнее на сайте сервисного центра remont-vspyshek-realm.ru
Профессиональный сервисный центр по ремонту компьютероной техники в Москве.
Мы предлагаем: центр ремонта компьютеров
Наши мастера оперативно устранят неисправности вашего устройства в сервисе или с выездом на дом!
Профессиональный сервисный центр по ремонту компьютерных блоков питания в Москве.
Мы предлагаем: ремонт блоков питания corsair
Наши мастера оперативно устранят неисправности вашего устройства в сервисе или с выездом на дом!
Недавно нашёл отличный интернет-магазин, где можно приобрести раковины и ванны для ванной комнаты. Они предлагают огромный выбор сантехники и аксессуаров, подходящих под любой интерьер и бюджет. Ассортимент действительно впечатляет: различные модели раковин (накладные, встроенные, подвесные) и ванн (акриловые, чугунные, гидромассажные).
Особенно если вы ищете: раковина недорого, что мне было очень нужно. Цены адекватные, качество товаров на высоте. Плюс, они предлагают профессиональные консультации, быструю доставку и услуги по установке. В общем, если кто-то ищет качественную сантехнику по хорошим ценам, рекомендую обратить внимание на этот магазин.
Мой телефон перестал заряжаться, и я не знал, что делать. По совету друга обратился в этот сервисный центр. Мастера быстро нашли проблему и устранили её. Теперь мой телефон снова в строю! Рекомендую всем: сервис смартфонов в ростове.
ремонт бытовой техники в самаре
<a href=”https://remont-kondicionerov-wik.ru”>сколько стоит ремонт кондиционера</a>
Профессиональный сервисный центр по ремонту компьютероной техники в Москве.
Мы предлагаем: ремонт системного блока
Наши мастера оперативно устранят неисправности вашего устройства в сервисе или с выездом на дом!
Профессиональный сервисный центр по ремонту фото техники от зеркальных до цифровых фотоаппаратов.
Мы предлагаем: ремонт балласта проектора
Наши мастера оперативно устранят неисправности вашего устройства в сервисе или с выездом на дом!
Профессиональный сервисный центр по ремонту камер видео наблюдения по Москве.
Мы предлагаем: сервисные центры ремонту камер в москве
Наши мастера оперативно устранят неисправности вашего устройства в сервисе или с выездом на дом!
Профессиональный сервисный центр по ремонту бытовой техники с выездом на дом.
Мы предлагаем: сервисные центры в нижнем новгороде
Наши мастера оперативно устранят неисправности вашего устройства в сервисе или с выездом на дом!
Профессиональный сервисный центр по ремонту бытовой техники с выездом на дом.
Мы предлагаем: сервисные центры в перми
Наши мастера оперативно устранят неисправности вашего устройства в сервисе или с выездом на дом!
Если вы искали где отремонтировать сломаную технику, обратите внимание – [url=https://tyumen.profi-teh-remont.ru]ремонт бытовой техники в тюмени[/url]
Если вы искали где отремонтировать сломаную технику, обратите внимание – профи ремонт
Профессиональный сервисный центр по ремонту бытовой техники с выездом на дом.
Мы предлагаем: сервисные центры по ремонту техники в красноярске
Наши мастера оперативно устранят неисправности вашего устройства в сервисе или с выездом на дом!
Профессиональный сервисный центр по ремонту парогенераторов в Москве.
Мы предлагаем: ремонт парогенераторов в москве
Наши мастера оперативно устранят неисправности вашего устройства в сервисе или с выездом на дом!
Если вы искали где отремонтировать сломаную технику, обратите внимание – тех профи
[url=https://remont-kondicionerov-wik.ru]ремонт кондиционеров москва[/url]
Профессиональный сервисный центр по ремонту бытовой техники с выездом на дом.
Мы предлагаем:ремонт крупногабаритной техники в ростове на дону
Наши мастера оперативно устранят неисправности вашего устройства в сервисе или с выездом на дом!
Сервисный центр предлагает выездной ремонт планшетов blackview ремонт планшета blackview рядом
сервисный центре предлагает ремонт телевизора – ремонт телевизора на дому в москве недорого
Профессиональный сервисный центр по ремонту компьютеров и ноутбуков в Москве.
Мы предлагаем: ремонт macbook pro москва
Наши мастера оперативно устранят неисправности вашего устройства в сервисе или с выездом на дом!
Если вы искали где отремонтировать сломаную технику, обратите внимание – сервисный центр в воронеже
Профессиональный сервисный центр по ремонту кондиционеров в Москве.
Мы предлагаем: ремонт кондиционеров в москве
Наши мастера оперативно устранят неисправности вашего устройства в сервисе или с выездом на дом!
Профессиональный сервисный центр по ремонту моноблоков в Москве.
Мы предлагаем: замена экрана моноблока цена
Наши мастера оперативно устранят неисправности вашего устройства в сервисе или с выездом на дом!
Профессиональный сервисный центр по ремонту гироскутеров в Москве.
Мы предлагаем: сервисный центр гироскутеров в москве
Наши мастера оперативно устранят неисправности вашего устройства в сервисе или с выездом на дом!
Профессиональный сервисный центр по ремонту бытовой техники с выездом на дом.
Мы предлагаем: сервисные центры в тюмени
Наши мастера оперативно устранят неисправности вашего устройства в сервисе или с выездом на дом!
Профессиональный сервисный центр по ремонту планшетов в том числе Apple iPad.
Мы предлагаем: ремонт планшетов ipad в москве
Наши мастера оперативно устранят неисправности вашего устройства в сервисе или с выездом на дом!
Профессиональный сервисный центр по ремонту посудомоечных машин с выездом на дом в Москве.
Мы предлагаем: ремонт посудомоечных машин телефоны
Наши мастера оперативно устранят неисправности вашего устройства в сервисе или с выездом на дом!
Профессиональный сервисный центр по ремонту МФУ в Москве.
Мы предлагаем: сервис мфу в москве
Наши мастера оперативно устранят неисправности вашего устройства в сервисе или с выездом на дом!
Профессиональный сервисный центр по ремонту принтеров в Москве.
Мы предлагаем: ремонт принтера на дому
Наши мастера оперативно устранят неисправности вашего устройства в сервисе или с выездом на дом!
Профессиональный сервисный центр по ремонту плоттеров в Москве.
Мы предлагаем: ремонт плоттеров в москве
Наши мастера оперативно устранят неисправности вашего устройства в сервисе или с выездом на дом!
Сервисный центр предлагает выездной ремонт гироскутеров xiaomi ремонт гироскутера xiaomi адреса
Профессиональный сервисный центр по ремонту серверов в Москве.
Мы предлагаем: сервис по ремонту серверов
Наши мастера оперативно устранят неисправности вашего устройства в сервисе или с выездом на дом!
Профессиональный сервисный центр по ремонту бытовой техники с выездом на дом.
Мы предлагаем:ремонт крупногабаритной техники в уфе
Наши мастера оперативно устранят неисправности вашего устройства в сервисе или с выездом на дом!
Профессиональный сервисный центр по ремонту объективов в Москве.
Мы предлагаем: ремонт объектив фотоаппарат
Наши мастера оперативно устранят неисправности вашего устройства в сервисе или с выездом на дом!
Профессиональный сервисный центр по ремонту сигвеев в Москве.
Мы предлагаем: срочный ремонт сигвея
Наши мастера оперативно устранят неисправности вашего устройства в сервисе или с выездом на дом!
Профессиональный сервисный центр по ремонту сетевых хранилищ в Москве.
Мы предлагаем: сервис по ремонту сетевых хранилищ
Наши мастера оперативно устранят неисправности вашего устройства в сервисе или с выездом на дом!
В магазине сейфов предлагают сейф москва сейф цена москва
В магазине сейфов предлагают сейф 2 класса купить сейф 2 класс в москве
Профессиональный сервисный центр сервис ремонт телефонов где можно починить телефон
Профессиональный сервисный центр по ремонту бытовой техники с выездом на дом.
Мы предлагаем: ремонт бытовой техники в волгограде
Наши мастера оперативно устранят неисправности вашего устройства в сервисе или с выездом на дом!
Профессиональный сервисный центр по ремонту планшетов в Москве.
Мы предлагаем: ремонт стекла планшета
Наши мастера оперативно устранят неисправности вашего устройства в сервисе или с выездом на дом!
Тут делают продвижение seo медицинских сайтов seo медицина
Тут делают продвижение создание медицинского сайта разработка сайт медицинской клиники
В магазине сейфов предлагают сейфы взломостойкие взломостойкие сейфы цена
Тут делают продвижение сео продвижение медицинских сайтов сео продвижение медицинских сайтов
Тут делают продвижение разработка сайта медицинской клиники разработка сайта клиники
Тут делают продвижение создание сайта клиники создание медицинских сайтов под ключ
Профессиональный сервисный центр по ремонту бытовой техники с выездом на дом.
Мы предлагаем: сервис центры бытовой техники воронеж
Наши мастера оперативно устранят неисправности вашего устройства в сервисе или с выездом на дом!
Профессиональный сервисный центр ремонт телефон ремонт смартфонов рядом
Профессиональный сервисный центр по ремонту электросамокатов в Москве.
Мы предлагаем: ремонт электросамоката
Наши мастера оперативно устранят неисправности вашего устройства в сервисе или с выездом на дом!
Профессиональный сервисный центр по ремонту моноблоков iMac в Москве.
Мы предлагаем: надежный сервис ремонта imac
Наши мастера оперативно устранят неисправности вашего устройства в сервисе или с выездом на дом!
магазин сейфов предлагает сейфы 3 класс взломостойкости сейф взломостойкий 3 класс
Тут делают продвижение создание сайта медицинского центра разработка сайтов медицинских центров
Профессиональный сервисный центр по ремонту автомагнитол в Москве.
Мы предлагаем: ремонт автомагнитол
Наши мастера оперативно устранят неисправности вашего устройства в сервисе или с выездом на дом!
Тут делают продвижение комплексное продвижение медицинских сайтов сео медицина
Профессиональный сервисный центр мастерская по ремонту телефонов срочный ремонт телефона
Профессиональный сервисный центр по ремонту сотовых телефонов в Москве.
Мы предлагаем: где ремонтируют телефоны
Наши мастера оперативно устранят неисправности вашего устройства в сервисе или с выездом на дом!
Сервисный центр предлагает отремонтировать кофемашины krups ремонт кофемашины krups адреса
Начните массовую индексацию ссылок в Google прямо cейчас!
Быстрая индексация ссылок имеет ключевое значение для успеха вашего онлайн-бизнеса. Чем быстрее поисковые системы обнаружат и проиндексируют ваши ссылки, тем быстрее вы сможете привлечь новую аудиторию и повысить позиции вашего сайта в результатах поиска.
Не теряйте времени! Начните пользоваться нашим сервисом для ускоренной индексации внешних ссылок в Google и Yandex. Зарегистрируйтесь сегодня и получите первые результаты уже завтра. Ваш успех в ваших руках!
Профессиональный сервисный центр по ремонту бытовой техники с выездом на дом.
Мы предлагаем: сервисные центры по ремонту техники в челябинске
Наши мастера оперативно устранят неисправности вашего устройства в сервисе или с выездом на дом!
Профессиональный сервисный центр по ремонту бытовой техники с выездом на дом.
Мы предлагаем: сервисные центры в барнауле
Наши мастера оперативно устранят неисправности вашего устройства в сервисе или с выездом на дом!
Профессиональный сервисный центр по ремонту сотовых телефонов в Москве.
Мы предлагаем: сколько стоит ремонт ноутбука после залития
Наши мастера оперативно устранят неисправности вашего устройства в сервисе или с выездом на дом!
Профессиональный сервисный центр ремонт сотовых телефонов ремонт телефонов недорого
Профессиональный сервисный центр по ремонту духовых шкафов в Москве.
Мы предлагаем: срочный ремонт духового шкафа
Наши мастера оперативно устранят неисправности вашего устройства в сервисе или с выездом на дом!
Полезный сервис быстрого загона ссылок сайта в индексация поисковой системы – индексация в гугл
Сервисный центр предлагает ремонт компьютеров irbis адреса ремонт компьютеров irbis
Полезная информация на сайте. Все что вы хоте знать об интернете полезный сервис
Профессиональный сервисный центр по ремонту бытовой техники с выездом на дом.
Мы предлагаем: сервисные центры в перми
Наши мастера оперативно устранят неисправности вашего устройства в сервисе или с выездом на дом!
Профессиональный сервисный центр по ремонту моноблоков iMac в Москве.
Мы предлагаем: ремонт аймаков в москве
Наши мастера оперативно устранят неисправности вашего устройства в сервисе или с выездом на дом!
Профессиональный сервисный центр по ремонту сотовых телефонов в Москве.
Мы предлагаем: ноутбук стоит ремонта
Наши мастера оперативно устранят неисправности вашего устройства в сервисе или с выездом на дом!
Если у вас сломался телефон, советую этот сервисный центр. Я сам там чинил свой смартфон и остался очень доволен. Отличное обслуживание и разумные цены. Подробнее можно узнать здесь: телефонная мастерская.
Если вы искали где отремонтировать сломаную технику, обратите внимание – выездной ремонт бытовой техники в екатеринбурге
Сервисный центр предлагает ремонт гироскутеров ruswheel на дому центр ремонта гироскутера ruswheel
ремонт мобильных
Профессиональный сервисный центр по ремонту Apple iPhone в Москве.
Мы предлагаем: ремонт айфона с выездом мастера в москве
Наши мастера оперативно устранят неисправности вашего устройства в сервисе или с выездом на дом!
Сервисный центр предлагает ремонт toshiba satellite pro r850 цены ремонт toshiba satellite pro r850 цены
Сервисный центр предлагает отремонтировать квадрокоптера sjrc ремонт квадрокоптеров sjrc недорого
Сервисный центр предлагает замена тачскрина oneplus 6t замена тачскрина oneplus 6t
Тут можно преобрести магазин сейфы для оружия купить сейф с доставкой в москве
Тут можно преобрести шкаф для оружия цена оружейные сейфы
Тут можно преобрести сейф купить оружейный оружейный шкаф купить в москве
Тут можно преобрести оружейный сейф москва оружейный сейф купить в москве
Тут можно преобрести сейф для оружие оружейные сейфы купить в москве
Тут можно преобрести оружейный сейф оружейные сейфы москва
Тут можно преобрести сейф оружейный доставка купить шкаф оружейный
Тут можно преобрести сейф для карабина оружейный сейф для ружья
Тут можно преобрести купить сейф для ружья в москве сейф для хранения оружия
Собственное производство металлоконструкций. Если вас интересует навес из поликарбоната спб мы предлогаем изготовление под ключ заказать навес для одной машины
Тут можно преобрести взломостойкие сейфы купить сейфы взломостойкие класса
Тут можно купить сейфсейфы купить
Тут можно преобрести шкафы для оружия сейф для охотничьего ружья купить в москве
Тут можно преобрести сейфы для оружия пистолетные купить оружейный сейф цена
Здесь можно купить сейф интернете сейф цена москва
Как выбрать платформу, которая не подведет, не обманет и принесет максимум прибыли? Мы проанализировали десятки криптобирж, сравнили их комиссии, безопасность, удобство и поддержку пользователей, чтобы вы могли торговать с уверенностью.
Сколько вы уже потеряли из-за неправильного выбора биржи? Пора это исправить! Узнайте, какие платформы возглавляют рейтинг в 2025 году и почему именно они стали фаворитами миллионов трейдеров по всему миру. подробный рейтинг бирж криптовалют
Тут можно преобрести сейфы офисные взломостойкие вломостойкие сейфы
Собственное производство металлоконструкций. Если вас интересует навес для одной машины стоимость мы предлогаем изготовление под ключ навес арочный
Тут можно преобрести заказать сайт медицинской клиники заказать создание медицинского сайта
Тут можно преобрести услуги по созданию сайта научного медицинского медицинского журнала разработка сайта больницы
Тут можно преобрести сайт для клиники создание сайта для медицинского учреждения
Тут можно преобрести купить сейф для ружья москва купить сейф для ружья москва
Тут можно преобрести взломостойкий сейф для дома взломостойкий сейф
Тут можно преобрести купить сейф взломостойкий взломостойкие сейфы
pdacenter.ru – сервис по ремонту бытовой техники
Ремонт плоттеров в Чебоксарах в официальном сервисном центре PDACENTER.
Наши инженеры выполняют ремонт любой сложности по дотупным ценам!
Профессиональный сервисный центр по ремонту Apple iPhone в Москве.
Мы предлагаем: ремонт айфона на дому в москве
Наши мастера оперативно устранят неисправности вашего устройства в сервисе или с выездом на дом!
Профессиональный сервисный центр по ремонту бытовой техники с выездом на дом.
Мы предлагаем: сервисные центры в москве
Наши мастера оперативно устранят неисправности вашего устройства в сервисе или с выездом на дом!
Профессиональный сервисный центр по ремонту бытовой техники с выездом на дом.
Мы предлагаем: ремонт бытовой техники в мск
Наши мастера оперативно устранят неисправности вашего устройства в сервисе или с выездом на дом!
Профессиональный сервисный центр по ремонту бытовой техники с выездом на дом.
Мы предлагаем: сервисные центры по ремонту техники в мск
Наши мастера оперативно устранят неисправности вашего устройства в сервисе или с выездом на дом!
Профессиональный сервисный центр по ремонту бытовой техники с выездом на дом.
Мы предлагаем: ремонт крупногабаритной техники в москве
Наши мастера оперативно устранят неисправности вашего устройства в сервисе или с выездом на дом!
Профессиональный сервисный центр по ремонту бытовой техники с выездом на дом.
Мы предлагаем: сервисные центры по ремонту техники в мск
Наши мастера оперативно устранят неисправности вашего устройства в сервисе или с выездом на дом!
Профессиональный сервисный центр по ремонту бытовой техники с выездом на дом.
Мы предлагаем: ремонт крупногабаритной техники в москве
Наши мастера оперативно устранят неисправности вашего устройства в сервисе или с выездом на дом!
Профессиональный сервисный центр по ремонту бытовой техники с выездом на дом.
Мы предлагаем: ремонт крупногабаритной техники в москве
Наши мастера оперативно устранят неисправности вашего устройства в сервисе или с выездом на дом!
Профессиональный сервисный центр по ремонту бытовой техники с выездом на дом.
Мы предлагаем: сервис центры бытовой техники москва
Наши мастера оперативно устранят неисправности вашего устройства в сервисе или с выездом на дом!
Профессиональный сервисный центр по ремонту бытовой техники с выездом на дом.
Мы предлагаем: сервисные центры в москве
Наши мастера оперативно устранят неисправности вашего устройства в сервисе или с выездом на дом!
Профессиональный сервисный центр по ремонту бытовой техники с выездом на дом.
Мы предлагаем: сервисные центры по ремонту техники в мск
Наши мастера оперативно устранят неисправности вашего устройства в сервисе или с выездом на дом!
Профессиональный сервисный центр по ремонту бытовой техники с выездом на дом.
Мы предлагаем: сервисные центры в москве
Наши мастера оперативно устранят неисправности вашего устройства в сервисе или с выездом на дом!
Профессиональный сервисный центр по ремонту бытовой техники с выездом на дом.
Мы предлагаем: сервисные центры по ремонту техники в мск
Наши мастера оперативно устранят неисправности вашего устройства в сервисе или с выездом на дом!
Профессиональный сервисный центр по ремонту бытовой техники с выездом на дом.
Мы предлагаем: ремонт крупногабаритной техники в москве
Наши мастера оперативно устранят неисправности вашего устройства в сервисе или с выездом на дом!
Профессиональный сервисный центр по ремонту бытовой техники с выездом на дом.
Мы предлагаем: ремонт крупногабаритной техники в москве
Наши мастера оперативно устранят неисправности вашего устройства в сервисе или с выездом на дом!
Профессиональный сервисный центр по ремонту бытовой техники с выездом на дом.
Мы предлагаем: сервис центры бытовой техники москва
Наши мастера оперативно устранят неисправности вашего устройства в сервисе или с выездом на дом!
Профессиональный сервисный центр по ремонту бытовой техники с выездом на дом.
Мы предлагаем: сервис центры бытовой техники москва
Наши мастера оперативно устранят неисправности вашего устройства в сервисе или с выездом на дом!
Профессиональный сервисный центр по ремонту бытовой техники с выездом на дом.
Мы предлагаем: сервисные центры по ремонту техники в мск
Наши мастера оперативно устранят неисправности вашего устройства в сервисе или с выездом на дом!
Профессиональный сервисный центр по ремонту бытовой техники с выездом на дом.
Мы предлагаем: сервисные центры по ремонту техники в мск
Наши мастера оперативно устранят неисправности вашего устройства в сервисе или с выездом на дом!
Профессиональный сервисный центр по ремонту бытовой техники с выездом на дом.
Мы предлагаем: ремонт крупногабаритной техники в москве
Наши мастера оперативно устранят неисправности вашего устройства в сервисе или с выездом на дом!
Профессиональный сервисный центр по ремонту бытовой техники с выездом на дом.
Мы предлагаем: сервисные центры в москве
Наши мастера оперативно устранят неисправности вашего устройства в сервисе или с выездом на дом!
Профессиональный сервисный центр по ремонту бытовой техники с выездом на дом.
Мы предлагаем: сервис центры бытовой техники москва
Наши мастера оперативно устранят неисправности вашего устройства в сервисе или с выездом на дом!
Профессиональный сервисный центр по ремонту бытовой техники с выездом на дом.
Мы предлагаем: ремонт крупногабаритной техники в москве
Наши мастера оперативно устранят неисправности вашего устройства в сервисе или с выездом на дом!
Профессиональный сервисный центр по ремонту бытовой техники с выездом на дом.
Мы предлагаем: ремонт бытовой техники в мск
Наши мастера оперативно устранят неисправности вашего устройства в сервисе или с выездом на дом!
Профессиональный сервисный центр по ремонту бытовой техники с выездом на дом.
Мы предлагаем: сервисные центры в москве
Наши мастера оперативно устранят неисправности вашего устройства в сервисе или с выездом на дом!
Профессиональный сервисный центр по ремонту бытовой техники с выездом на дом.
Мы предлагаем: ремонт крупногабаритной техники в москве
Наши мастера оперативно устранят неисправности вашего устройства в сервисе или с выездом на дом!
Профессиональный сервисный центр по ремонту бытовой техники с выездом на дом.
Мы предлагаем: сервис центры бытовой техники москва
Наши мастера оперативно устранят неисправности вашего устройства в сервисе или с выездом на дом!
Профессиональный сервисный центр по ремонту бытовой техники с выездом на дом.
Мы предлагаем: ремонт бытовой техники в мск
Наши мастера оперативно устранят неисправности вашего устройства в сервисе или с выездом на дом!
Профессиональный сервисный центр по ремонту бытовой техники с выездом на дом.
Мы предлагаем: сервисные центры по ремонту техники в мск
Наши мастера оперативно устранят неисправности вашего устройства в сервисе или с выездом на дом!
Профессиональный сервисный центр по ремонту техники.
Мы предлагаем: Ремонт стиральных машин адреса
Наши мастера оперативно устранят неисправности вашего устройства в сервисе или с выездом на дом!
Профессиональный сервисный центр по ремонту бытовой техники с выездом на дом.
Мы предлагаем: сервисные центры в москве
Наши мастера оперативно устранят неисправности вашего устройства в сервисе или с выездом на дом!
Профессиональный сервисный центр по ремонту бытовой техники с выездом на дом.
Мы предлагаем: сервис центры бытовой техники москва
Наши мастера оперативно устранят неисправности вашего устройства в сервисе или с выездом на дом!
Профессиональный сервисный центр по ремонту бытовой техники с выездом на дом.
Мы предлагаем: сервисные центры в москве
Наши мастера оперативно устранят неисправности вашего устройства в сервисе или с выездом на дом!
Профессиональный сервисный центр по ремонту бытовой техники с выездом на дом.
Мы предлагаем: сервисные центры по ремонту техники в мск
Наши мастера оперативно устранят неисправности вашего устройства в сервисе или с выездом на дом!
Профессиональный сервисный центр по ремонту техники.
Мы предлагаем: Ремонт духовых шкафов цены
Наши мастера оперативно устранят неисправности вашего устройства в сервисе или с выездом на дом!
Your article helped me a lot, is there any more related content? Thanks! https://www.binance.com/hu/register?ref=FIHEGIZ8
Your point of view caught my eye and was very interesting. Thanks. I have a question for you.
I don’t think the title of your article matches the content lol. Just kidding, mainly because I had some doubts after reading the article.
Can you be more specific about the content of your article? After reading it, I still have some doubts. Hope you can help me.
I’ll definitely recommend this.
Ты готова изменить свое тело и настроение? Присоединяйся к каналу тренер для женщин, где ты найдешь персональные тренировки дома, питание без жестких диет и мотивацию каждый день. Начни свой путь к идеальной форме прямо сейчас!
This submission is valuable.
Thanks for putting this up. It’s brilliant work.
This is the kind of content I find helpful.
I’ll certainly be back for more.
I genuinely liked the manner this was laid out.
I’ll surely be back for more.
The thoroughness in this article is commendable.
You’ve undoubtedly spent time crafting this.
Such a valuable insight.
I particularly enjoyed the style this was explained.
This write-up is brilliant.
I’ll certainly be back for more.
Thanks for posting. It’s top quality.
I absolutely liked the approach this was laid out.
I took away a great deal from this.
Such a informative bit of content.
Can you be more specific about the content of your article? After reading it, I still have some doubts. Hope you can help me.
Your article helped me a lot, is there any more related content? Thanks! https://www.binance.info/en-IN/register?ref=UM6SMJM3
Thank you for your sharing. I am worried that I lack creative ideas. It is your article that makes me full of hope. Thank you. But, I have a question, can you help me?
Your point of view caught my eye and was very interesting. Thanks. I have a question for you.
Can you be more specific about the content of your article? After reading it, I still have some doubts. Hope you can help me. https://accounts.binance.info/kz/register?ref=K8NFKJBQ
Thank you for your sharing. I am worried that I lack creative ideas. It is your article that makes me full of hope. Thank you. But, I have a question, can you help me?
Your point of view caught my eye and was very interesting. Thanks. I have a question for you. https://www.binance.com/vi/register?ref=MFN0EVO1
I appreciate the time and effort you put into creating this content.
**mitolyn reviews**
Mitolyn is a carefully developed, plant-based formula created to help support metabolic efficiency and encourage healthy, lasting weight management.
Production company website https://orbispro.it
заклепка вытяжная исо заклепка вытяжная купить
Официальный доступ через kraken market darknet только по проверенным onion ссылкам
Your point of view caught my eye and was very interesting. Thanks. I have a question for you.
xn88 win không ngừng nỗ lực để hoàn thiện hệ sinh thái giải trí, hướng tới mục tiêu trở thành nền tảng cá cược số 1 trong lòng người hâm mộ. TONY02-03
дизайн окон в частном доме дизайн коттеджа под ключ
дизайн квартиры кв м дизайн 2 комнатных
полотенцесушитель боковые купить полотенцесушитель в ванную
шумоизоляция арок авто https://shumoizolyaciya-arok-avto-77.ru
[url=https://vyezdnoj-shinomontazh-77.ru]выездной шиномонтаж в москве круглосуточно[/url]
Check Digital Buying Experience – Interesting layout and smooth flow, ideal for learning and brainstorming.
Shop Velvet Vendor 2 – Found online via search, content feels genuine and clearly organized.
Vendor Velvet Finds – Navigation feels smooth, items are easy to spot, and descriptions seem genuine.
Venverra Center – Layout is modern, products are nicely displayed, and browsing is smooth.
Venvira Center – Feels tidy and professional at first glance, navigation is intuitive.
direct access portal – Smooth browsing combined with a clean and simple layout makes it easy.
verified store page – A solid mix of interesting products and a very user-friendly checkout.
online snack hub – The treats look great and the descriptions make choosing easy.
this retail site – I found exactly what was on my list during my visit.
tagandtrade.shop – Discovered some exclusive deals that are hard to find elsewhere.
official store page – Everything is structured clearly, making navigation effortless.
trusted coupon store – Getting promo codes feels fast and smooth.
Router Reef – The selection is excellent and the website performance is fast and smooth.
online candy hub – Everything is well presented and the treats look fantastic.
official online laptops – I was happy with the quick turnaround and smooth resolution.
securesparrow.shop – The website feels secure and completing my order was quick and easy.
premium storefront – I found the prices reasonable and competitive with other retailers.
explore the collection – I enjoyed the vibrant design and effortless page transitions.
this storefront – Checkout went quickly and I felt confident my payment was secure.
shopping destination – Helpful tips and timely updates improved my overall experience.
secure order link – Fun atmosphere and easy-to-use pages made my visit pleasant.
online billing hub – Everything is explained clearly, making the whole page pleasant to browse.
exclusive electronics portal – Smooth experience and solid product variety.
trusted product source – The order placement was quick and the dispatch alerts were very informative.
online retail gateway – It feels thoughtfully designed and easy to navigate.
visit Brass & Bloom – I was really impressed and can’t wait to return.
explore the lineup – I like how well the products are organized and checkout was completely stress-free.
trail gear collection – Quick shipping and everything arrived in perfect order.
shop delightful sweets – The products are arranged beautifully and feel well curated.
fashion street scarves – Scarves look stylish and feel great for daily outfits.
saddle and bridle shop – It’s reassuring to see fair rates alongside such a comprehensive selection.
smart shoppers choice – Everything was organized well and checkout was a breeze.
artisan kettle collection – Beautiful options available and the swift dispatch made me very pleased.
culinary innovation shop – Interesting kitchen finds that actually made meal prep simpler.
hard-to-find hobby gear – It’s refreshing to see products here that aren’t sold everywhere.
summer footwear destination – Sandals feel strong and the support team was helpful and professional.
high-tech display store – Great variety and all the specifications are thoroughly explained.
complete kitchen collection – The listings are informative and the variety is excellent.
tech tools outlet – I appreciated the variety of items and how well each product was described.
visual identity studio – Logos feel fresh, modern, and creatively executed.
green goods collection – The interface is intuitive and the earthy aesthetic is delightful.
money insights destination – The well-structured content gave me the direction I needed for smarter decisions.
elegant petals marketplace – Lovely arrangements and completing my purchase was fast and reliable.
essential beard care – My purchase came safely packed and exactly as presented online.
home style destination – Everything looks thoughtfully designed and made with lasting quality.
art & décor online – Stylish and original designs that perfectly suit my space.
oakandorigin.shop – The minimalist layout and premium items immediately catch the eye.
kitchen and dining marketplace – Products were delivered quickly and packaging was solid and secure.
Tech Pack Toolbox – The tools I found here are really practical and make projects simpler.
backcountry essentials store – Perfect for stocking up on tough equipment for rugged trips.
home decor marble shop – The products look exquisite and really went beyond what I expected.
premium petals store – Such vibrant selections and the entire buying experience felt seamless.
Plant Parlor – My plants arrived in perfect condition and are already thriving.
the Coffee Cabinet collection – Gear for brewing, grinding, and serving at great prices.
the cobalt collection store – Great assortment paired with a fast and simple checkout.
this coffee haven – Beans with rich aroma and smooth taste that elevated my mornings.
clovercove essentials – Gorgeous pieces that make my home look fresh and welcoming.
artisanworks – Quality and presentation were exceptional, items arrived flawlessly.
fitnessexpress – Gear is reliable and helps me maintain consistent home workouts.
Cyber Cottage Store – The technology selection is impressive, and browsing is seamless.
cablelinkhub – Items came safely packaged and work perfectly across all my electronics.
cocoacove essentials – Amazing cocoa and chocolate products that enhanced my drinks perfectly.
this art supply boutique – Excellent quality materials for every painting project I start.
this fashion-forward store – I loved how fast it shipped and how refined it looked.
printgalaxy – Prints were delivered quickly and the colors were bold and flawless.
perchandplay – Delightful bird items that bring joy and charm to home spaces.
this sparkling boutique – Gorgeous pieces with descriptions that make shopping simple.
creativegearplus – Tools came quickly and are high quality, perfect for both painting and crafting.
topspottools – Effective resources for climbing search rankings.
pantryplus – Printing essentials came quickly and made all tasks faster and easier.
Espresso Emporium HQ – Machines feel sturdy and every espresso cup tastes like it’s from a café.
sellerassistant – Tools improved my workflow and made listing updates simple.
the Pattern Pulse storefront – Creative patterns that made my recent project come together perfectly.
the brothers’ brew shop – Overall, it’s a solid mix of selection and affordability that I enjoy.
trademarket – Goods shipped promptly and arrived safely, with clear labeling and quality packaging.
Canvas Corner Store – High-quality supplies arrived quickly and inspired me to start a new piece.
cyberguardmirror – System protection improved immediately with dependable security utilities.
shopcascade – Orders were delivered on time and products were well-made.
my favorite blanket hub – Plush blankets that are perfect for chilly nights and relaxing.
my favorite blade shop – Each product is crafted well and designed to last.
dailyplannerpro – Elegant notebooks for planning and organizing your day.
vetvaultpro – Pet products arrived promptly and made daily care simple and reliable.
ivoryhomestyle – Décor pieces arrived securely packaged and enhanced the aesthetic of my home beautifully.
CloveCluster marketplace – It’s a breath of fresh air from the usual repetitive listings online.
freshbasilshop – Carefully packaged herbs that arrived ready to use in the kitchen.
the creator’s storefront – Provides practical tools and inspiration for anyone making new projects.
cypresscart – Checkout was easy and my order arrived surprisingly quickly.
freightfable shop – Fast delivery of packing supplies made shipping my items much simpler.
almonddelights – Fresh almond snacks arrived quickly and tasted amazing.
freshnutsharbor – Crunchy nuts arrived safely and added a perfect touch to my pastries.
the Speed Springs storefront – Fast shipping and high-quality items made my shopping experience seamless.
pureliving – High-quality allergy-friendly products that exceeded expectations.
this creative motif store – The designs here were spot-on for what I needed.
Cinnamon City Store – High-quality cinnamon sticks that made my baking smell incredible.
healthdock – Essential products arrived on time and supported my overall wellbeing.
this travel gear hub – Checking it out makes me imagine my next destination.
airpurearc pro – Purifiers remove odors and dust silently while working efficiently.
rustic fashion finds – The unique detailing makes each pair memorable.
the premium silver hub – Elegant designs paired with helpful service impressed me greatly.
blossombargains – Great deals on quality items that make shopping online fun and easy.
creative-stash – Stickers shipped on time and are perfect for personalizing planners and notebooks.
Lock & Luxe Store – Elegant pieces with a real premium and durable feel.
adapterstation – Fast delivery and gadgets functioned perfectly right out of the box.
trailblazerequip – Travel gear that balances style and function.
the Artisan Aster collection – Gorgeous crafts that make my home feel cozier and more inviting.
Crafted Crescent treasures – Lovely handmade items that feel thoughtful and distinct.
chic sole finds – The assortment highlights unique pieces chosen with attention to detail.
ImportIsle online – International items arrive quickly and without excessive shipping fees.
gentlemint – Stylish men’s accessories that arrived on time and look classy.
this casual shopping hub – I love how relaxed and straightforward the whole experience feels.
protein treasures hub – Excellent range of protein powders and nutrition options for every need.
aquaticspro – Supplies arrived on time and helped me organize the tank efficiently.
starfieldsolutions – Reliable storage products arrived promptly and helped me organize efficiently.
mediamosaic resources – Using these creative tools streamlined all my project workflows.
the comfy chamber shop – Accessories that made my bedroom feel instantly cozy and stylish.
my favorite tech shop – Tech solutions that make managing work effortless and efficient.
sweet vault market – There’s a wide selection that’s both delightful and easy to afford.
prismhome – Decorative pieces arrived beautifully crafted and instantly enhanced my space.
Leather Lullaby Store – High-quality leather products arrived in perfect condition.
phishphoenix picks – Excellent collection of music merch, easy to navigate.
waterhubshop – Gear arrived quickly and works perfectly for all hydration needs.
charcoalcharm supplies – Everything arrived intact and made my cookout smooth and fun.
dockyardtreasures – Home accents came quickly and are well crafted, adding charm everywhere.
this crispy creations site – The content here makes cooking feel less overwhelming.
safesaffron – The spices came fresh and fragrant, exactly as described.
passport gear hub – Everything I ordered arrived quickly and adds convenience to my trips.
projectplayground – Supplies arrived on time, perfect for completing projects efficiently.
horizon craft studio – I love seeing the intricate and unique touches in every item.
bbqguildstore – BBQ items arrived safely and are sturdy, perfect for weekend cookouts.
this vitamin and supplement hub – Excellent selection of supplements that I feel confident using regularly.
The SoleSaga Shop – Fashion-forward footwear here feels fresh and exciting.
Smart Sundial Gadgets – Modern timepieces arrived quickly and functioned perfectly right out of the box.
the hollow web host – I was up and running quicker than I anticipated.
Barbell Bayou Finds – Durable gym equipment and attractive pricing make it worth checking.
ElmExchange Finds Online – Products are thoughtfully presented and navigation feels seamless.
watercolorwarehouse shop – The variety of paints and tools really helps bring artistic ideas to life.
Wrap Wonderland Creations Online – Stylish gift wraps and fun designs make the process delightful.
this tech gadget shop – Devices worked immediately and setup was intuitive.
pantrypro – Items arrived on schedule, neatly organized, and high quality, perfect for everyday meals.
Explore the Aisle – Carefully crafted décor ideas offer a modern and creative vibe.
DIYDepot Finds – Handy and reliable tools simplify weekend craft and home improvement projects.
Shop Device Dockyard – Found quality gadgets with clear descriptions and reasonable prices.
Roti Roost Treats Online – Step-by-step bread recipes are displayed clearly for everyone.
tablet selection store – I liked how easy it was to compare models with clear specs and pricing.
the stylish beanie corner – Hats are warm, comfortable, and full of great color choices.
Palette Plaza Store – I was amazed at the quality and variety of colors and tools this time.
Smart Bundle Store – Carefully selected combos improve convenience and savings.
Sneaker Picks Hub – New kicks are easy to find and the website navigation is seamless.
MacroMountain Boutique – Creative assortment that encourages exploration and new project ideas.
identityisle.shop – Personalized items are well made and feel special for gifting.
Battery Borough Store – Delivery was fast and the products function exactly as promised.
cozy bay boutique – Each item gives off a comforting vibe and seems handpicked with care.
Charming Mug Shop – Delightful mug artwork turns ordinary gifts into keepsakes.
TeaTimeTrader Marketplace – Well-detailed teas with reasonable pricing make this a solid choice.
StitchStarlight Finds Online – Fabrics showcased vividly with excellent and colorful photography.
this gourmet flavor shop – I could immediately tell the spices were fresh and well handled.
Tech Pack Terra Picks – Everyday tech solutions are neatly displayed and easy to select.
this secure data hub – Tools are effective, convenient, and easy to use every day.
creative blog lab – Perfect for exploring innovative approaches to content creation.
Creative Sock Corner – Expressive patterns and plush comfort deliver everyday joy.
BerryBazaar Online – Nice assortment and smooth browsing even on mobile screens.
SnippetStudio Finds – Innovative content makes brainstorming new concepts easier for creators.
Lamp Lattice Designs – Elegant lighting options are showcased well and easy to compare.
urban chic picks – The seasonal lineup brings a bold and fashionable flair.
Giftable Mug Designs – Distinct cup styles make every celebration extra special.
RemoteRanch Essentials Hub – Carefully curated niche products with intuitive navigation throughout.
Explore Thread Thrive – Durable fabrics in lively colors make every creative project easier and fun.
Stretch Studio Finds Online – Fitness gear arrives as described and the website makes browsing easy.
ChargerCharm Collection – Reliable charging gear arranged with clean aesthetics.
CreativeCrate Marketplace – Explore a variety of creative products and unique gifts.
stickerstadium.shop – Colorful stickers and designs shipped fast with top-notch quality.
CollarCorner Finds – Reliable and stylish items for pets seem well thought out.
premium spice stop – I appreciate the transparency and depth of product details available.
meridian meal picks – Recipes and prepared meal kits help streamline everyday cooking.
Snowy Steps Store – Cozy winter products with great value make shopping enjoyable.
Smart VPN Picks – Service tiers and highlights are summarized clearly.
Fit Fuel Fjord Shop – Fast browsing with clearly described nutrition products for fitness needs.
ProteinPort Marketplace – Reliable, clearly labeled products make nutrition decisions simple.
pearl pocket boutique – Lovely selection of jewelry, and the product photos are crystal clear.
BerryBazaar Shop Online – Fast-loading mobile site with a variety of items to browse.
Discover Domain Dahlia – Fresh floral designs and tasteful decor perfect for any setting.
Charming Mug Shop – Delightful mug artwork turns ordinary gifts into keepsakes.
ZipperZone Essentials – Wide range of zippers that are handy for any home sewing task.
author’s parlor – Valuable guidance is easy to locate and the pages are neatly arranged.
Coral Cart Marketplace – Enjoying the assortment and the interface makes browsing effortless.
pearl treasures shop – Elegant pieces with beautifully detailed images for easy viewing.
EmberAndOnyx Marketplace – Elegant items and clear product info make shopping effortless.
CarryOn Corner Studio – Useful travel essentials presented clearly and delivered quickly.
seamsecret – Sewing essentials are organized well and easy to find.
Explore Spatula Station – Practical kitchen gadgets are easy to find and fairly priced.
report raven insights hub – Insightful writing and careful research make it a credible resource.
digital trust corner – Smooth layout with simple navigation, browsing was a breeze.
pepper parlor marketplace – The mood is appealing and exploring products is simple.
Vault Voyage Collection Online – Well-organized design and exploring pages feels easy.
analytics essentials hub – Clean structure makes the browsing experience efficient.
click to explore Setup Summit – The design is neat, and finding products is fast and easy.
premium catalogcorner – Navigation is simple, and all products are easy to view.
exotic ingredients boutique – The lineup appears special and reflects solid quality.
linen lantern digital shop – The lineup appears refined and beautifully displayed across pages.
Warehouse Whim Store – Items are clearly displayed, and browsing is easy and enjoyable.
Phone Fix Shop Online Corner – Services explained clearly and scheduling was straightforward.
bandwidth barn marketplace – Clear, concise info and valuable materials make the site very useful.
visit ironivy – Everything looks well arranged, and buying items was smooth.
Winter Walk Finds Online – Smooth interface and shopping is effortless with clear product info.
Winter Walk Online Store – Broad range of products and navigation is consistent and fluid.
Wander Warehouse Collection – A broad selection and the site keeps things organized.
fiberforge – Really like the clean layout and smooth browsing experience overall.
VanillaView Picks – Pleasant visuals combined with smooth browsing make shopping enjoyable.
browse warehousewhim items – The pages are clean, and moving through products is smooth.
sugarsummit gallery – Beautifully displayed sweets and treats that make shopping enjoyable.
wellness movement hub – The presentation feels bright and full of momentum.
explore Warehouse Whim – Items are easy to find, and the site feels clean and well structured.
vista hub store – Hosting metrics are displayed clearly, helping with side-by-side comparisons.
my favorite olive store – Everything is clearly structured, and the pages feel welcoming.
online parcel paradise – Delivery options are user-friendly and the checkout was smooth.
winterwalkshop – Nice variety and everything loads smoothly without any issues here.
Winter Walk Essentials – Easy to navigate and shopping experience is very smooth.
Marker Market Essentials – Clean design and exploring items feels effortless.
brightbanyan – Really clean design and pages load quickly on mobile.
Willow Workroom Finds – Everything is easy to locate thanks to neat organization and proper labeling.
market hub by mariners – Local produce and specialty items are well displayed and inviting.
explore citruscanopy collection – The interface is clear, and finding items is straightforward.
handpicked Warehouse Whim – Browsing items is seamless, and the selection is excellent.
shop heart fitness – It’s simple to move through the pages and find items quickly.
discover Winter Walk Gear – Diverse products and everything functions smoothly.
Sweater Station Hub Online – Organized interface and selecting products is intuitive and quick.
explore Winter Walk Gear – Layout is intuitive and pages load fast without any hiccups.
Copper Crown Boutique Online – Distinct items and a seamless ordering process.
Explore HushHarvest – Natural products reached me fast and in perfect wrapping.
artisan mocha goods – Impressive catalog and paying for the order was hassle-free.
pen pavilion online corner – Thoughtful and imaginative selections make shopping here fun.
learning aurora hub – Step-by-step guides make understanding topics straightforward.
my favorite Warehouse Whim – The website feels intuitive, and exploring items is effortless.
vpsvista collection – Clear information on hosting plans and competitive pricing make decisions easy.
Label Lilac Online – Items are well presented, and finding what I need is quick.
Winter Walk Gear – Plenty of choices and the site runs seamlessly.
check out bakebox – Smooth experience with clear product listings and delightful visuals.
Trim Tulip Hub – Crisp visuals and moving through products feels simple and smooth.
browse winterwalkshop – Everything runs smoothly and descriptions make finding items simple.
Quartz Quiver Hub – Easy-to-follow layout and informative product write-ups.
bulkingbayou corner – Nutrition and workout products are easy to navigate and well categorized.
sample suite boutique – Organized structure makes exploring the content straightforward and easy.
see Warehouse Whim products – Everything is neatly displayed, and browsing is quick and enjoyable.
chic shoe collection – The designs are up-to-date and pricing feels appropriate.
visit rubyrail – Navigation is simple, and discovering products is straightforward.
discover Winter Walk Gear – Diverse products and everything functions smoothly.
Package Pioneer Hub Shop – Polished layout and selecting items feels easy and smooth.
handpicked ergonomic items – Browsing is smooth, and the explanations are very helpful.
Winter Walk Selections – Clean design and browsing items is quick and user-friendly.
Anchor & Aisle Store – Navigation is straightforward and browsing turned out to be quite enjoyable.
chairchampion hub – Ergonomic chairs and comfy seating perfect for working from home.
peachparlor shop – The brand has a charming vibe and browsing feels effortless.
my favorite Warehouse Whim – The website feels intuitive, and exploring items is effortless.
fabric falcon specialty store – Nice selection with clear, informative descriptions that make shopping easier.
Winter Walk Storefront – Plenty to choose from and the site runs without glitches.
surfacespark – Clean interface and browsing through items feels intuitive very easy.
discover restrelay – Everything is arranged thoughtfully, and exploring products is straightforward.
Pine Path selection – The pages are organized well, and finding products is straightforward.
winterwalkshop – Nice variety and everything loads smoothly without any issues here.
Profit Pavilion Boutique Online – Useful insights shared and each topic is clearly outlined.
night vibe essentials – The overall presentation looks sleek and thoughtfully designed.
check out warehousewhim – Navigation is smooth, and the browsing experience is very pleasant.
roast and route shop corner – Sleek visuals and the mobile browsing experience is intuitive.
Winter Walk Picks – Nice collection and browsing remains fast and stable.
Привет всем! Сегодня затронем тему — кровля для бизнес-центра. Дело в том, что: мокрые потолки — это убытки. Ищешь решение — вот надёжная компания: [url=https://montazh-membrannoj-krovli-spb.ru]монтаж ПВХ мембраны[/url]. На практике вижу, что коммерческие объекты требуют быстрого монтажа. Допустим сроки горят — соответственно работы идут быстро. Мы используем светлые мембраны — крыша не перегревается. Резюмируем: один из самых эффективных способов сохранить здание.
discover Backpack Boutique Online – Appealing products and the interface makes shopping enjoyable.
шумоизоляция авто https://vikar-auto.ru
winterwalkshop – Nice variety and everything loads smoothly without any issues here.
visit searchsmith – The site is intuitive, and the content is detailed and easy to understand.
mist shop hub – A minimalist approach with tidy product presentation makes shopping stress-free.
my favorite stitching shop – Everything is well organized, and buying products is straightforward.
explore Warehouse Whim – Items are easy to find, and the site feels clean and well structured.
Winter Walk Gear – Plenty of choices and the site runs seamlessly.
Ram Rapids Finds – Well-laid-out pages make finding items effortless.
Wrap & Wonder Essentials Online – Beautiful presentation and items feel perfectly suited for gift purposes.
Domain Den Store – The structure is simple and moving around the site is very intuitive.
Winter Walk Picks – Products are nicely organized and browsing feels effortless overall.
click for Fiber Fountain – The design is smooth and navigating through products is effortless.
check out apparelambergris – Pages are well designed, and finding products is easy and quick.
see Warehouse Whim products – Everything is neatly displayed, and browsing is quick and enjoyable.
discover winterwalkshop – Good assortment and navigation is smooth throughout.
discover Logo Lighthouse Finds – Organized site and product selection is very easy.
Island Ink Essentials Online – The branding is striking and the overall presentation feels imaginative.
explore winterwalkshop – Layout is clean and everything loads quickly without delays.
cottage checkout hub – Smooth navigation and well-organized listings make shopping simple.
shop Warehouse Whim – Selection is impressive, and moving through products is effortless.
Print Parlor Online – Easy-to-use navigation and clear product displays make browsing smooth.
complete solutions hub – Services are easy to follow and the experience is polished and professional.
explore Winter Walk Essentials – Attractive assortment and everything loads cleanly without problems.
visit patternparlor – Navigation is simple, and exploring items is effortless.
Seashell Studio Treasures – Well-laid-out pages make finding products effortless.
topaz trail corner – The experience is smooth from start to finish with clear navigation.
Studio Supply collection – Plenty of options and a fast, straightforward ordering flow.
Winter Walk Essentials – Easy to navigate and shopping experience is very smooth.
Shop Sparks Tow Online – Lovely little store and I quickly spotted the products I wanted.
financial hub shop – Practical resources and insights to keep track of financial markets.
handpicked Ruby Rail – Layout is clean, and finding items is effortless.
the Cotton Cascade shop – Soft textures and upscale fabric choices make it shine.
creative nutmeg corner – The idea feels original and the interface responds smoothly.
Voltvessel Shop Now – Smooth browsing and a clear structure make shopping enjoyable.
Visit Vivid Vendor – Colorful design and clear images make exploring products enjoyable.
sipandsupply essentials – Nice selection and the layout is easy on the eyes and organized.
organized workspace corner – The display is tidy, and the selection supports daily productivity.
Art Attic Product Hub – Creative items presented neatly with effortless navigation.
Wagon Wildflower Hub – Charming look and friendly design make exploring products online easy.
Basket Bliss Curated Store – Neatly arranged items and intuitive navigation create a seamless experience.
Yoga Yard Showcase – Gentle, calming vibe and refreshing selections make the experience serene.
Cove Crimson Select – Modern design and exploring the collections is straightforward.
tablettulip picks – Pages load quickly and everything feels seamless.
Cypress Chic Picks – Navigation is easy and product details are well organized.
access ClickForActionableInsights now – Fast-loading sections and intuitive layout make browsing insights simple.
modern invoicing outlet – I like how the elegant setup highlights the quality of the selection.
Clarvesta Online – Smooth navigation and products are showcased clearly.
Shop VeroVista Online – Smooth browsing with fast loading pages and clear item descriptions.
Astrevio Showcase – The organized display makes it easy to scan through items.
Bowl Studio – Items are displayed beautifully and navigation is intuitive.
briovista.shop – Very clean layout and everything loads fast without lag.
Trust Solutions Center – Organized layout and clear headings help users navigate content easily.
Bath Breeze Showcase – High-quality items with a layout that makes exploring simple.
Cozy Carton Collections – Warm vibe and everything loads quickly for smooth shopping.
journaljetty hub online – Products feel curated and every description is helpful.
Dalvanta Treasures Hub – Layout is neat and items are displayed nicely for easy shopping.
Trusted Commercial Connections – Organized pages and clear navigation make exploring content simple.
velvetvendor2.shop – Definitely saving this site, they offer a very unique variety of products.
PolyPerfect Store – The sleek layout and simple checkout make shopping effortless.
Attic Amber Curated Store – Friendly aesthetic and clear navigation make the site enjoyable.
Rosemary Roost marketplace – The curated display and charming design create a welcoming experience.
trusted brew retailer – A dependable site with plenty of items and quick responsiveness.
briovista.shop – Very clean layout and everything loads fast without lag.
Cozy Copper Nook – Interface is clear and items are displayed beautifully.
this Bay Biscuit boutique – Cute selection and purchasing is effortless.
Collaboration Hub Online – Professional design and responsive layout make browsing content simple.
sketchstation online – Really like the innovative style and the navigation flows smoothly.
Visit Vendor Velvet – Modern design makes it easy to move around without any confusion.
Clever Checkout Store – Seamless navigation and easy transactions make shopping a breeze.
Decordock Boutique – Items are displayed well and details give clear insights.
visit Click for Actionable Insights – Easy navigation and quick page loads make accessing insights effortless.
cozy threads store – Browsing feels effortless thanks to the warm design and easy navigation.
online LongTermBusinessPartnerships site – Smooth navigation and professional layout simplify browsing.
Aura Arcade Favorites – Interesting items combined with a seamless payment flow make it enjoyable.
CampCourier collection – The pages load fast, and browsing products is hassle-free.
Brondyra Essentials Store – Simple navigation paired with modern design makes shopping easy.
Craft Cabin Essentials – Nice interface and each product has clear information available.
Beard Barge Online – Well-organized products with clear, informative descriptions.
Venverra Boutique – Professional and tidy design makes this shop feel safe and credible.
Yavex Essentials – The site performs well with speedy content loading and smooth browsing.
sleepsanctuary picks – Soothing design and effortless browsing overall.
Trusted Business Connections Online – Clear layout and organized pages make finding information simple.
Dorvani Nook Hub – Navigation is simple and the website loads quickly without issues.
access EnterpriseBondSolutions now – Organized sections and well-laid-out design make finding content easy.
Corporate Network Access – User-friendly layout with clear sections improves overall usability.
greeting card paradise – The clever options and clean navigation keep me happily browsing.
Auracrest Curated Picks – The layout is clear, and the descriptions make products easy to understand.
discover CasaCable – Products are clearly presented, and navigating the site is simple.
BuildBay Store – Items feel premium and the checkout process is straightforward.
Craft Curio Finds – Smooth browsing and the overall layout is clean and modern.
Birch Bounty Online Marketplace – Simple browsing with products chosen with care.
Clever Cove Online Hub – Organized presentation and easy-to-navigate layout improve the user experience.
online BusinessTrustInfrastructure site – Logical layout and responsive pages make content easy to find.
schemasalon digital shop – Information is straightforward and navigating through the site is simple.
Ravion Line – Trustworthy design and all pages are easy to navigate.
Corporate Unity Solutions Marketplace – Organized interface and intuitive menus make exploring services effortless.
visit Strategic Growth Alliances – Intuitive pages and well-laid-out sections make browsing simple.
business efficiency shop – The practical features reduce daily friction for professionals.
Aurora Atlas Picks – Nice range of products and the site performance is excellent.
Caldoria Top Picks – Clean interface and products are arranged thoughtfully for a nice experience.
this stylish shop – Everything feels thoughtfully arranged and browsing is simple and fluid.
Xorya Online Picks – Neat layout and modern styling help make finding items effortless.
Crate Cosmos World – Easy navigation and the product display is very organized.
Blanket Bay Curated Picks – Pleasant products with a warm feel and smooth interface.
LongTermCommercialBonds Access – Professional layout and intuitive interface make browsing effortless.
Qulavo Connect – Navigation feels clear and content loads without delay.
sunsetstitch digital – Lovely range of items and smooth online ordering.
a href=”https://findyournextdirection.shop/” />Find Your Next Direction Info Hub – Well-organized sections and quick page loads make exploring enjoyable.
Aurora Avenue Product Hub – Attractive design and curated products ensure a smooth shopping experience.
shine and steel boutique – Browsing feels effortless thanks to the organized layout and sleek finish.
CalmCrest Design Hub – Relaxed aesthetic and pages load fast for easy exploration.
online CardamomCove – Comfortable shopping experience and detailed descriptions on every item.
Crisp Collective Corner – Pages load quickly and shopping feels intuitive and easy.
this business learning portal – Intuitive layout and easy-to-follow menus simplify browsing.
Click Courier Connect – Navigation feels smooth and delivery info is easy to locate.
this Blanket Bay boutique – Pleasant atmosphere with pages loading quickly.
Business Growth Hub – Professional design and clear structure make browsing efficient.
Qulavo Portal – Quick access to sections and everything loads smoothly.
Yavex Store – Pages load quickly, and the site runs very smoothly.
watchwildwood boutique – Clean design and moving through sections is simple.
Long Term Value Partnership Online – Clear layout and informative content make exploring details simple.
CardCraft studio – Creative concepts and a clean, fast ordering system stand out.
Auroriv Online – Easy browsing and a contemporary design make shopping simple.
ChicChisel Product Hub – Modern style and informative text make the experience smooth.
Crisp Crate Spot – Easy navigation and everything looks well organized.
endless play zone – With its dynamic vibe and wide assortment, I can browse for hours.
Bloom Beacon Boutique Online – Easy-to-navigate site and pleasant shopping experience.
your Click to Explore Innovations – Logical structure and clear menus make browsing effortless.
GlobalEnterpriseBonds Access – Well-structured sections and smooth navigation make reading simple.
Xelivo Base – Clear interface with intuitive browsing throughout the site.
The Front Room Chicago online hub – Experience a thoughtfully designed website with visually appealing features.
Modern Purchase Hub – Easy navigation and clear presentation make shopping enjoyable.
CinnamonCorner Online – Warm, inviting layout and browsing feels effortless.
Auto Aisle Store – Great selection of products and filtering makes browsing simple.
Crystal Corner Spot – Easy navigation and the site displays items nicely.
Streetwear Storm Boutique – Fresh, edgy outfits that match my fashion taste perfectly.
Storefront collection outlet – Clear structure and easy-to-use menus help visitors find what they’re looking for.
Xorya Store – The interface is sleek, and the overall layout feels very modern.
Cloud Curio Hub – Unique assortment of items and the site loads quickly without lag.
this Bright Bento boutique – Great variety and helpful explanations for each product.
TrustedBusinessFramework Portal – Intuitive interface and organized layout make accessing content easy.
Sleep Cinema Hotel insights – Learn about a fun and innovative hospitality concept presented clearly.
commercial bonding portal – Logical sections and responsive design make browsing effortless.
Blue Quill Gems – Clean design and products are well organized for visitors.
CircuitCabin Gadgets Hub – Clear tech displays and navigation feels user-friendly.
Bag Boulevard Product Hub – Bags are stylish and exploring the site is simple.
this office essentials shop – Everything is thoughtfully arranged, making it simple to find what I need.
explore Berry Brilliance – Lively hues and stylish presentation leave a lasting impression.
Explore this Latanya site – Find approachable articles and helpful advice presented in a friendly style.
Bright Bloomy Product Hub – Colorful design and simple browsing experience make it fun to explore.
PressBros info page – Browse content that is neatly presented and easy to navigate for all visitors.
Bold Basketry Hub – Navigation is simple and the layout makes exploring enjoyable.
official Aisle Alchemy hub – Unique products here really stood out and made browsing fun.
your ClickToLearnStrategically hub – Logical menus and clean design make navigating information simple.
Clove Crest Finds – Appealing designs and informative text help guide choices.
The Call Sports updates page – Browse highlights, recaps, and interesting sports stories daily.
cardio and strength shop – The positive training culture and thoughtful selections make it appealing.
this hardware haven – Wide tech inventory presented in a tidy, accessible way.
Updating Parents updates – Browse clear, actionable advice designed to help parents effectively.
online ExploreLongTermOpportunities resource – Structured content and easy-to-follow pages make exploring simple.
The Winnipeg Temple online hub – Browse helpful content highlighting the temple’s purpose and values.
Check this In The Saddle Philly page – Discover informative content that celebrates the unity of the community.
this design shop – Everything feels polished, and the product presentation is very clear.
Ledger Lantern Boutique – Clear product descriptions and a well-organized browsing experience.
Visit this energy page – Stay updated with comprehensive and easy-to-read reports.
Coffee Courtyard Essentials – Relaxing vibe and simple navigation throughout the site.
Al Forne Philly web portal – Navigate a site with organized messaging and easy-to-access information.
discover Trusted Enterprise Framework – Clear sections and smooth interface help users find content quickly.
auditamber.shop – Clear details and smooth navigation make the site simple to use.
Elmhurst local initiatives – Discover informative sections showcasing neighborhood collaboration efforts.
high-end product hub – Every item feels premium, and the descriptions are easy to read.
9E2 Seattle info portal – Browse a user-friendly platform with easy navigation and helpful resources.
Apricot Alcove Boutique – Beautifully arranged layout and a truly pleasant browsing experience.
Energy Near information hub – Access well-organized materials covering important energy matters.
Collar Cove Picks – Quality items and easy-to-follow site structure.
Explore Kionna West resources – Access content designed for clarity, warmth, and thoughtful communication.
tidy Ardenzo outlet – The site feels well-planned and easy to navigate.
Reinventing Gap insight portal – Engage with carefully written articles highlighting key points.
clicktraffic site – Navigation felt smooth, found everything quickly without any confusing steps.
your studio essentials – Well-stocked store and a simple process for buying items.
Open 1911 PHL site – Enjoy engaging updates and a simple, clear layout.
Read democracy updates here – Stay informed with thoughtfully curated reports and opinions.
Copper Citrine Gallery – Clear layout with a very user-friendly interface.
Explore Natasha for Judge resources – Access authoritative updates and thoughtfully organized information.
Simple Online Shopping Zone – Browsing products is easy and the checkout process is smooth.
skilletstreet favorites – Loved the variety and overall site experience is smooth.
Ryzen Rocket Gear – Very clear layout and smooth buying experience overall.
PMA Joe 4 Council info page – Find community-focused content laid out in a clean and navigable format.
Leanne’s Fairy World – The charming updates and thoughtful storytelling are simply delightful.
shop Best Value today – Smooth navigation and attractive pricing make the experience seamless.
Coral Crate Spotlights – Clear layout and items are visually appealing.
plannerport – Very useful tools and navigating the site was effortless.
your sweet destination – It has such a friendly atmosphere and clear organization.
Play-Brary official site – Discover fun concepts presented with clarity and a friendly approach.
traffio site – Pages loaded fast, images appeared sharp, and formatting stayed consistent.
DiBruno Shop Online – Fantastic product range and regular updates make checking back worthwhile.
PHL Market Info – Fun to explore local items and see the latest market updates.
Basket Bliss Curated Store – Neatly arranged items and intuitive navigation create a seamless experience.
ranklio site – Navigation felt smooth, found everything quickly without any confusing steps.
skilletstreet collection – Nice variety of products and site navigation is smooth.
Philly Community Connection – Great source of neighborhood info delivered in a friendly and accessible way.
this online market – Just ran into this and it looks impressive.
Flake Vendor collections – Browsing here is fast, smooth, and effortless.
leadnex site – Pages loaded fast, images appeared sharp, and formatting stayed consistent.
my favorite toy shop – Navigation is clear, and the toy selection is extensive.
check out Heather Market – Everything is well-structured and browsing is hassle-free.
Gary Masino Insights Hub – Well-structured pages and clear communication make visiting informative.
Bath Breeze Showcase – High-quality items with a layout that makes exploring simple.
find Timber Aisle items – Everything feels organized and browsing is very pleasant.
discover Cobalt Vendor – The site is responsive and browsing feels quick and natural.
benchbazaar selections – Well-organized pages and product descriptions are very clear.
browse Scarlet Crate items – Everything is clear, and the overall feel of the site is very pleasant.
see Winter Aisle products – The site feels clean and navigation is very easy.
check out Clover Crate – The site layout makes browsing simple and enjoyable.
discover Topaz Aisle – Found products that are unique and match exactly what I need.
shop timekeeper tide – The design is minimal and the information is highly readable.
ISWR Programs and Events – I appreciate the ongoing effort to provide meaningful and timely resources.
explore Echo Aisle shop – Intuitive menus and fast-loading pages make navigation simple.
this Bay Biscuit boutique – Cute selection and purchasing is effortless.
Cateria McCabe Campaign – The details are thorough and transparency is evident in every section.
PrimeMarket – Everything is simple to browse, with easy-to-use menus and filters.
Lantern Market Store – The website is neat, user-friendly, and the product variety is solid.
official Orchard Crate page – The layout makes scrolling and exploring feel natural.
Quartz Vendor Store – User-friendly interface and intuitive navigation improve the experience.
Chair Chic Treasures – Navigation is intuitive and browsing is a smooth experience.
Firefly Crate storefront – Items appear carefully arranged and easy to browse.
shop East Vendor online – Payment process was smooth and surprisingly fast.
explore Zinc Vendor – Impressive products and prices are quite fair overall.
Dyed & Dandy – Love the interactive feel and the website is very intuitive.
Beard Barge Curated Store – Products are well-chosen and details help make informed decisions.
O’Rourke Philly Updates – The content is thoughtfully presented and easy to navigate.
North Crate Shop – Payment process was smooth and finished without any delays.
official Terra Vendor page – Selection is strong and the pricing seems fair.
Writer’s Official Page – Engaging narratives and an elegant format create a memorable reading experience.
explore Oak Vendor – Fast loading pages and simple menus make shopping enjoyable.
headlinehub corner – Informative posts and navigating the site feels smooth.
visit Cove Vendor today – Smooth site performance and quick-loading pages make browsing enjoyable.
shop Crown Vendor online – Quick responses and smooth problem resolution made things easy.
Berry Aisle online store – Quick response from support made everything very easy to understand.
DocksideCrate – Quickly found what I was looking for, and the layout is clean.
emery essentials corner – Navigation feels intuitive and checkout was hassle-free.
Birch Bounty Curated Store – Browsing is simple and the selection feels curated with care.
Philly Beer Fest Online Info – The festival looks lively and the updates are easy to follow.
shop Garnet Aisle online – Everything works smoothly and locating products is effortless.
this online vendor – Found several appealing items that seem like good picks.
Silver Vendor Marketplace – Checkout is intuitive and I didn’t face any issues while ordering.
Fit Fuel Picks – Great product variety and the checkout experience was seamless.
shop Zena Aisle – Fast loading and everything adapts perfectly to mobile devices.
discover Flint Vendor – Menus are easy to understand and the layout is very user-friendly.
see Marble Aisle products – Navigation is simple and the design looks polished.
PP4FDR Community Page – Purposeful and engaging content communicates the mission well.
Blanket Bay Showcase – Comfortable browsing experience with everything responding quickly.
Dew Vendor Items – The site feels organized and searching for products is effortless.
Natalia Kerbabian Hub – Thoughtful background and interesting content keep readers engaged.
cutandsewcove favorites – Products are well presented and explanations are simple to understand.
browse Meadow Vendor items – The structure is neat and navigation is fast and easy.
Wild Crate Collections – Sleek interface and fast mobile load times make browsing enjoyable.
official Dune Vendor page – The simple design helps me find products quickly.
discover Woodland Vendor – Fast-loading pages and an organized setup make browsing easy.
Trail Vendor storefront – The site feels clear and every product has a helpful description.
Fit Fuel Store – Products are well organized and ordering felt seamless.
GlassOutlet – The site responds instantly and purchasing is straightforward.
find great items here – Easy-to-navigate categories with informative product details.
nicheninja site – Pages loaded fast, images appeared sharp, and formatting stayed consistent.
Blanket Bay Online Marketplace – Warm ambiance and quick-loading pages make shopping easy.
reachly site – Appreciate the typography choices; comfortable spacing improved my reading experience.
visit Hearth Vendor – Browsing feels effortless thanks to the clear layout and fast pages.
FernCrate Shop Hub – Excellent product options and a streamlined shopping experience.
leadzo site – Bookmarked this immediately, planning to revisit for updates and inspiration.
see Robin Market products – I received helpful guidance in a short amount of time.
denimdusk finds – Products look trendy and site navigation is effortless.
Glade Vendor storefront – Easy-to-navigate pages and a secure checkout process.
Stone Vendor Marketplace – Questions were answered promptly and clearly by their support staff.
check out Wood Vendor – Very satisfied so far and I’ll be back without a doubt.
Creative Learning for Kids – This interactive resource encourages curiosity and hands-on discovery.
see Pine Crate products – The layout made finding useful items straightforward and quick.
Cup and Craft Online – Well-organized pages make shopping easy and pleasant.
leadora site – Navigation felt smooth, found everything quickly without any confusing steps.
Bloom Beacon Top Picks – User-friendly navigation and effortless browsing overall.
shop Chestnut Vendor – Got a fast and friendly response from customer service today.
Opal Aisle Selection – The curated items are lovely and browsing the site is simple and smooth.
Bright Aisle online store – It’s easy to move through and understand everything.
Willow Vendor Store – I like how modern and inviting everything feels here.
Plum Vendor X Items – Browsing is straightforward, and the site feels very organized.
click to browse – It’s easy to find things thanks to the clean design.
browse Hollow Vendor tips – The explanations are concise and make learning feel effortless.
Woodland Crate collections – Items feel intentionally chosen, and the layout is enjoyable to browse.
Wind Vendor online store – Checkout process was simple, clear, and fast.
Autumn Crate Marketplace – Browsing is smooth and everything is visually appealing.
Illustration Inn Studio – Really enjoy the artwork and navigation flows smoothly.
shop Quartz Aisle now – Well-organized layout makes shopping a smooth experience.
Bright Bento Product Hub – Nice lineup of items with clear explanations.
Fun at Moe’s Pier – Great info paired with cheerful updates keeps me coming back often.
Hill Vendor Shop – The site feels contemporary and approachable with a polished look.
explore Iris Crate shop – Everything is well structured and browsing is simple.
shop Silk Market online – The layout feels fresh and very intuitive.
Wheat Market Online Hub – The curated products and neat layout make visiting enjoyable.
Ruby Aisle Shop – The menu is straightforward and everything is easy to access.
explore Charm Vendor – A charming variety of items that made my visit worthwhile.
visit this market site – Stylish interface and smooth filtering make finding items quick.
visit this stylish shop – Everything flows nicely and placing an order takes no effort.
benchbreeze studio – Great flow and exploring pages feels effortless.
Skillet Street Picks – Enjoyed the variety and site flow is very user-friendly.
CrystalAisle specials – A carefully arranged range of items with some nice surprises.
explore Moss Vendor shop – Definitely coming back soon to check new products and make purchases.
discover Reed Vendor – Simple site design and product categories make shopping effortless.
Bright Bloomy Boutique Online – Pleasant aesthetics and smooth navigation create a comfortable browsing flow.
Satin Vendor storefront – This will stay on my list for future buys.
Walnut Aisle Store – The layout is simple and the products are visually appealing, making browsing fun.
Spring Crate Selections – Smooth experience and easy checkout make this worth saving for later.
explore Iron Vendor – Everything feels durable and reliable, the quality is apparent throughout.
browse Alpine Crate items – Appears reliable and definitely worth a closer look.
LilacStore – The team resolved my problem swiftly and without complications.
Fest Schedule and Attractions – Counting the days until it begins and appreciating the thorough breakdown.
Rocket Tech Picks by Ryzen – Navigation is intuitive and buying products is quick and easy.
bronzevendor.shop – Definitely planning to return soon, this site is very reliable.
explore Rose Crate – Pleasant shopping with simple navigation, I’ll visit again soon.
browse Feather Market here – The products have a unique flair that’s hard to find elsewhere.
sagevendor.shop – Very pleasant browsing experience, site feels reliable and trustworthy overall.
Ultimate Club Choices – Really like the fresh concept and the interactive content makes it a fun visit.
Uncommitted NJ Info Hub – Transparent communication and easy-to-read updates provide useful insights.
browse Coral Vendor here – Everything feels well-crafted, and the explanations are useful.
LoftHub – I appreciate how organized the categories and filters are.
Glow Vendor storefront – The bright interface adds energy to the shopping experience.
Top Home Trends – My shopping trip today went smoothly without any hiccups.
Violet Picks Hub – Everything feels neat and organized, making shopping a pleasant experience.
Nectar Shopping Spot – Very smooth browsing experience and I found everything I needed easily.
Sea Picks Hub – The assortment is impressive and checkout went smoothly.
discover Amber Crate – The clean setup really helps streamline the shopping journey.
Remi PHL Central – Simple navigation and helpful details make the site very user-friendly.
Top Granite Products – The site runs smoothly and products are displayed attractively.
NuPurple Cost Plans – The site presents pricing in a straightforward way, making it accessible to all.
visit Cotton Market – The site is easy to use and browsing feels seamless.
Ginger Crate Marketplace – Layout feels organized, making shopping smooth and pleasant.
Teal Vendor Essentials – Enjoyed exploring the items, site feels professional and easy to use.
Best of Ridge Vendor – Really happy with product quality and the excellent support provided.
Jovenix Online Store – Products are easy to locate and browsing experience was excellent.
Ash Vendor Hub – Browsing was hassle-free and locating products was straightforward.
Delta Online Market – Items look excellent and completing the order was simple.
Top Aurora Products – Layout is neat and exploring items is very simple.
this online shop – Noticed some pretty cool selections, worth checking out again later.
Bay Collection Hub – Great assortment of products and checkout went very smoothly.
Cumberland Vaccine Resources – Clear explanations and timely updates keep the public informed effectively.
Retail Glow Online Store – Clear layout, fast checkout, and an enjoyable shopping experience.
Wave Vendor Official – Found the product variety excellent and checkout went smoothly.
Linen Vendor collections – Browsing is easy thanks to the neat design and smooth checkout.
Ridge Vendor Favorites – High-quality selections and assistance from customer care was outstanding.
EmberVendor Spot – Browsing is simple, products are clear, and checkout was fast.
Lavender Supply Online – Some unique items caught my attention and the website seems credible.
Ash Market storefront – Nicely arranged pages with a reliable and quick checkout.
Explore Zen Deals – Layout is clean and product details are very informative, making shopping quick.
Visit Indigo Crate – Clean layout and the items appear well-curated for quality.
Caramel Market Store – Really enjoyed exploring the site, everything is clear and easy to navigate.
Opal Wharf Hub – Easy to navigate with detailed descriptions for all items.
Cycle for Sci Activities – The initiative is motivating, with clear schedules and structured details.
fairvendor.shop – Found exactly what I needed, site feels trustworthy overall today.
Quality Field Shop – Found the exact product I had in mind without any trouble.
PlumVendor Picks – Easy navigation and I really liked the professional layout of the site.
Ember Aisle products – Notable items here make it worthwhile to come back later.
CreekGoods – Browsing is effortless thanks to the tidy layout and fast performance.
West Favorites – Browsing feels smooth and the site is very clean and organized.
SolaIsle specials – Items are showcased clearly, making it simple to explore the offerings.
Acorn Online Shop – Navigation is smooth and products are easy to find.
FrostTrack Corner Online – Well-organized layout with smooth navigation enhances the shopping experience.
Brass Favorites – Product details are clear and navigating the pages is smooth.
Pebble Vendor Picks – Had a good time exploring the products; the site navigates smoothly.
Tide Vendor Online Hub – Layout is attractive and shopping feels simple.
O’Neill Justice Initiative – Accessible information paired with a clear vision makes the site very informative.
Best of Jasper Aisle – The prices look competitive and the website feels trustworthy.
WhimHarbor Deals – User-friendly layout, fast loading pages, and pleasant checkout experience.
Flora Vendor Picks – Easy navigation with a simple layout makes shopping pleasant.
shop Orchid Aisle now – A curated assortment and smooth browsing make this site enjoyable.
explore Pine Vendor – Well-organized and fast, the site feels very polished.
Clear Vendor Picks – Enjoyed browsing; the website is clean and items are well-presented.
Wicker Lane Spot – Smooth layout and intuitive navigation made shopping effortless.
Morning Crate Collection – Shopping was smooth and I located the right items effortlessly.
Grove Aisle Collection – Easy-to-use site and the pages load without delay.
Ocean Product Hub – Pages respond quickly and the product variety is satisfying.
EmberBasket Hub – Browsing was seamless and the products are well presented with helpful details.
CrateCorner – Easy to navigate and perfect for fast, future shopping sessions.
Juniper Deals Hub – Shipping didn’t take long and the items were perfectly protected.
N3rd Market Online – The creative concept and upbeat vibe make exploring enjoyable.
Thistle Trend Store – Lots of options available and descriptions make shopping easy.
JollyMart Boutique – Website is clean and organized, making shopping very simple.
Shop Hazel Collection – Browsing was effortless and the team responded quickly to my inquiry.
Shore Vendor Picks Online – Smooth site experience and all items are easy to find.
OakMarket deals – The overall vibe is inviting, and navigating the store is simple.
Lunar Vendor Spot – Responsive support team that answered all my concerns promptly.
Birch Product Hub – The browsing experience is smooth and the store feels credible.
QuickCarton Online – Easy to navigate and product selection is very clear and appealing.
Raven Trend Store – Browsing is effortless thanks to the organized and minimalistic design.
Icicle Crate Picks Online – Product quality is excellent and delivery was fast, very smooth experience.
Floral Picks Hub – The layout is intuitive and the selection feels carefully chosen.
Shore Vendor Favorites – Pages load well and items are easy to browse.
Cart Catalyst Products – Fast-loading pages and intuitive navigation make discovering items a breeze.
Nest Vendor Store – The website is well-organized, making it simple to locate what I wanted.
Mist Vendor Picks Online – Enjoyable browsing experience with clear, helpful product descriptions.
TranquilityShop – The site’s style is simple and browsing products feels effortless.
Yornix Online Picks – Responsive assistance made shopping effortless and pleasant today.
Seasonal Blossom Finds – The write-ups are informative and the updates arrive on a regular basis.
Drift Online Shop – Smooth navigation paired with clear product information makes shopping easy.
Quick Meadow Online Spot – Smooth experience overall with well-presented products and easy navigation.
favorite online shop – Just looked through it and the deals are solid and interesting.
Velvet Vendor X store – The site feels polished and navigating through products is effortless.
Maple Supply Online – Had a fun browsing session, lots of items to check out.
explore Noble Aisle – Noticed this store today and the quality looks genuinely good.
Best of Key Vendor – Very pleased with both product quality and speed of delivery.
Chris Hall Judicial Info – The site provides a thorough overview of experience and priorities, very easy to follow.
Mint Picks Hub – Navigation is simple and the overall shopping feels trustworthy.
Bouton World – Clean, stylish interface and products pop while browsing.
Olive Vendor Finds – Everything feels professional and browsing is straightforward.
MarketPearl Select – Browsing was smooth and the overall shopping experience was excellent.
Finch Style Market – My concern was handled swiftly and with impressive professionalism.
Hovanta Store – Navigation is simple and the overall layout is very user-friendly.
online Kettle Market boutique – Unique selections with clean and appealing presentation.
Brook Online Market – Loved the initial browsing experience and I’ll be returning.
the Market Whim selection – Great assortment, feels like there’s a little something for everyone.
Pebble Trend Store – Layout is simple and navigation intuitive, made shopping smooth.
harborvendor.shop – Pleasant experience, everything loaded quickly and looked professional.
Ivory Trend Store – Enjoyed the clean interface and all products are easy to find.
Smyrna Festival Info Hub – Enthusiastic about the performers and new announcements posted.
discover CedarCeleste – Well-laid-out pages make finding items quick and simple.
Honey Market Spot – Pages respond fast and images are crisp and clear.
creative trinket spot – Such a pleasant range of items, I’ll come back when I need a gift.
Lumvanta Official – Very impressed with the products and the checkout process was seamless.
CelNova Boutique – Navigation is simple, site responds quickly, and purchasing is smooth.
Shop the Coast Collection – I’m keeping this store in mind for upcoming purchases.
online Timber Vendor boutique – Cozy rustic aesthetic and navigation is simple and enjoyable.
check out Jewel Vendor – Pictures are crisp, clean, and look professionally done.
Leaf Picks Hub – Product quality is impressive and pricing feels fair.
North Vendor Spot – Very simple browsing, detailed product info makes shopping stress-free.
Best of Frost Vendor – Items match the description perfectly and payment was quick.
chiccheckout.shop – Checkout is easy and the layout keeps shopping simple and fast.
Lemon Crate Hub – Great value for money, and I’ll be back for more.
DepotGlow Market – Items are high-quality, and the prices make it a worthwhile shopping experience.
stylish finds online – Unique products and the checkout feels fast and reliable.
modern rustic store – I appreciate the snug aesthetic and clear organization.
check out Loft Crate – A well-organized design ensures shopping is comfortable.
Luster Vendor Boutique – Had a great time exploring the newest products recently added.
discover Xernita – Product images are easy to see and categories make sense overall.
Dapper Aisle – A sleek and modern shopping space offering refined selections for everyday style.
Modern Kovique – A contemporary store focused on fresh finds and fashionable products.
Gild Vendor – A polished online marketplace offering premium selections and curated deals.
Xerva Marketplace – Nice, clean layout made browsing products today fast and easy.
The Zen Spot – Shopping here has been really fluid and straightforward lately.
Lorvana store – Unique selection of products that makes browsing interesting.
Discover Amber Vendor – Excellent variety and a hassle-free checkout made shopping enjoyable.
Official OpalVendor Site – Wide variety of products and finding what I wanted was easy.
curated cart finds – Navigation is smooth and the pricing seems fair and balanced.
trendy online marketplace – Beautiful design paired with smooth browsing makes it a pleasure to shop.
OrbitCrate Online Shop – Very user friendly with quick page load times.
Pebble Vendor – A thoughtfully curated marketplace featuring compact yet impactful products.
Xolveta Shop – A fresh online destination focused on innovative products and smooth browsing.
Xerva Essentials – Browsing items is hassle-free with the clean and organized layout.
Shop Night Vendor – Lots of options available and prices seem very fair overall.
Browse Cart Meadow – Great bargains available and delivery was surprisingly efficient.
curious shopper’s hub – The site is fast and navigation feels effortless.
Discover QuickWharf – Checkout was quick and items were delivered sooner than anticipated.
curious shopper’s hub – Inviting layout, I’d happily return to explore more.
Unique Finds Sorniq – A marketplace combining practical daily picks with imaginative discoveries.
discover Yorventa – The shop has a distinctive vibe that grabbed my interest right away.
The Zintera Spot – Site responds quickly and the layout looks modern and neat.
The Xerva Spot – Store feels well-arranged, making product browsing today a smooth experience.
Harbor Mint – A calm and curated marketplace inspired by coastal charm and clean design.
Joy Essentials – Quick and professional customer service made resolving issues easy.
the Merch Glow selection – Wide-ranging items that made me curious right from the start.
Melvora Storefront – Elegant layout and simple navigation make browsing effortless.
browse Glarniq – Fair pricing and clear, concise product info make shopping easy.
Explore Aisle Whisper – Some products stood out as quite unique and worth checking.
Smart Picks Ravlora – Support resolved my issue rapidly and without any stress.
Cobalt Crate – A bold and reliable platform delivering standout selections with confidence.
Xerva Select – The interface is organized, making it effortless to check out different items.
Shop Trend Parcel – Categories are organized and finding products is smooth.
Silk Vendor – A polished platform delivering quality finds with a touch of elegance.
craftquill.shop – Everything I ordered met my expectations, quality is excellent.
smart shopping spot – Prices seem reasonable, and product info is very clear.
modern quill boutique – Nicely spaced sections make it easy to locate products.
favorite online boutique – Interface is intuitive, with nice small elements in the design.
Browse Worvix – Payment was smooth, and the checkout process was easy to follow.
Timber Cart – A warm and grounded online shop inspired by rustic charm and practical choices.
Xerva Online – Clean and intuitive layout makes exploring items very straightforward.
Farniq Curated – Really enjoyed finding items that align perfectly with my aesthetic.
Yarrow Crate Store – Clear product info helped me decide what to buy quickly.
online Vault Basket boutique – Everything is structured clearly, making exploration simple.
explore Raven Vendor – Wide range of items and everything responds fast and flawlessly.
Inqvera Website – The interface is responsive and checkout feels effortless.
Irnora Curated – The store offers selections that are uncommon and hard to find elsewhere.
this online vendor – First impressions are positive, and the checkout steps look straightforward.
Gild Vendor – A polished online marketplace offering premium selections and curated deals.
Frost Aisle – A cool and refreshing store presenting crisp deals and clean design.
Xerva Select – The interface is organized, making it effortless to check out different items.
RippleAisle Deals – Excellent offers and sharp images make browsing very straightforward.
friendly shopping hub – The pages are well-structured and make the overall experience smooth.
Silk Essentials – Reasonable prices paired with good quality make this store appealing.
RetargetRoom marketplace – Looks promising with plenty to explore, bookmarking it for later.
serverstash utility hub – Smooth navigation and a well-laid-out collection of practical tools.
this shopping hub – Neat layout and intuitive navigation made it very easy to find products.
Smart Picks Fintera – Navigation is simple, and categories are logically arranged for quick browsing.
Zarnita – A modern and distinctive platform showcasing unique items for curious shoppers.
Orqanta Treasures – A contemporary shopping hub offering intuitive navigation and curated finds.
Xerva Treasures – Layout is user-friendly, and finding products today was quick and easy.
visit zenvorax – Refreshingly simple design, navigating products feels effortless.
ItemTrail Marketplace – The support team acted fast and helped me resolve everything.
Nook Curated – Website design is attractive, modern, and simple to navigate.
goodsquarry.shop – There’s a solid selection here and the prices look fair.
curious shopper’s hub – First visit impressed me with the range of products available.
shadowshowcase product hub – Interesting offerings presented clearly, I’ll revisit to explore more.
the revenue harbor website – Useful materials here for developing sustainable online revenue models.
Kelnix Store – Diverse items that feel well-curated and thoughtfully arranged.
Smart Picks Acorn – Professional appearance and smooth navigation make shopping enjoyable.
The Cerlix Spot – A polished shopping hub offering intuitive navigation and high-quality products.
Xerva Picks – The store is well organized, making product browsing a breeze.
Aerlune Treasures – A tranquil shop featuring carefully curated items for a refined shopping experience.
Browse Liltharbor – Clean layout helps me find exactly what I need.
Velvet Select – Checkout process was simple and reliable, perfect for someone new to the site.
keepcrate product hub – Smooth navigation and clearly organized items enhance the browsing experience.
shakerstation.shop – Great selection of items, navigating the site was simple and smooth.
prenvia shopping corner – Effortless browsing with fast-loading pages and clear product visuals.
check this resource – Packed with opportunities to strengthen your digital earning potential.
Discover Amber Aisle – Product details are clear and prices feel fair, which I really like.
premium accessory hub – The content is well-written and gives a clear idea of each item.
Xerva Essentials – Browsing items is hassle-free with the clean and organized layout.
Icicle Mart – A sharp and efficient marketplace focused on clarity and convenience.
Wavlix Store – Loved the product range and the overall shopping process was smooth.
this design hub – Impressive visuals and modern presentation make browsing enjoyable.
JollyVendor Online Shop – Items priced well and the checkout experience was smooth and easy.
Go to GarnetDock – It’s organized clearly with smooth navigation throughout.
cometcrate official store – Fun and creative selection, items appear carefully chosen and appealing.
this shopping hub – Good variety offered and the prices look very reasonable.
Dapper Choice – Seamless process and overall pleasant shopping experience.
the ryzen realm website – Clean presentation and engaging tech theme made browsing easy.
The Xerva Spot – Store feels well-arranged, making product browsing today a smooth experience.
Yield Mart – A practical and value-driven store offering rewarding choices every day.
shieldshopper trust hub – Well-organized and professional, the site feels reliable for every visitor.
Discover WhimVendor – Reliable experience and I plan to come back in the future.
NimbusCart collections – I enjoyed a fluid shopping session and checkout was completely smooth.
Grenvia specials – Browsing felt effortless and the checkout process was quick and simple.
JewelAisle catalog – Smooth interface and variety of items make browsing enjoyable today.
MeridianBasket online – Good mix of items with pricing that looks attractive and competitive.
Umbramart shopping hub – Website performance was excellent and shopping was stress-free.
visit briskparcel – Quick and secure checkout, navigating the site is effortless.
shopnshine gallery hub – Fun, modern presentation with trendy products that suit any budget.
SafeSavings online – Helpful promotions appear often, supporting smarter financial choices.
TerVox Storefront – Representatives were courteous and provided prompt help.
discover FlintCove – Great products at fair prices make shopping enjoyable right now.
MaplePick Store – I really like the wide range of items and the pricing feels reasonable.
Wenvix shop online – The purchasing process was quick, easy, and completely hassle-free.
quirkcove.shop – Unique vibe throughout the store, really stands apart visually.
Plumparcel specials – The simple design and easy-to-navigate categories made shopping enjoyable.
signalstation strategy page – Helpful tips and practical examples make it easy to follow marketing ideas.
LagunaVend Store – Sleek aesthetic, presentation looks polished and contemporary.
the seam story website – A charming space filled with thoughtfully presented designs.
adster – Overall, professional vibe here; trustworthy, polished, and pleasantly minimal throughout.
reacho – Appreciate the typography choices; comfortable spacing improved my reading experience.
ParcelMint deals – Everything I wanted was readily available and browsing was smooth.
glenvox product page – Checkout feels fast and intuitive, browsing was straightforward.
Zestycrate online – Items were interesting and completing the order was worry-free.
RavenAisle online – Spotted some rare products that I couldn’t find anywhere else.
offerorbit – Mobile version looks perfect; no glitches, fast scrolling, crisp text.
sitefixstation repair corner – Troubleshooting instructions are clear and simple to apply.
promova – Appreciate the typography choices; comfortable spacing improved my reading experience.
visit nightcrate – Products look interesting, I’ll likely check it out again soon.
rankora – Found practical insights today; sharing this article with colleagues later.
SearchSignal shop online – Insightful recommendations that can quickly enhance marketing plans.
LatchBasket Store – Nice selection, definitely worth bookmarking for future shopping.
visit Jaspercart today – Pricing felt fair and placing an order was effortless.
discover QuillMarket – Navigating the site is smooth and enjoyable.
trendfunnel – Mobile version looks perfect; no glitches, fast scrolling, crisp text.
this sitemap portal – Beginner-friendly design makes mapping websites straightforward.
HollowCart shopping hub – Moving between pages was intuitive and responsive even on an older device.
scaleify – Navigation felt smooth, found everything quickly without any confusing steps.
this shopping hub – Finding items was simple, interface feels clean and responsive.
Dollyn collections – Support answered immediately and my problem was solved fast.
check these products – Well-presented products with descriptive details that make shopping easy.
socialsignal resources – Practical marketing insights with a fresh and smart approach.
seasprayshop coastal corner – Relaxed seaside visuals paired with sensible product choices.
Harlune boutique – I appreciated the speedy reply and thoughtful help provided.
BasketBerry deals – I received a swift and friendly reply from customer support last night.
elvorax shopping corner – Smooth navigation and fresh design make the user experience pleasant.
Lemon Lane collections – So many choices and the site layout makes sense.
VelvetPick Store – Professional-looking visuals, items are presented very neatly.
securestack resources – Intuitive layout and noticeable security-first approach throughout the site.
DahliaNest products – Listings are detailed, clear, and informative for anyone browsing.
Gildcrate collections – The turnaround time was impressive and the quality really stood out.
visit WovenCart today – Shipment was prompt and packaging was intact and neat.
SerpLinkRise marketplace – Insightful SEO content with a focus on actionable steps for beginners.
LoftLark online – Smooth and intuitive layout, shopping feels convenient and easy.
KettleCart offers – The design keeps things simple and product information is presented well.
YoungCrate specials – Items are reasonably priced compared to similar stores on the web.
explore Scarlet Crate – I like the simple structure and straightforward layout of this website.
Xarnova Store – Clean presentation and fresh design give a reliable shopping experience.
Werniq shopping hub – Completing my order was fast and I appreciated the convenient payment options.
Dorlix specials – The interface is sleek, clean, and feels very professional.
Quartz Vendor Selections – Simple menus and clear layout make shopping enjoyable.
discover Indigo Aisle – The site was engaging and I’ll happily return in the near future.
JetStreamMart shopping hub – The browsing experience is easy, smooth, and fun.
Oak Vendor Marketplace – Easy navigation and smooth experience made finding products simple.
Rackora Home – Loved the assortment and shopping flows smoothly.
The Zen Spot – Shopping here has been really fluid and straightforward lately.
Brisk Harbor Online – Quick delivery and a stress-free process made the experience enjoyable.
Urbanparcel Store – Navigation is seamless and the products seem genuinely appealing.
Willowvend Specials – Very neat design and browsing categories is simple and effortless.
Silver Vendor Store – Payment process was fast and hassle-free throughout.
For those seeking an exceptional online gaming experience, [maxispin.us.com](https://maxispin.us.com/) stands out as a premier destination. At Maxispin Casino, players can enjoy a vast array of pokies, table games, and other thrilling options, all accessible in both demo and real-money modes. The casino offers attractive bonuses, including free spins and a generous welcome offer, along with cashback promotions and engaging tournaments. To ensure a seamless experience, Maxispin provides various payment methods, efficient withdrawal processes, and reliable customer support through live chat. Security is a top priority, with robust safety measures and a strong focus on responsible gambling tools. Players can easily navigate the site, with detailed guides on account creation, verification, and payment methods. Whether you’re interested in high RTP slots, hold and win pokies, or the latest slot releases, Maxispin Casino delivers a user-friendly and secure platform. Explore their terms and conditions, read reviews, and discover why many consider Maxispin a legitimate and trustworthy choice in Australia.
Through the use of AI technology, MaxiSpin.us.com guarantees that your content shines in a competitive landscape.
**Features of MaxiSpin.us.com**
The platform also provides a strong spin-text generator, letting users easily produce distinct versions of their content.
**Benefits of Using MaxiSpin.us.com**
The platform is also cost-effective, providing high-quality content at a fraction of the cost of traditional methods.
Acornmuse Outlet – Browsed through the products, everything looks premium and well made.
TrendNook Marketplace – Smooth site performance with well-presented products.
Fioriq Styles – Came across fresh designs and the checkout system was very intuitive.
Go to TinyHarbor – The offers are strong, this site is staying in my favorites.
Official Listaro Site – Everything is easy to locate and products are neatly displayed.
Quick Shop Night – Plenty of choices and pricing looks fair for most customers.
Xerva Marketplace – Nice, clean layout made browsing products today fast and easy.
Torviq Marketplace – Found several products that caught my eye while browsing.
Isveta Hub – Recently stumbled upon this store and really appreciated the diverse products.
Click for Evoraa – Very responsive site with clearly displayed item information.
wildcrate.shop – The design feels modern and pages load very quickly on mobile.
LiltStore Marketplace – Very smooth experience navigating through products this evening.
shop the Slate Vendor brand – Moving around the site is simple and enjoyable.
Inqora Direct – User-friendly layout and shopping is hassle-free.
Browse Yovique – Loved how fast the site is and how easily I could browse products.
Shop at Upcarton – Everything runs swiftly and it’s easy to find sections.
Artisanza Shopping – Nicely organized offerings and swift performance across mobile platforms.
RoseOutlet Store – Found some great items, and purchasing went without a hitch.
The Zintera Spot – Site responds quickly and the layout looks modern and neat.
Yolkmarket Boutique – Checkout felt easy and everything processed without any issues.
Xerva Marketplace – Nice, clean layout made browsing products today fast and easy.
Shop at VioletVend – Browsing is straightforward and items look excellent.
Stone Vendor Online – Support team replied quickly and resolved everything without hassle.
Browse Tillora – Products easy to find and completing checkout was straightforward.
Discover Parcelbay – Everything is arranged nicely and placing an order was simple.
check out Grain Vendor – The items look great and the pricing feels right.
Ulveta Specials – Everything is neatly presented and moving around the site is easy.
Easy Carta Online – Very smooth browsing and the payment went through without any problems.
QuartzCart Direct – I was able to identify the perfect item in just a few clicks.
Go to OrderWharf – Each product listing is clear, helping me make choices quickly.
Official BasketMint Site – Site is responsive and browsing through product sections is simple.
Ivory Aisle Specials – The service team replied right away and clarified all my doubts.
Ravlora Online – Customer service acted quickly and handled my problem effortlessly.
Dervina Boutique – Lots to explore and pages open very fast.
Xerva Marketplace – Nice, clean layout made browsing products today fast and easy.
Plum Vendor X Store – Smooth browsing experience with clearly defined product sections.
Harniq Collection – Found exactly the item I wanted and checkout felt smooth.
BloomTill Shopping – Pages open quickly and the design is tidy.
Discover Frentiq – Items seem top-tier and buying was straightforward.
Marketlume Online Shop – The variety is broad and the site responds quickly.
discover Summit Vendor – I’ll definitely be back to buy more items.
Discover Wistro – I found the product pages informative and the purchase process smooth.
Discover ZenCartel – Layout feels clean and modern, making browsing effortless.
Worvix Treasures – Completing the purchase was simple, and payment options were trustworthy.
Official Quvera – Easy to browse and checkout works without problems.
Thistletrade Outlet – Categories make browsing smooth and products are easy to find.
Shop Quickaisle Online – Attractive deals show up consistently and the layout makes exploring simple.
Xerva Hub – Simple, neat layout makes it easy to browse products quickly.
shop Ruby Aisle online – Everything is clearly displayed and effortless to navigate.
KindleMart Collection – Interesting selection and the website loads in no time.
Quistly Shopping – Great selection, and browsing around is effortless.
Walnutware Direct – Helpful product descriptions and smooth site layout.
Ebon Lane Select – Clean interface and responsive pages enhance the shopping experience.
Official Mistcrate Site – Came across some fascinating products that I think are worth seeing.
PureValue Deals – Creative and immersive website that inspires exploration.
Varnelo Shop Online – Detailed product info and very simple navigation overall.
Irnora Select – Hard-to-find items make this shop stand out from regular online marketplaces.
Irvanta Shopping – Products seem durable and the pricing is reasonable.
Xerva Hub Online – Overall, the store is organized well and exploring items today felt effortless.
Official Knickbay Site – Every listing includes comprehensive details that guide purchasing decisions.
GiftMora Store – Pages load fast and items are easy to locate.
Jarvico Shop Online – Fast-loading pages make browsing simple and easy.
visit Spring Crate shop – User-friendly layout and smooth browsing make this a site to save.
AisleGlow Store – Easy to move around the site and sections are clearly organized.
Cindora Specials – Well-organized sections make browsing very easy.
Kiostra Outlet – Enjoyed smooth navigation and immediate page loading.
Click for Mavdrix – Smooth interface, instant page loads, and very simple checkout.
Borvique Boutique – Modern aesthetic with a navigation system that works perfectly.
Fintera Essentials – Intuitive menus and well-structured categories make finding products fast.
Zinniazone Shopping – Had a great time checking out the site and seeing all the new products.
Xerva Choice – Layout is very user-friendly, and checking out products today was simple.
Hivelane Products – Everything looks clean and items are grouped in a very practical way.
Volveta Shopping – The site feels organized and I got exactly what I needed.
browse Sage Vendor – Clear categories and fast-loading pages make browsing enjoyable.
Find Lark Webstore – Well-structured pages and shopping is straightforward.
Ulvika Deals – Clear details about each item and a very accessible layout.
stackhq – Mobile version looks perfect; no glitches, fast scrolling, crisp text.
LemonVendor Products – The overall buying experience was smooth and convenient.
Browse Sovique – Items are easy to find and overall costs seem reasonable.
cloudhq – Bookmarked this immediately, planning to revisit for updates and inspiration.
Official XoBasket Site – Finding products is simple thanks to clear navigation.
Explore Wardivo – Smooth navigation and a well-organized selection of products.
bytehq – Color palette felt calming, nothing distracting, just focused, thoughtful design.
Discover Acorn Aisle – Easy navigation and a polished layout make shopping a pleasure.
Xyloshop Products – Modern feel and mobile experience is smooth.
Xerva Treasures – Layout is user-friendly, and finding products today was quick and easy.
Uplora Deals – Product range is enjoyable and the costs look reasonable.
Visit EchoStall – Everything looks well organized and the descriptions are straightforward.
Prolfa Home – I found the ordering steps easy to follow and payments were processed without delay.
devopsly – Appreciate the typography choices; comfortable spacing improved my reading experience.
IrisVendor Shopping – Pages open rapidly and the products appear nicely made.
stackops – Bookmarked this immediately, planning to revisit for updates and inspiration.
flarion.shop – Enjoyed exploring the categories, everything seems organized nicely here.
Discover Clovent – Fast page loads and a clean, contemporary site design.
FernBasket Store – High-quality items and pages open smoothly without delays.
KindBasket Boutique – Everything looks good quality and the product info is easy to understand.
Amber Select – Love how pricing is honest and product details are easy to read.
Glentra Outlet – Overall functionality is great and the product details are very useful.
Xerva Hub Online – Overall, the store is organized well and exploring items today felt effortless.
FlairDock Webstore – Products look tempting and the ordering process is very simple.
Caldexo Specials – Each item’s details are clearly presented and easy to interpret.
Softstall Hub – Overall collection is solid and current costs seem attractive.
kubeops – Loved the layout today; clean, simple, and genuinely user-friendly overall.
OliveOrder Deals – Everything is well organized and navigation runs smoothly.
JunoPick Marketplace – Quality merchandise and a simple, smooth checkout.
Discover XenoDeals – Layout is tidy and I can find items almost instantly.
Iventra Products – Categories are well organized and pages load quickly.
Explore Pentrio – I completed my purchase in just a few simple clicks.
Xerva Treasures – Layout is user-friendly, and finding products today was quick and easy.
Dapper Select – Overall shopping experience was smooth and very satisfying today.
Serviq Specials – Planning to revisit shortly to check out more selections.
NobleVend Store – This site is going straight into my favorites for later shopping.
Visit Merchio – The design feels up-to-date and the merchandise appears top notch.
this web store – Navigation feels natural and the overall design is appealing.
Grivor Deals – Everything worked without issues and browsing felt seamless.
click to explore – The site feels structured and everything is easy to find.
Elnesta Shopping – Everything operated as expected and checkout was fast.
Click for Quinora – Very simple to use and finding products was quick.
Visit VelvetHub – Marking this site to come back for more shopping later.
Explore Olvesta – I’m marking this down for future shopping days.
Xerva Hub – Simple, neat layout makes it easy to browse products quickly.
Auricly Online – Really like the layout, products are displayed nicely.
product hub – Everything is neatly structured, allowing smooth navigation.
Zest Vendor – A vibrant shop filled with energetic picks and exciting discoveries.
featured website – I found the browsing experience refreshingly straightforward.
Everaisle Styles – I plan to return here soon for browsing more products.
Lormiq Website – Adding this to my favorites to shop again later.
knowledge base – I discovered several helpful insights while browsing.
Larnix specials – Layout is modern, neat, and the site is highly user-friendly.
Wavento Selection – Browsing is effortless and checkout works perfectly.
workwhim shop link – Content is clear, pages respond quickly every time.
official storefront – There’s a sense of originality and real value in the content.
Up Vendor – A forward-thinking store built to elevate your everyday shopping experience.
Explore Funnel Foundry – Nice design with a polished, professional feel.
Stylish boutique shop – Pages are organized clearly and easy to read.
Visit Wardrobe Wisp – Clean interface with easy-to-follow sections throughout.
Spice Craft Resources – Well-arranged sections allow for effortless movement throughout the site.
Trail Trek Essentials – Fast pages with well-defined sections make exploring easy.
check this website – Pages load quickly, and the layout is easy to follow.
Yelnix specials – Smooth menus and clear layout allowed me to locate products easily.
click to read – The content feels substantial and well-articulated.
explore this page – The interface is clear and user-friendly throughout.
online catalog – Browsing is quick and everything works exactly as expected.
Visit Hyvora – Smooth browsing experience and checkout was simple.
Inbox Institute Official – Very clear structure and everything is easy to find.
Kind Vendor – A friendly and thoughtful marketplace offering reliable and pleasant service.
Garden supplies portal – Pages are structured logically and the flow feels natural.
elmemporium.shop – Interface is neat and browsing through pages is seamless.
Pot & Petal Hub – Easy-to-follow sections make exploring the site simple.
luggageledger.shop – Very clear layout, locating products is straightforward and quick.
DuneParcel specials – Really grateful for the quick replies and helpful guidance from support.
browse this page – The interface is tidy and moving between sections is effortless.
visit this website – The structure is straightforward and user friendly.
digital shop – Navigation is simple, and the content is clear and concise.
Leather Lane Official – Well-organized pages make it easy to find what you need.
Gym Gear Junction Store – Navigation is intuitive and content is well arranged.
Heirloom Horizon Boutique – Well-laid-out sections provide a pleasant browsing experience.
Nervora – A daring digital storefront crafted to match contemporary style and preferences.
Clothing and style store – Pages are organized neatly and easy to read.
Interior Marketplace Hub – Clear interface and tidy presentation enhance browsing.
direct shop link – Moving around the site is easy, with clear organization throughout.
Relvaa marketplace – Checkout was quick and the payment choices made the process easy.
digital marketplace – The design is clean and the layout is easy to follow.
learning resource – Everything is structured logically, helping users navigate smoothly.
Mint & Mason Store – Layout is tidy and exploring pages feels natural and intuitive.
browse here – Navigation feels natural and the layout is well-organized.
Digital branding hub – The layout is friendly and everything feels easy to explore.
Ginger products online – Vibrant design and clear sections make it easy to explore.
Finance tools hub – Pages are clear and easy to navigate with a professional look.
Silk Online Hub – Layout is straightforward and content is easy to digest.
Shop Meadow – A peaceful shopping hub featuring handpicked items with natural appeal.
discover Zarniq – Delivery was prompt, and the package looked secure and well-presented.
shop link here – Simple structure with fast-loading pages throughout.
tech site page – Fast loading and stable navigation create a great experience.
Salt & Satin Official – Well-organized pages with intuitive navigation throughout.
Streaming tools store – Pages are easy to follow and content loads rapidly.
Visit Macro Merchant – Clear sections and logical flow make everything easy to find.
featured shop – The site responds rapidly and keeps things simple.
Finance portal online – Content is accessible and the pages are visually appealing.
Shop Lotus Loft – Well-laid-out pages make finding information quick and effortless.
this web store – Clear structure makes it easy to browse through pages.
[url=https://shumoizolyaciya-torpedy-77.ru]шумоизоляция торпеды[/url]
Zolveta Store – The clean design and organized categories made browsing very easy.
Item Whisper – A smart and intuitive platform helping you discover hidden gems with ease.
шумоизоляция дверей авто https://shumoizolyaciya-dverej-avto.ru
web shop portal – Straightforward navigation makes the site enjoyable to browse.
Shop Whisk Warehouse – Structured interface ensures smooth browsing across pages.
cider info page – There’s a real sense of character in the way it’s displayed.
Thyme Thrift Boutique – Tidy sections with a polished, user-friendly design.
product hub – The design is clear, modern, and makes finding information easy.
Finance Fjord Boutique – Navigation is simple and the site feels well-organized.
Sublime Summit Online – Navigation is effortless, and the design looks professional overall.
adscatalyst – Loved the layout today; clean, simple, and genuinely user-friendly overall.
visit DepotLark today – Product details are well-written, accurate, and very useful for customers.
clickrevamp – Appreciate the typography choices; comfortable spacing improved my reading experience.
promoseeder – Found practical insights today; sharing this article with colleagues later.
Honey & Hustle Online – Simple layout with intuitive flow between sections.
this online shop – Layout is clean and finding information feels effortless.
monarchmosaic.shop – The layout is clean and navigating the site feels effortless.
browse the festival – Event information is direct, clear, and easy to follow.
Needlework store online – Navigation is effortless and content is clearly presented.
visit this platform – The content is presented in a way that feels logical and user-friendly.
shopping platform – Simple structure and clear navigation make the experience pleasant.
SEO Tools Portal – Simple structure and clear sections enhance the overall experience.
serpstudio – Pages loaded fast, images appeared sharp, and formatting stayed consistent.
leadspike – Mobile version looks perfect; no glitches, fast scrolling, crisp text.
HazelAisle shop online – My experience has been smooth, enjoyable, and stress-free today.
Server Summit Resources – Well-structured sections allow effortless movement through the site.
shop portal – Design is clean and intuitive, which makes exploring enjoyable.
filterfable.shop – The site is well-organized and browsing feels smooth.
trafficcrafter – Appreciate the typography choices; comfortable spacing improved my reading experience.
featured gaming site – I appreciated how engaging and smooth everything appeared.
Fork & Foundry Resources – Pages are structured neatly and browsing is effortless.
online store page – The approach seems creative and up to date for today’s trends.
Kitchen Kite Official – Navigation is simple and content is clearly structured.
Cabin decor hub – Clean interface with well-laid-out sections for easy navigation.
visit email essentials – Clean design and clear headings help browsing feel effortless.
White Noise Wonder Online – Simple layout and smooth flow make navigation pleasant.
film hub – Everything is well-organized and creatively presented.
check this website – Sections are well-arranged, and moving around the site is effortless.
Fig & Fashion Boutique – User-friendly design with well-organized sections.
product hub – Navigation is fast and the layout is very user-friendly.
Driftwood Interiors – Neatly arranged pages make finding information quick and convenient.
Cotton Corner Official – Pages are well-structured and content is easy to follow.
bloomvendor.shop – Such a pleasant browsing experience with lovely selections available.
bondedpro.bond – Modern interface, messaging feels authoritative yet approachable.
engine emporium link – Clean structure helps users quickly locate the right info.
Chocolate Chasm Online – Well-arranged content with a polished and enjoyable feel.
Captain’s Closet Online – Every purchase is simple to complete and the outfits are consistently on point.
Daisy Crate Experience – I always find a good selection and enjoy a hassle-free checkout.
Basket Wharf Hub – Pages load quickly and the site layout is very tidy and user-friendly.
auditpilot – Mobile version looks perfect; no glitches, fast scrolling, crisp text.
Online stock portal – Logical layout and simple navigation throughout the site.
this project site – The idea is imaginative and the pages are neatly structured.
Alpine Vendor Store – I enjoy the simple interface and smooth navigation throughout.
Click to Explore – The site is straightforward to use and visually appealing.
Visit Meal Prep Manor – Clean interface with intuitive navigation throughout the site.
Your Go-To Shop – Easy to move around, reliable site, and overall shopping is stress-free.
direct shop link – The site is clean, and finding content feels very easy.
Your Go-To Shop – Browsing is easy and finishing purchases is fast and hassle-free.
reliapure.bond – Polished presentation, content conveys transparency and dependable guidance.
leadvero – Appreciate the typography choices; comfortable spacing improved my reading experience.
authoritylab – Appreciate the typography choices; comfortable spacing improved my reading experience.
Prairie Vendor Collection – I enjoy the tidy layout and how smoothly content loads.
direct shop link – Pages open instantly, and navigation is straightforward.
Visit Merniva – Found some great items and the costs are quite fair.
Saucier Studio Website – Each item feels thoughtfully designed and truly one-of-a-kind.
Trending Items Store – The site performance is excellent and I found some amazing deals.
Explore Popular Products – Browsing is intuitive, convenient, and the shopping process feels seamless.
Amber Bazaar Collection – Unique selection with fair and reasonable pricing.
their shop page – The interface is sleek and engaging, perfect for browsing content.
jointpath.bond – Intuitive navigation, site promotes unity and shared understanding.
Find Exclusive Items – Images are easy to view and the products are clearly presented.
Lark Vendor Online Shop – Listings include original products accompanied by useful descriptions.
Explore Zipp Aisle – The checkout was fast, simple, and stress-free.
Premium Autumn Bay Shop – Moving between categories is easy and item descriptions are thorough.
Curated Collections – The site is simple to navigate, shopping is easy, and everything feels reliable.
Formula Forest Marketplace – There’s a strong selection here, and the checkout rarely slows you down.
brisklet.shop – Navigation works perfectly and content is clear to read.
Official Amber Outpost – Fast checkout experience and pages load very quickly.
silvercrestbond.bond – Professional design, content communicates stability and quality with clean presentation overall.
online retail site – Browsing feels smooth, with clear and well-arranged sections.
Winter Vendor Online – Pages load smoothly and navigating the site feels straightforward.
Your Go-To Shop – Browsing is easy, pages respond fast, and navigating the site feels intuitive.
Your Go-To Shop – Variety is great and completing orders is straightforward.
Visit Varnika – I appreciate the clear organization and logical grouping of items.
Discover Calm Cart Deals – Browsing is convenient, and the overall navigation is smooth and dependable.
Silver Stride Online – Exploring products is quick and easy because of the tidy layout.
direct shop link – Pages are well-organized and easy to navigate.
silvertrail.bond – Sleek navigation, content inspires trust and presents ideas clearly.
Shop Amber Wharf – The layout is minimal and products are neatly organized.
Official Elm Vendor – The options are solid and the costs seem very fair right now.
Browse Bay Basket – Pages open quickly and the navigation is smooth and intuitive.
Explore Popular Products – Browsing is intuitive, convenient, and the shopping process feels seamless.
Xenonest Store – Friendly atmosphere with very informative product descriptions.
Top Picks Online – I love seeing new items and seasonal updates posted frequently.
Explore Inventory Ivy – The listings contain practical details that answer common questions.
solidpoint.bond – Clean presentation, pages highlight reliability and a professional approach.
click to explore – So far, everything seems clear and helpful content is easy to find.
datadev – Found practical insights today; sharing this article with colleagues later.
visit this platform – The structure is clear, making navigation feel seamless.
applabs – Content reads clearly, helpful examples made concepts easy to grasp.
Explore Apricot Aisle – The browsing experience is great and product details are useful.
dataops – Color palette felt calming, nothing distracting, just focused, thoughtful design.
trycloudy – Content reads clearly, helpful examples made concepts easy to grasp.
Official Bay Crate Store – Quality products and clearly organized categories make shopping enjoyable.
Visit Rooftop Vendor – Quick and professional support made resolving my questions easy.
Find Exclusive Items – Smooth navigation and a convenient layout make shopping effortless.
Soft Parcel Online – Pages are quick to load and the interface is intuitive.
gobyte – Navigation felt smooth, found everything quickly without any confusing steps.
Premium Online Store – User-friendly navigation combined with trustworthy performance throughout.
steadfastbond.bond – Professional interface, messaging conveys trust and a grounded user experience.
getbyte – Pages loaded fast, images appeared sharp, and formatting stayed consistent.
digital shop – The site feels lively and moving between sections is easy.
Explore Network Nectar – Each page loads promptly and it’s easy to find what you need.
Apricot Crate Shop Now – Quality products and easy navigation through checkout.
Shop Berry Crate Online – Browsing is simple and locating what I need takes no time.
calmcart.shop – Shopping is simple, convenient, and navigating the site feels effortless.
Shop Cherry Vendor – Frequent updates make browsing the latest arrivals a pleasure.
Explore Fetch Bay – The site design is clear, and making purchases is easy and fast.
getkube – Overall, professional vibe here; trustworthy, polished, and pleasantly minimal throughout.
anchorway.bond – Simple navigation, messaging conveys security and a professional tone effectively.
jolvix.shop – Simple design but it definitely gets the job done.
ecommerce site – Everything is presented clearly, making the overall experience pleasant.
trystack – Color palette felt calming, nothing distracting, just focused, thoughtful design.
usebyte – Mobile version looks perfect; no glitches, fast scrolling, crisp text.
Official Network Nectar – The layout is user-friendly and pages load without delay.
Curated Collections – The site is simple to navigate, shopping is easy, and everything feels reliable.
Your Go-To Shop – Whenever I reach out, support responds fast and solves issues efficiently.
Your Style Destination – The browsing experience is fluid and highly responsive.
Tally Cove Marketplace – Browsing is easy, and the shopping experience remains consistently good.
Order Grove Collection – Nice variety of products and finding what I need is quick.
tobiasinthepark marketplace – The overall feeling is wonderful, and attention to detail is evident.
firmfoundation.bond – Simple interface, pages feel grounded and emphasize trustworthiness clearly.
dewdock collection – Neat presentation and easy-to-use layout made exploring effortless.
feathercrate outlet – The site feels well-arranged and navigation is straightforward.
check this website – Everything is clearly organized and browsing feels effortless.
fireflymarket essentials – Clean structure and intuitive navigation make shopping effortless.
frostdock showcase – Well-organized pages and smooth browsing make shopping a breeze.
calmcart.shop – Shopping is simple, convenient, and navigating the site feels effortless.
Start Shopping Here – The vibe is sleek yet approachable, ideal for both serious and casual buyers.
Jade Aisle Online – Their catalog looks solid and the rates are quite reasonable.
Maple Vendor Marketplace – The site offers a range of items with quality photos for each listing.
Acorn Crate Specials – Navigation is intuitive and the interface runs very smoothly.
Premium Picks Online – An impressive assortment with an inviting overall feel.
gladegoods picks – Everything is neatly structured, making exploration simple.
information portal – A short browse reveals the pages are clear and content is easy to understand.
harborwharf – Simple and clear structure, makes exploring products very easy.
furkidsboutique product range – Cute finds throughout and exploring each page was effortless.
sbventures.bond – Clear and approachable, site communicates stability and professionalism naturally.
featherfind web store – Navigation is seamless and pages are organized clearly.
fireflyvendor curated shop – Easy-to-follow design and organized pages improve navigation.
driftaisle deals page – Layout is clean and navigation feels intuitive and smooth.
Browse Calm Cart – Overall navigation is simple, and the experience is convenient and stress-free.
Explore the Collection – Updates come regularly and the latest arrivals are always easy to browse.
frostgalleria – Very clean layout and browsing feels smooth and intuitive.
Visit Harbor Lark – Everything functions well and loads quickly on smartphones and tablets.
Alpine Aisle Marketplace – Browsing is easy and dependable, making shopping stress-free.
visit glimmercrate – Simple design helps find products quickly and clearly.
BloomVendor Online Store – They come across as committed to helping customers fix any complications.
harborwharf hub shop – Logical navigation and clear visuals make exploring products effortless.
auravendor.shop – I had a great time browsing the catalog and finding fresh picks.
visit coralmarket – Everything was easy to locate and paying took just a moment.
feathervendor outlet – Tidy pages and intuitive navigation make browsing easy.
flakecrate – Navigation is smooth and everything loads quickly.
driftcrate outlet – Neat pages and simple interface make browsing products effortless.
shop garnetcrate – Simple design and intuitive navigation make shopping enjoyable.
glowgalleria store – User-friendly interface and neat presentation throughout the site.
Start Shopping Here – Navigation is simple, and the assortment makes shopping enjoyable.
harborwharf browse – Fast-loading pages and structured layout make shopping simple.
Gold Vendor Boutique – The overall style appears refined and comfortably welcoming.
<auroraaisle.shop – The platform feels dependable and simple to navigate.
cottoncounter essentials – Pages loaded neatly and navigation felt intuitive.
shop flakefind – Simple interface and organized sections make finding products easy.
visit fernaisle – Everything is organized neatly, making navigation effortless.
getstackr – Bookmarked this immediately, planning to revisit for updates and inspiration.
visit garnetgoods – Straightforward layout and smooth interface enhance the experience.
goldenvendor treasures – Easy to explore with tidy organization across all pages.
usestackr – Pages loaded fast, images appeared sharp, and formatting stayed consistent.
cloudster – Loved the layout today; clean, simple, and genuinely user-friendly overall.
iciclemarket – Just discovered this store today, products look interesting and worth checking.
driftwharf essentials – Items are attractively arranged and the explanations are useful.
deployly – Appreciate the typography choices; comfortable spacing improved my reading experience.
harborwharf essentials – Clear structure and tidy presentation simplify exploring products.
Shop Trending Items – Support team was attentive and resolved my queries without any delays.
look at lemonloft – Website seems clear and minimal, convenient for checking products.
see this website – Stumbled on this page and the browsing experience looks smooth and intuitive.
browse this page – Came across this site, the structure feels clear and accessible.
cottoncrate fashion hub – Everything worked seamlessly and I secured what I was after.
flintcrate online shop – Clean design and well-laid-out pages make browsing easy.
check them out – Came across this page recently, navigating products feels smooth and effortless.
fernfinds official shop – Pages are responsive and navigation feels seamless.
graingalleria online – Everything is clearly displayed and browsing feels smooth and simple.
garnetmarket outlet – Simple layout makes finding items a smooth process.
icicle outlet store – Seems like a solid website to browse if you’re hunting for good bargains online.
visit harborwharf – The site is intuitive and shopping feels straightforward.
duneaisle product range – Clear presentation and structured layout make browsing effortless.
visit here – Noticed this during a quick search and it looks fairly easy to use.
browse this page – I found this store today, and everything seems easy to explore.
quick check – Stumbled on this platform, navigation looks smooth and exploring products is easy.
byteworks – Loved the layout today; clean, simple, and genuinely user-friendly overall.
check this store – Found this link recently, the layout makes browsing easy.
Explore the Collection – Navigation is simple and finding items feels quick and easy.
cottonvendor – The items appear well-made and the details are easy to understand.
stackable – Loved the layout today; clean, simple, and genuinely user-friendly overall.
Flint Folio Online – Everything is neatly displayed, making it easy to find what you need.
grainmarket features – Easy-to-use design makes finding items fast and convenient.
interesting website – Just found this link, moving through products is simple and quick.
fernvendor featured picks – Pages are clearly structured and navigating is easy.
official gildaisle – Clean layout makes exploring products simple and enjoyable.
tundracrate – I just checked out this site and the layout feels tidy and simple to move through.
harborwharf browse – Fast-loading pages and structured layout make shopping simple.
interesting store – Stumbled upon this page today and the design feels tidy and easy to check out.
check this out – Ran into this page while browsing and it feels quick and easy to explore.
check them out – Came across this page recently, moving through items is effortless.
datavio – Loved the layout today; clean, simple, and genuinely user-friendly overall.
florafinds picks – Clean pages and easy navigation make shopping quick.
covecrate curated shop – Great store vision and a product lineup that feels expertly selected.
explore granitecrate – Simple design and clear categories make shopping enjoyable.
Discover Best Deals – Easy navigation and clear product descriptions help me find what I need fast.
fernvendor homepage – Organized pages and intuitive navigation make shopping enjoyable.
link worth checking – Stumbled on this website, layout feels organized and browsing is easy.
gildcorner features – Enjoyed exploring, everything feels clean, well-laid-out, and accessible.
harborwharf hub – Easy-to-use layout with accessible products enhances shopping.
devnex – Navigation felt smooth, found everything quickly without any confusing steps.
online spot – Found this website recently, interface feels organized and exploring is effortless.
bytevia – Found practical insights today; sharing this article with colleagues later.
cool site – Found this page earlier, everything looks tidy and effortless to use.
visit here – Found this link today and the layout feels neat and organized.
floravendor essentials – Layout is tidy and exploring products feels natural.
granitegoods store – Fast-loading pages and neat layout make the experience pleasant.
Creek Cart Store – The site runs smoothly and content appears almost instantly.
fieldfind product range – Neatly structured pages and smooth navigation make browsing easy.
interesting website – Just found this link, browsing items is smooth and effortless.
gingergoods marketplace – User-friendly design and organized layout make it simple to explore.
harborwharf market – Neat structure and clear visuals make finding items effortless.
link worth checking – Stumbled on this website, navigation feels smooth and easy.
harborbundle – Clean design and easy-to-navigate pages make browsing enjoyable.
link worth seeing – Came across this website and the clean layout stands out.
forestaisle – Enjoyed checking out the items, everything feels thoughtfully arranged.
TIM down [url=https://caiu.site/]TIM down[/url] .
Creek Crate Store – Simple design makes it easy to find what I need.
finchmarket curated shop – Organized layout and intuitive browsing improve the shopping experience.
shop gingervendor – User-friendly layout and well-organized sections create a pleasant browsing experience.
harborwharf choices – Everything is clearly displayed, making it easy to shop.
cool site – Found this page earlier, layout is neat and browsing feels convenient.
dataworks – Mobile version looks perfect; no glitches, fast scrolling, crisp text.
browse here – Stumbled on this site, layout looks organized and browsing items is easy.
useful link – I ran into this website today, interface seems simple and practical.
harborwharf picks online – Clear layout and smooth navigation make exploring enjoyable.
forestvendor essentials – Well-laid-out pages and smooth flow make exploring enjoyable.
this platform – I spotted this earlier and the structure looks clean and practical.
creekvendor featured picks – Tidy interface and a professional feel make the site welcoming.
fireflyfind curated shop – Intuitive structure and tidy presentation enhance the browsing experience.
shop gladecrate – Everything feels well organized, making browsing straightforward.
harborwharf choices – Everything is clearly displayed, making it easy to shop.
site I found – Just discovered this page, interface feels intuitive and simple to navigate.
check this site – Found this link today, navigation feels smooth and practical.
site I found – I came across this today and the design feels smooth and simple.
internet down [url=https://caiu.site/]caiu.site[/url] .
rubycrate – Just checked this site, interface feels clear and user-friendly today.
this platform – I noticed this page while searching, layout is clear and items are easy to find.
browse here – Came across this page today, finding products feels effortless and simple.
see this site – Came across this while browsing and it looks like a safe and simple store.
tinytill.shop – I’ll be saving this site to revisit for upcoming purchases.
shopping link – Came across this store today and browsing categories feels simple.
cryptora – Overall, professional vibe here; trustworthy, polished, and pleasantly minimal throughout.
link worth checking – Stumbled on this website, interface seems tidy and navigation is easy.
interesting platform – I ran into this site and the design makes browsing effortless.
Discover Evoraa – Fluid browsing experience and product details are nicely presented.
kubexa – Appreciate the typography choices; comfortable spacing improved my reading experience.
quick browse – Came across this store, interface seems clear and items are easy to explore.
site reference – I checked this website earlier and browsing items feels intuitive.
cloudiva – Mobile version looks perfect; no glitches, fast scrolling, crisp text.
stackora – Pages loaded fast, images appeared sharp, and formatting stayed consistent.
check them out – Came across this page recently, browsing feels effortless and smooth.
netlance – Mobile version looks perfect; no glitches, fast scrolling, crisp text.
visit the platform – Discovered this site earlier and navigating around it was very simple.
this basket collection – I discovered the site today and the interface seems user-friendly.
browse this page – Came across this platform today and it seems well-structured and easy.
devonic – Color palette felt calming, nothing distracting, just focused, thoughtful design.
VioletVend Shopping – Pages are simple to navigate and items look great.
online shop page – Came across this site earlier and browsing products feels intuitive.
apponic – Color palette felt calming, nothing distracting, just focused, thoughtful design.
Honey Central – Pages are tidy and moving through content was easy.
Meadow Hub Online – Well-structured pages make navigating effortless.
Rain Bazaar Spot – Tidy design, moving between pages is easy and smooth.
securia – Bookmarked this immediately, planning to revisit for updates and inspiration.
codefuse – Navigation felt smooth, found everything quickly without any confusing steps.
look at this vendor site – I came across this page today and the layout seems clear and tidy.
trusted vendor link – Checked this site earlier and it seemed like a solid place to look for materials.
rubyvendor – Found this site earlier, layout seems organized and easy to navigate.
Idea playground – A playful and engaging environment built to encourage creativity and experimentation.
Visit Harniq – Everything I needed was there and checkout took no time.
Rain Vendor Depot Hub – Clean structure and simple design make browsing comfortable.
Icicle Stop – Pages feel tidy and navigation works effortlessly.
Mint Shop Online – Clear layout, navigating sections is comfortable.
see the crate corner – Took a quick look here and the simple structure is nice.
valetrade – Came across this platform today, browsing feels straightforward and intuitive overall.
browse the store – Came across this website earlier and it seems trustworthy enough.
Browse KindleMart – Nice collection to explore and the site performance is quick.
Raven Vendor Corner – Simple design and organized sections, moving through pages is easy.
Mint Depot Studio – Pages are tidy, exploring content feels comfortable.
this basket website – I checked this page earlier and the layout is nicely organized.
Icicle Picks Hub – Well-organized pages, exploring content is simple and quick.
sage finds – Just checked this website, layout looks organized and browsing feels convenient.
View the Valleycrate site – The clean design helps visitors quickly find what they’re looking for.
Browse AisleGlow – Well-arranged categories and a user-friendly navigation system.
browse this shop – Gave the site a quick look and the mobile navigation felt very smooth.
River Lane Studio – Tidy pages and simple layout, navigating feels natural.
explore this bazaar – I noticed this site earlier and the layout feels well organized.
Browse the vendor site – Just noticed this store online and its layout keeps everything nicely arranged.
Moon Picks Corner – Smooth pages, browsing sections feels natural.
Ivory Corner – Well-structured pages make navigation comfortable.
Discover the thrill of real-money live casino action at [url=https://maxispin-au.com/]online table games[/url], where you can enjoy live dealers, top software providers, and exclusive promotions.
Active engagement from the community informs the platform’s feature development and optimization.
codestackr – Loved the layout today; clean, simple, and genuinely user-friendly overall.
Ulvika Deals – Clear details about each item and a very accessible layout.
this vault shop – Came across this site today and the design feels very organized.
Rose Vendor Picks – Simple design, exploring the sections feels natural.
joycasino приложение [url=https://t.me/joy_casino_news/]joycasino приложение[/url] .
sagecrate online – Found this platform today, navigation is easy and items are well-arranged.
Explore the store – Found this site recently, and moving through pages feels smooth and straightforward.
заказать кухню под заказ [url=https://zakazat-kuhnyu-4.ru/]заказать кухню под заказ[/url] .
open this vendor hub – Came across this website today and the pages feel well designed.
Moss Corner – Pages are tidy, exploring the site is effortless.
Ivory Picks Online – Well-arranged pages make exploring content easy.
IrisVendor Direct – Fast browsing experience and merchandise appears high quality.
codepushr – Appreciate the typography choices; comfortable spacing improved my reading experience.
devpush – Content reads clearly, helpful examples made concepts easy to grasp.
Rose Market Hub – Clean and clear layout, navigating the site is quick and easy.
crate store link – The site layout looks clear and not confusing at all.
Explore this marketplace – Found the platform earlier and the design makes browsing smooth and straightforward.
mergekit – Bookmarked this immediately, planning to revisit for updates and inspiration.
open this vendor hub – Came across this website today and the interface is tidy and simple to use.
Moss Outlet House – Tidy design, exploring pages is straightforward.
Jasper Depot – Clean structure and browsing content feels natural.
OliveOrder Webstore – Easy-to-use structure and pleasant browsing flow.
Ruby Vendor Market – Tidy sections, browsing through the site feels easy and natural.
заказать кухню с доставкой [url=https://zakazat-kuhnyu-4.ru/]zakazat-kuhnyu-4.ru[/url] .
View this vendor – Found it today; the site is tidy and navigating around is hassle-free.
online browse – Came across this platform, interface looks clear and exploring products is straightforward.
check this warehouse – Browsed the site for a bit and it loads really smoothly.
this vendor platform – Found this page today and the structure makes exploring effortless.
Night Depot Market – Pages are tidy, browsing content is comfortable.
Elnesta Direct – Site worked without issues and checkout was fast and straightforward.
violetmarket – Came across this store, navigation looks clean and intuitive overall today.
Sage Studio Vault – Simple design overall, navigation is fast and easy.
Jewel Picks Hub – Neatly arranged pages, browsing content is straightforward.
check this store – The pages load nicely and the design is easy to follow.
browse copper vendor hub – Found this page earlier and the interface makes exploring simple and smooth.
заказать кухню по индивидуальным размерам [url=https://zakazat-kuhnyu-4.ru/]заказать кухню по индивидуальным размерам[/url] .
TinyTill Specials – Bookmarking now and returning for future deals.
Browse this vendor – Navigation is simple and the layout keeps browsing smooth and efficient.
this shop link – Just found this website today and the structure looks neat and convenient to browse.
Oak Marketplace Outlet – Pages are neatly arranged, exploring the site is comfortable.
Sage Lane Vendor – Tidy website, exploring sections is simple and quick.
Jewel Stop – Smooth interface, exploring pages is effortless.
look at this vendor site – Came across this website and the pages are well arranged and easy to follow.
external vault source – I checked it quickly, and the information appears helpful.
lbs это [url=https://shkola-onlajn-33.ru/]lbs это[/url] .
shipkit – Pages loaded fast, images appeared sharp, and formatting stayed consistent.
seavendoroutlet – The layout is clean and moving between pages feels effortless.
Olive Stop – Clean and organized interface, navigating is easy.
see the coral crate shop – Ran into this page and everything seems clear and easy to follow.
Juniper Selection – Smooth interface, exploring the site is straightforward.
online market source – Just found this, seems like a solid place to browse.
commitkit – Appreciate the typography choices; comfortable spacing improved my reading experience.
scarletvendor – Just came across this website today, everything looks neatly arranged and easy to browse.
testkit – Pages loaded fast, images appeared sharp, and formatting stayed consistent.
Olive Selection Studio – Pages are clean, browsing feels comfortable.
this store link – Just visited and the pages look nicely formatted.
школьный класс с учениками [url=https://shkola-onlajn-33.ru/]школьный класс с учениками[/url] .
browse cotton bazaar hub – Found this page earlier and the pages are clear, tidy, and easy to explore.
Kettle Treasure Hub – Well-arranged sections make browsing effortless.
this vault site – Clean design and the sections seem easy to navigate.
flowbot – Loved the layout today; clean, simple, and genuinely user-friendly overall.
promptkit – Mobile version looks perfect; no glitches, fast scrolling, crisp text.
logkit – Loved the layout today; clean, simple, and genuinely user-friendly overall.
modelops – Loved the layout today; clean, simple, and genuinely user-friendly overall.
Opal Corner – Smooth navigation, the site feels easy to use.
view the marketplace – Tidy pages and straightforward navigation make it pleasant to use.
databrain – Overall, professional vibe here; trustworthy, polished, and pleasantly minimal throughout.
cottonvendorlane – Just visited this site and the layout is tidy with content that’s easy to read.
online shop link – Came across this page recently and the interface seems clear and tidy.
Bazaar Lantern – Clear structure, moving through sections is smooth.
vendor market site – Discovered it through search, looks like a useful place.
Opal Selection Vault – Tidy structure, moving through sections is easy.
see the crystal corner – I found this page earlier and scrolling through it feels seamless.
view the shop – Navigation is effortless and everything appears organized.
Lantern Storefront – Organized pages make browsing effortless.
deploykit – Overall, professional vibe here; trustworthy, polished, and pleasantly minimal throughout.
warehouse vendor page – Found this link online, looks like a credible source.
go to this vendor hub – Stumbled onto this site and the pages feel clean and quick to browse.
see seashopper here – Came across this page today and the interface appears clean and easy to explore.
Orchard Stop Hub – Well-organized pages, moving around the site is easy.
shop link – Minimal interface makes it simple to find what you’re looking for.
Lavender Outlet – Clean design, moving between sections is comfortable.
product warehouse – Pages open fast and the design is clean, making it easy to explore.
go to this marketplace hub – Stumbled onto this site and the interface is clear and simple to use.
класс с учениками [url=https://shkola-onlajn-33.ru/]shkola-onlajn-33.ru[/url] .
Pearl Vendor Corner – Well-organized design, browsing the site feels comfortable.
see the marketplace – Navigation is intuitive and everything feels well organized.
mlforge – Pages loaded fast, images appeared sharp, and formatting stayed consistent.
resource vendor – Discovered this page, feels like a solid and trustworthy site.
shoremarket – Just checked out this marketplace, the layout feels clean and easy to browse.
look at this vendor site – Found this page and the sections are tidy and easy to navigate.
online shop – Noticed this site recently, interface is clean and moving through items is easy.
Pebble Outlet – Clear design, exploring the site is simple.
take a look – Pages load nicely and the structure is easy to follow.
Lemon Stop – Clean interface, exploring sections is effortless.
quick visit here – Just explored this page and the design feels tidy and easy to follow.
онлайн школа ломоносов [url=https://shkola-onlajn-33.ru/]онлайн школа ломоносов[/url] .
take a look – I discovered this page today, layout seems intuitive and well-structured.
Pine Selection – Well-structured website, moving around feels easy.
explore the bazaar – The interface is minimal yet organized, making browsing easy.
Linen Outlet – Tidy design, moving between pages feels natural.
visit shorerack – Came across this site today and the interface looks clear and simple to browse.
take a look here – Discovered this website and the layout makes browsing effortless.
link worth checking – Stumbled on this site, interface looks clean and browsing feels smooth.
smartpipe – Navigation felt smooth, found everything quickly without any confusing steps.
taskpipe – Loved the layout today; clean, simple, and genuinely user-friendly overall.
velvetvendorstudio.shop – Really enjoyed browsing here today, everything looks clean and interesting
opsbrain – Mobile version looks perfect; no glitches, fast scrolling, crisp text.
patchkit – Color palette felt calming, nothing distracting, just focused, thoughtful design.
explore marketplace – Found this platform, everything feels organized and accessible
Plum Treasure – Simple pages, browsing feels effortless.
visit online – Simple layout makes finding information quick and easy.
Maple Central – Organized pages make exploring the site smooth.
visit the vendor page – I noticed this site by chance and exploring the sections is quick and smooth.
explore the catalog – Browsed around for a bit and the design feels pretty straightforward
онлайн школа 10-11 класс [url=https://shkola-onlajn-33.ru/]shkola-onlajn-33.ru[/url] .
guardstack – Content reads clearly, helpful examples made concepts easy to grasp.
useful link – I ran into this website today, browsing products is simple and intuitive.
securekit – Mobile version looks perfect; no glitches, fast scrolling, crisp text.
official bazaar link – The marketplace design is clean and pleasant to use
check this store – First look shows a well-organized platform, navigation is effortless
seavendoremporium hub – Content loads fast and pages are easy to browse
online vendor house – Browsed this site, design is simple yet appealing
TrailVendorSpot – Scanned a few pages, everything seems well-organized and accessible.
see this shop – I noticed this site earlier, and the interface seems clean and easy to follow.
Quartz Market Hub – Well-structured site, navigation feels effortless.
authkit – Mobile version looks perfect; no glitches, fast scrolling, crisp text.
quick shop link – Just visited, interface is neat and browsing feels natural
Maple Central – Organized pages make exploring the site easy.
explore their catalog – The website looks tidy and moving around the menus is easy
official site – Navigation is intuitive and the site feels organized.
reedmarket – Interesting marketplace, products are well arranged and simple to browse.
pipelinesy – Pages loaded fast, images appeared sharp, and formatting stayed consistent.
seller bazaar link – Explored a few sections and the site feels user-friendly
direct shop link – Very user-friendly interface with well-structured content
UplandDealsCenter – Checked out a few areas, the structure feels simple and readable.
discover here – Came across this workshop, navigation feels effortless and logical
silkstone vendor resources – Very readable design, everything feels accessible
Quick Crate Hub – Clean design overall, navigating between pages is easy.
vendor portal link – The platform feels straightforward with clear sections
Marble Outlet – Clean design, browsing the site is comfortable.
check the vendor – The site is well-organized and browsing feels intuitive and smooth.
this platform – I found this site today, interface is organized and easy to browse.
seller bazaar link – Creative items and a clean layout make exploring easy
check vendor hub – Sections are tidy, and browsing feels natural
VendorHubRiverOnline – Checked a few areas, everything is organized and readable.
shop silvermarket online – I noticed this platform earlier, and the interface appears user-friendly and well organized.
official page – Came across this page, design is neat and browsing is easy
shopping portal – Looked through the site, navigation is effortless and sections are clear
Marble Storefront – Organized pages make browsing simple.
check the vendor emporium – Overall the site feels organized, smooth, and easy to explore
Quick Meadow Vault – Tidy layout, moving between pages is straightforward.
silk hub online – Looks very approachable, information is quick to locate
wood marketplace hub – Fast navigation and clear product listings make the experience simple
check out the products – Sections are tidy, making browsing simple and efficient
cool site – Found this platform today, browsing items is simple and straightforward.
BrookMarketplaceVale – Browsed lightly, already noticing well-structured areas.
explore here – Checked this site, layout is neat and sections are easy to navigate
visit this marketplace – Took a look around, the layout is clean and browsing is straightforward
this online brimstone collective – Browsing feels effortless, pages are neatly structured
AWS caiu [url=https://caiu.site/]caiu.site[/url] .
visit acornridge vendor studio – Just checked this page out and everything appears simple and easy to browse
silver vendor pages online – The website is neat and sections are logical
browse vendor listings – Very user-friendly with a clear, simple layout
ValeVendorDeals – Browsed lightly, already noticing sections that are easy to read.
online store – Noticed this website recently, interface is neat and items are simple to find.
visit silvershopper – Came across this page earlier and navigating the items seems easy and clear.
zerotrusty – Bookmarked this immediately, planning to revisit for updates and inspiration.
online collective – Browsed this site, design is tidy and layout is simple to follow
their online shop – Looked around briefly, and sections are clearly arranged
calmbrook trading hub – Browsing is pleasant and the layout feels logical
VelvetShopSpot – Looked around casually, the sections are logical and well-arranged.
acorn vendor hub page – Looks like a handy marketplace and it works nicely on my phone
discover products online – Well-structured pages make reading content effortless
useful link – Ran into this platform recently, interface seems clean and easy to navigate.
keyvaulty – Pages loaded fast, images appeared sharp, and formatting stayed consistent.
explore silvergrove online – Easy to navigate, information is well laid out
threatlens – Mobile version looks perfect; no glitches, fast scrolling, crisp text.
shieldops – Overall, professional vibe here; trustworthy, polished, and pleasantly minimal throughout.
auditkit – Bookmarked this immediately, planning to revisit for updates and inspiration.
secstackr – Pages loaded fast, images appeared sharp, and formatting stayed consistent.
visit platform – Noticed this site, everything is neat and browsing is comfortable
online store access – Pages load fast and the browsing experience is simple
calmvendorcollective.shop – Good browsing experience here, pages load quickly and smoothly
Caiu [url=https://caiu.site/]Caiu[/url] .
VendorCollectiveVelvet – Took a quick look, the interface feels clear and well-structured.
check meadow emporium – Content is well-organized, making it simple to find what I need
open the vendor marketplace – Clean style and simple navigation made exploring easy today
this store link – Just discovered this site, and navigating through items feels effortless.
useful link – Came across this page today, interface is tidy and navigating products feels easy.
explore woodvendoremporium – Neat layout and easy to navigate, seems worth checking out.
browse vendor products – Looked around quickly, the platform feels clean and organized
learn more here – Found this page, sections are clearly arranged and navigation is simple
VioletDealsHub – Browsed lightly, sections are easy to find and clear.
discover the yelvora store – Nice shop name, branding looks clean and memorable.
canyonridge marketplace hub – Simple, clean design makes it easy to explore
silver vendor guide – Everything feels practical and straightforward here
quick browse hub – Everything feels tidy, and navigation works smoothly
alpine marketplace collective – The design feels simple and product sections are tidy
visit here – Found this website earlier, layout looks tidy and browsing products is effortless.
Vivo down [url=https://caiu.site/]Vivo down[/url] .
this zenbrook vendor site – Glanced through the listings, they look quite appealing.
shopping portal link – Looked through pages, interface is modern and easy to navigate
VendorFinderViolet – Looked around, the platform is well-structured and intuitive.
check this page – Came across this platform, pages are organized and browsing is pleasant
see kestrelcrate online – Strong branding, curious how the store evolves.
open the canyon marketplace – Sections are clearly organized and browsing feels pleasant
rainvendor link – Content is clear and well organized for easy reading
amberstone vendor page – Brief visit earlier and the information seems practical
skyridge resources – Clean pages, very easy to navigate through
visit slatecrate – Came across this site today, and navigating the products seems simple and clear.
see this website – Came across this site, layout looks tidy and finding items is simple.
MarketplaceWalnutDeals – Browsed lightly, already noticing sections that are clear and tidy.
direct shop access – Layout is neat, and the site is very easy to explore overall
explore zenvendor collective – Pretty innovative marketplace, would be great if more vendors participated.
quick link – Found this marketplace, navigation is effortless and layout is neat
discover hiveloft portal – Neat interface, browsing through items felt easy.
caramel marketplace hub – Browsing flows nicely and the site feels approachable
ravensagevendorplace.shop – Great website, content looks practical and the design is smooth
open reedmarket shop – Simple and tidy, navigation feels smooth.
check the vendor collective – Easy to move around the store and view different items
Pure Collections – Tidy and clear layout, encourages creativity and discovery.
sky vendor network – Clean design, easy to find useful information
see this website – Just discovered this page, interface is organized and exploring products is smooth.
VendorSpotWalnutCollective – Took a quick peek, the site seems clear and comfortable to read.
quick shop link – Just visited, interface is tidy and the browsing experience is intuitive
explore platform – Noticed this site, layout is clean and browsing is effortless
seldrin.shop – Short memorable name, definitely easy to remember later.
check raven shop – Pages load fast and the design is intuitive
online buying hub – Everything loads without delay and the navigation feels intuitive.
browse caramel collective hub – Design is tidy and browsing items feels effortless
browse the vendor house – Ran into this page unexpectedly and it seems interesting
open reedmart portal – Minimal branding, shopping here is simple and easy.
WaveVendorPortalOnline – Skimmed through, pages feel smooth and easy to navigate.
Summit Picks – Smooth and clear layout, moving between categories was simple.
linenharborvendorstudio.shop – Just explored this site, navigation feels intuitive and the layout is clean
snow crest online – Liking the structure, everything feels intuitive
check out riverstone vendor – Layout feels logical and navigation is effortless
learn more here – Found this page, navigation is smooth and design is tidy
discover queltaa shop – Interesting branding, curious to check new additions soon.
open the vendor house – Clean interface with well-defined sections enhances browsing
apricot vendor hub – Looks like a modern shop with well structured sections
open ridgecrate portal – Simple interface, made browsing enjoyable.
digital shopping page – Everything opens quickly and the navigation feels very user-friendly.
a href=”https://wavevendoremporium.shop/” />HubVendorWaveOnline – Checked some sections, everything is organized and readable.
smartbyte – Bookmarked this immediately, planning to revisit for updates and inspiration.
shopping portal link – Looked around quickly, interface is modern and user-friendly
Sun Treasures – Smooth menus, browsing items was hassle-free.
snow vendor collective hub – Navigation is intuitive and layout is clean
river vendor store – Smooth browsing and a clear presentation overall
techsphere – Navigation felt smooth, found everything quickly without any confusing steps.
take a look – Checked this platform, pages are tidy and navigation is smooth
cyberstack – Appreciate the typography choices; comfortable spacing improved my reading experience.
aurorabrook marketplace hub – Navigation is quick and the design looks tidy
harborpick portal – Layout is neat, browsing through the sections feels simple.
visit chestnut stone vendor house – Layout is clear and browsing through sections is easy
HubVendorWheatOnline – Checked some sections, everything looks neat and user-friendly.
open ridgemart shop – Modern look, navigation around the site felt effortless.
nanotechhub – Bookmarked this immediately, planning to revisit for updates and inspiration.
open smart consumer shop – Platform looks convenient, will check back later.
browse the collection – Spent a few minutes exploring, everything is tidy and user-friendly
Teal Picks – Well-organized layout, moving between sections was smooth.
rose hub online – User-friendly interface makes browsing very comfortable
keyvaulty – Found practical insights today; sharing this article with colleagues later.
clicktechy – Found practical insights today; sharing this article with colleagues later.
browse the vendor collective – The category layout makes exploring the site pretty convenient
site link – Checked this site randomly, structure is clear and browsing is effortless
WheatShopSpot – Looked around casually, content is clear and approachable.
discover uplandvendor shop – Promising platform, will keep an eye on updates.
solar vendor collective hub – Information is easy to access, design is simple and clear
cloudbrook marketplace hub – Browsing flows easily and design is user-friendly
browse riverretail marketplace – Friendly look, shopping felt intuitive and clean.
bytetap – Appreciate the typography choices; comfortable spacing improved my reading experience.
learn more – Checked this hub, sections are clear and easy to explore
quickbyte – Pages loaded fast, images appeared sharp, and formatting stayed consistent.
this shopping infrastructure site – Despite the big title, the pages are organized and quick to open.
techvertex – Overall, professional vibe here; trustworthy, polished, and pleasantly minimal throughout.
explore the store – Pages load well, sections are clear, and navigation feels easy
rose vendor hub – Easy to browse, content is displayed clearly across pages
Teal Select – Organized design, moving through sections was smooth.
HubVendorWildOnline – Checked some sections, everything feels organized and user-friendly.
seller exchange link – This exchange model feels a bit more creative than typical shops
visit the vendor hub – Came across this site, layout feels organized and easy to use
visit the blossom crate – Bright, fresh name, gives a welcoming impression.
pixelengine – Loved the layout today; clean, simple, and genuinely user-friendly overall.
cloud vendor center – Well-structured pages make exploring items simple
Crate World – Clear and simple, sticks in your head.
tap to explore – First impression good, pages load fast and layout feels tidy
Can you be more specific about the content of your article? After reading it, I still have some doubts. Hope you can help me. https://accounts.binance.com/fr/register-person?ref=T7KCZASX
stone vendor online – Platform looks clean, finding what I need is straightforward
discover this store – Pages feel structured and the browsing experience is straightforward
open zenvendor collective site – Solid marketplace concept, hoping for additional sellers soon.
explore ruby ridge hub – Pleasant browsing experience with well-arranged sections
WildDealsHub – Browsed lightly, sections are simple and practical.
open this vendor marketplace – The site has a warm presentation style
Terra Spot – Modern and tidy, exploring sections felt straightforward.
tap here – Found this page, layout is neat and browsing is pleasant
blossomstore marketplace – Attractive branding, curious to see the shop’s offerings grow.
open this vendor marketplace – Navigating the site is effortless and visually pleasant
discover hub – Found this platform, pages are clear and design looks user-friendly
RC Finds Market – Well-labeled categories, makes discovering products simple.
browse vendor items – Looked around quickly, platform feels structured and user-friendly
zenvendor hub – Interesting marketplace approach, curious which sellers appear next.
WindVendorFinderOnline – Skimmed lightly, the layout is neat and easy to navigate.
ruby workshop hub – Smooth interface and all sections are easy to understand
stone vendor info – Everything is neatly presented, very easy to use
vendor studio homepage – The marketplace looks clean and easy to browse
gildedpinevendorplace.shop – Found this platform today, pages load quickly and well structured
вывод из запоя в клинике в ростове [url=https://vyvod-iz-zapoya-v-rostove-3.ru/]вывод из запоя в клинике в ростове[/url] .
browse branch crate – Store concept is appealing, categories already feel well-arranged.
Terra Gems – Catchy and modern, very easy to recall later.
sneak a peek – Browsed the site, sections are well structured and browsing is effortless
browse clover vendor hub – Pages load fast and content is easy to follow
RobinVendor Hub – Neat layout, makes browsing vendors simple.
open the marketplace – Checked a few listings, structure is neat and sections are clear
VendorFinderWind – Looked around, the platform feels approachable and tidy.
sagecrest vendor resources – Overall clean site, very easy to use and understand
browse dailyshoppingexperience – Checked the page today and it appears to be building up steadily.
bay trading workshop – Mobile browsing seems simple thanks to the clean design
learn more here – Found this platform, navigation flows smoothly and layout is neat
sunridge vendor platform – Glad I stopped by, website feels organized and functional
breezevendor.shop – Smooth browsing experience today, pages loaded really fast.
The Thistle Spot – Minimal and inviting, exploring products was simple.
coastridge trading hub – Sections are logically arranged and pages load quickly
discover this store – Pages feel well structured and browsing is intuitive
The Rooftop Shop – Nice sections, finding products felt effortless.
HubMarketplaceWood – Checked some pages, the site feels practical and clear.
sage vendor hub – Very straightforward layout, everything is easy to navigate
take a look – Cozy, inviting, and memorable for users.
birchgroveexchange – Ran into this shop name earlier and it honestly sounds quite distinctive.
vendor place homepage – Layout is intuitive and moving through pages feels natural
вывод из запоя на дому в ростове [url=https://vyvod-iz-zapoya-v-rostove-3.ru/]вывод из запоя на дому в ростове[/url] .
explore ember shop – The name alone makes the store easy to recall later.
Glade Meadow Trading – Suggests activity and engagement in a friendly marketplace.
browse today – Came across this platform, sections are organized and pages are easy to read
marketcorner – Easy-to-use layout and warm style make the marketplace appealing.
explore bronze basket marketplace – Distinctive title, stands out in the online space.
take a look – The name feels fresh and surprisingly distinctive.
check out the marketplace – Navigation is effortless, and the pages feel tidy
ShopExplorer – Browsed casually, found some sections that stood out.
coastvendorworkshop.shop – Good first impression here, layout feels simple and well structured
Scarlet Picks – Memorable name, feels fresh and modern.
Thistle Gems Hub – Minimalist and tidy, navigating categories was intuitive.
seastonevendor links hub – Well-organized content, very accessible for browsing
explore now – Thoughtful, distinctive, and leaves a friendly vibe.
futurestack – Content reads clearly, helpful examples made concepts easy to grasp.
logicforge – Content reads clearly, helpful examples made concepts easy to grasp.
visit this shop – The name has a calm tone and feels nicely designed.
discover teapot territory – Cute and fun branding, caught my eye right away.
bytelab – Found practical insights today; sharing this article with colleagues later.
zyrotech – Navigation felt smooth, found everything quickly without any confusing steps.
go to site – Browsed this marketplace, layout is tidy and browsing is comfortable
JuniperVibe – The site feels warm and comfortable, perfect for a casual scroll.
omegabyte – Appreciate the typography choices; comfortable spacing improved my reading experience.
discover bronze crate – Marketplace appears promising, worth following for updates.
Glass Ridge Finds – Cheerful and classy, perfect for highlighting unique products.
Silk Isle Collection Spot – Refined and easy to remember, elegant brand identity.
shop homepage – Courtyard concept feels cozy and professional.
TealCrestFinds – Scanning the site, it has a very tidy design.
Tide Collections – Clean layout, the brand name is easy to retain.
techdock – Loved the layout today; clean, simple, and genuinely user-friendly overall.
bitzone – Content reads clearly, helpful examples made concepts easy to grasp.
explore the hub – Came across this store today and the idea seems promising.
TradeHarbor – Online branding is clean, concise, and easy to navigate.
open trend wharf hub – Stylish and modern, excited to check new products.
brookaisle online hub – Clean structure, moving through pages felt easy.
take a look – Nature-inspired, friendly, and leaves a strong impression.
Glass Willow Corner – Cozy yet professional, balancing friendliness with trust.
Silver Corner – Clean and tidy, exploring the site was simple.
codehive – Overall, professional vibe here; trustworthy, polished, and pleasantly minimal throughout.
TealVendorHub – Browsed around, this place has some intriguing sections worth checking.
Tide Rack Spot – Minimalist and approachable, site was easy to use.
take a look – Came across this store, and the name is clean and sticks in memory.
KettleDeals – The online presentation is approachable and shopper-friendly.
discover brookbundle shop – Catchy domain, makes the store easy to remember.
shop today – Refreshing and approachable, very easy to remember.
visit hazelhaven – Pleasant and soothing design with clearly organized sections.
tronbyte – Content reads clearly, helpful examples made concepts easy to grasp.
Silver Picks Market – Smooth and appealing, easy to recall later.
Golden Harbor Shop – Straightforward and approachable, great for an online marketplace.
TimberDealsCenter – Scanned around, the platform looks well-organized and simple.
futurebyte – Overall, professional vibe here; trustworthy, polished, and pleasantly minimal throughout.
Timber Crate Hub – Clean and strong branding, navigating products was simple.
shop homepage – Simple yet strong, feels trustworthy.
open canyon cart online – Memorable branding, gives the site a friendly vibe.
click for the shop – Spotted this store and the name carries a calm, appealing tone.
CrestBoutique – Online style feels classy, approachable, and enduring.
oceanopal hub – Beautiful name, hoping to find some standout items.
Sky Crate Treasures – Sleek and appealing, memorable for users.
the Golden Stone Outlet – Clean and professional, reinforcing reliability and trust.
TimberVendorSpot – Glanced around, the site structure is tidy and comfortable to read.
Topaz Collections – Clean interface, browsing sections was quick and easy.
learn more here – Community-driven and appealing, easy to recall.
check out canyoncrate – Looked around quickly, appears to be an expanding store.
CrestShopHub – The branding exudes warmth, making it inviting for visitors.
browse calm crest – Noticed this shop earlier and the branding feels peaceful and inviting.
Slate Finds – Minimalistic design, browsing felt smooth and fast.
check out oasiscrate – Nice platform overall, looking forward to an expanded catalog.
[url=https://nakrutka-podpischikov-telegram-1.ru]накрутка подписчиков в Телеграм[/url]
VendorSpotTrailstone – Browsing a bit, the sections are easy to follow and well-organized.
Granite Harbor Spot – Catchy and trustworthy, giving the brand a reliable online identity.
browse the district – Gentle and soothing, stands out nicely online.
Topaz Gems – Friendly layout, moving through items was smooth.
canyonvendor.shop – Interesting vendor hub concept, curious how it evolves.
LanternCircle – Branding creates a friendly, modern, and collaborative impression.
shop link – Noticed this store and the name highlights a community-focused approach.
Slate Ventures – Well-labeled sections, finding items was easy.
check the crystalvendor store – A clear suggestion that makes the destination obvious.
learn more here – Easygoing and memorable, feels naturally pleasant.
silkstone vendor pages – Smooth navigation and layout feels tidy
Granite Stone Hub Online – Modern, reliable, and perfect for a professional online exchange.
Trail Gems – Friendly layout, browsing sections felt intuitive.
LavenderCommons – The collective name gives a gentle, welcoming impression.
this caramelcart site – Appealing title, the store feels easy to remember.
Snow Crate Market – Friendly layout, makes browsing effortless.
store homepage – Came across this shop and the name feels inventive and memorable.
check offers – Fresh and friendly, naturally appealing to visitors.
goldvendor marketplace – Appears promising, looking forward to seeing additional products.
Walnut Corner Market – Clean and simple interface, browsing categories was easy.
visit Harbor Crest Outlet – Welcoming and easy to remember, perfect for online shoppers.
LavenderDeals – The site conveys a soothing and shopper-friendly atmosphere.
see caramelcrate online – Nice and friendly name, gives a welcoming feel.
view the site – Inviting and charming, easy to recall for visitors.
The Solar Vendor – Clean and intuitive, discovering products is simple.
discover Caramel Stone – The shop name is warm, inviting, and easy to remember.
yardcart portal – Unique marketplace design, might quickly become a go-to for buyers.
Walnut Warehouse Market – Well-structured layout, moving through sections was effortless.
CrestTradingHub – The site is bright, simple, and leaves a lasting impression.
shop trading page – Everything is well arranged, making it smooth to browse.
Harbor Crest Network – Modern and connected, suggesting a lively community of shoppers.
view the site – Friendly and elegant, stands out nicely online.
Spring Gems – Minimal and clear, easy to recall later.
official trading page – The shop name has a modern and pleasant tone that stands out.
explore the shop – Interesting spot online, I’ve been browsing and the design is pleasantly basic.
check out islemint – The shop has a vibrant, modern identity that’s hard to miss.
learn more here – Clean interface, navigation is smooth and natural.
cyberpulse – Navigation felt smooth, found everything quickly without any confusing steps.
codenova – Pages loaded fast, images appeared sharp, and formatting stayed consistent.
hazel vendor portal – Sections are clear and reading is effortless.
bytenova – Content reads clearly, helpful examples made concepts easy to grasp.
zybertech – Found practical insights today; sharing this article with colleagues later.
plumbrook deals page – Quick look shows organized sections and practical information.
explore the shop – Creative and appealing, leaves a naturally memorable vibe.
LemonStoneHub – The branding feels chic, approachable, and distinctive.
Wave Select – Polished and minimal design, navigating items was smooth.
shopping emporium link – Browsed quickly, the structure feels simple and intuitive.
Hazel Brook Online – Clean and accessible, emphasizing a user-friendly experience.
check this outlet – Came across this page today and it appears to have some helpful info.
Spring Treasures – Organized layout, navigating felt easy.
vortexbyte – Content reads clearly, helpful examples made concepts easy to grasp.
their website – Ran into this brand, and the name conveys a snug, cozy impression.
zenixtech – Color palette felt calming, nothing distracting, just focused, thoughtful design.
see this page – Well-organized sections, very easy to read and explore.
technexus – Content reads clearly, helpful examples made concepts easy to grasp.
explore the page – Clean interface, browsing feels comfortable and effortless.
veloxtech – Mobile version looks perfect; no glitches, fast scrolling, crisp text.
check this out – Harbor-inspired branding stands out with a sense of adventure.
shopping outlet link – Browsed casually, the structure appears simple and readable.
visit plumstone outlet – The site loads smoothly, and navigation is straightforward.
StoneTradingHub – Branding communicates professionalism, clarity, and user confidence.
explore acorn marketplace – Design is clean, content is easy to digest.
view their products – Came across this page today and the interface looks clean and minimal.
West Ventures – Clean and tidy interface, exploring sections felt natural.
mossridge online – Randomly visited this site and enjoyed the tidy look of it.
Stone Deals – Landed here unexpectedly, structure is simple and user-friendly.
Hazel Crest Hub Online – Modern and approachable, making the marketplace feel connected and easy to use.
ember ridge emporium – Came across this site and everything looks neatly organized and simple to browse.
byterise – Mobile version looks perfect; no glitches, fast scrolling, crisp text.
learn more here – Layout is simple, pages are approachable and readable.
explore the site – Layout is tidy, navigation feels logical and easy.
discover more – Elegant and stylish, naturally appealing to visitors.
quartzharbor marketplace – Site is user-friendly, making exploration simple and smooth.
this online shop – Spending a minute browsing and the structure seems pretty straightforward.
LinenWillowStock – The trading presence is elegant, easy to understand, and memorable.
browse mosswillow – Spent a moment here and the layout seems quite clear.
Golden Bazaar – Landed here casually, content is organized and reading is smooth.
West Select – Polished and minimal design, navigating items was smooth.
visit Hazel Crest Marketplace – Friendly and easy to navigate, perfect for online browsing.
fernbrookmarket – Nice browsing experience, site structure is simple and readable overall.
gildedharbortrading – The word “gilded” makes this store name sound luxurious and refined.
visit this site – Layout is clean, browsing through content is smooth and clear.
see this page – Pages are clear and organized, very easy to explore.
marketplace page – Just exploring, the layout feels organized and the content is readable.
browse quartzharbor – Navigation is intuitive and content is easy to follow.
check out this store – Scrolled around briefly and the content layout feels organized.
BrookTradeHub – Branding feels approachable, natural, and easy to understand.
Golden Deals – Stumbled upon this site, navigation is effortless and content is clear.
official nightstone page – Pages load quickly here and the navigation feels easy.
написать курсовую на заказ [url=https://kupit-kursovuyu-84.ru/]написать курсовую на заказ[/url] .
shop the meadow – The name creates a calm, approachable shopping feel.
explore the site – Sections are clear, moving between content feels effortless.
explore the marketplace – Content is tidy, interface feels intuitive.
stylehaven – Warmth and friendliness shine through in every visual element here.
official outlet page – Landed here and navigation is smooth and effortless.
quickharbor marketplace – Enjoying the clean layout and responsive pages.
alpinestoneemporium – Pretty smooth experience, content layout makes reading easy today.
Brook Shop – Checked out this page randomly, content is clear and well structured.
HarborMarketHub – Users experience a welcoming, smooth, and pleasant browsing style.
nightwillow store online – The content here seems interesting and easy to read.
Explore Ginger Hub – Inviting and modern, perfect for an online shopping platform.
visit this site – Layout is clean, navigating the sections feels easy and smooth.
visit this marketplace – Just popping in, the content is easy to read and well spaced.
check this out – Layout is clear and simple, navigation is smooth.
online emporium link – Noticed this page today, content is well arranged and minimal.
tradermeadow – A natural, friendly vibe with clear concept makes this identity stick.
Market Treasures – Came across this page casually, content is well organized and easy to digest.
storefront link here – First impression is that the page design looks organized.
quick stone deals page – Browsing is comfortable thanks to tidy formatting.
написать курсовую на заказ [url=https://kupit-kursovuyu-84.ru/]написать курсовую на заказ[/url] .
<a href="[https://oakharborcollective.shop/](https://oakharborcollective.shop/)" /collective outlet – The site presentation is clean and comfortable to browse.
MarbleBrookHub – The district branding feels professional, solid, and easy to remember.
Gingerstone Market Online – Friendly, modern, and perfect for an online exchange platform.
explore the site – Interface is simple, moving between pages is straightforward.
learn more here – Pages are neat, browsing through is easy and comfortable.
Harbor Hub – Stumbled on this site, layout is clean and reading is effortless.
browse this trading hub – While navigating a bit, the content feels easy to read.
product emporium – Landed on this site, structure feels clear and effortless.
this raincrest page – Browsing feels smooth and the sections are well organized.
outlet deals site – Just browsed quickly, the page seems clear and trustworthy.
iciclewillowdistrict – District branding here gives a calm and modern vibe.
MarbleHarborSelect – Branding is approachable, clean, and intuitive for users.
Gladebrook Online – Simple and clear, making the collective feel accessible and easy to navigate.
discover this page – Structure is clean and user-friendly for quick reading.
browse this bazaar – Took a short look, everything feels well arranged.
заказать курсовую работу качественно [url=https://kupit-kursovuyu-84.ru/]заказать курсовую работу качественно[/url] .
Stone Shop – Checked out this page randomly, content is clear and sections are well laid out.
useful link – Clean interface, content is easy to follow and understand.
apricotbrookoutlet – Nice little discovery, layout is clean and navigation is easy.
quick shop visit – Noticed this page, everything is simple, tidy, and easy to navigate.
rainstone trading page – Quick look reveals tidy sections and a fresh, easy-to-read layout.
this oliveharbor page – Easy browsing today, the site has a neat and functional layout.
MeadowCollect – Visitors find the collective inviting, modern, and distinct.
click for the collective – Just spotted this shop and the name has a fresh, vibrant energy.
ivorycorner – Refined yet warm design makes this collective instantly likable.
quick visit – Pages load fast, and the design makes browsing easy.
Check out WalnutCrate – Discovered this site today; the interface feels organized and simple to explore.
Outlet Market – Found this page unexpectedly, layout is tidy and user-friendly.
the juniper cove shop – Had a quick visit and noticed the site was nicely arranged and informative.
moon stone emporium – I came across this site today and the information looks genuinely useful.
apricot harbor store – While browsing briefly, the layout feels simple and readable.
check this out – Layout is neat, scrolling and navigation feels intuitive.
check the boutique site – Came across this page, everything is easy to follow and tidy.
exchange shop page – Browsing quickly, the layout seems easy to follow and informative.
check this district – The page seems structured, making navigation simple.
quantumforge – Pages loaded fast, images appeared sharp, and formatting stayed consistent.
Sprawdz poradnik [url=https://jaka-kamera-do-drona-fpv.neocities.org/]analog vs digital fpv[/url], jesli szukasz najlepszych wskazowek przy wyborze kamery FPV na start.
Dobrze dobrana kamera zwiekszy satysfakcje z lotow i jakosc materialow wideo.
MeadowCollect – Visitors find the collective inviting, modern, and distinct.
take a look here – Came across this shop and the name is memorable and appealing.
crownbrookvendorhub – First impression is good, layout is clear and organized.
Stone Finds – Browsed casually, content is clear and sections are well organized.
shopping bazaar link – Browsed casually, the page feels user-friendly and accessible.
ivorymarket – Professional and approachable design gives the trading brand a solid presence.
this bazaar site – Discovered it while browsing and the content was more useful than I expected.
moss brook outlet – I looked through the pages and the design feels clean and organized.
check this boutique – Took a quick look and the page seems tidy and easy to read.
check this out – Layout is simple, browsing feels smooth and intuitive.
techcatalyst – Navigation felt smooth, found everything quickly without any confusing steps.
devbyte – Color palette felt calming, nothing distracting, just focused, thoughtful design.
Green Deals – Browsed here by accident, the site is straightforward and easy to digest.
opal ridge deals – Browsing is comfortable thanks to the clear, organized design.
Silk Deals – Clean layout helps locate items efficiently.
explore ravencrest site – Clear sections and intuitive layout make reading effortless.
Stone Finds – Well-structured pages make exploring items comfortable.
Honey Hub – Stumbled on this site, layout is clean and reading is simple.
dataforge – Found practical insights today; sharing this article with colleagues later.
their hub link – Structure is organized, moving around is intuitive.
see this store – The branding appeared online and the marketplace name feels friendly and pleasant.
MintMarket – Users find the site pleasant, simple, and easy to explore.
logicbyte – Content reads clearly, helpful examples made concepts easy to grasp.
bytecore – Bookmarked this immediately, planning to revisit for updates and inspiration.
jasperstonehaven – Inviting and classic aesthetics create a naturally cozy impression.
open the bazaar page – Just exploring briefly and everything seems tidy.
explore this harbor outlet – The site is simple to navigate and the content is easy to read.
harbor outlet website – Looked through the content and the layout felt comfortable.
go to this site – Simple design, very easy to navigate through pages.
shop trading page – The page seems reliable and useful for casual browsing.
Boutique Hub – Simple structure ensures browsing is easy.
Bazaar Shop – Found this site by accident, navigation is smooth and reading feels natural.
official riverbrook page – Navigation feels intuitive and the design is clean.
click here to see – Navigation feels intuitive, everything loads quickly.
Treasure Cove Hub – Navigation is smooth and content is very readable.
explore the outlet – Took a moment to browse, everything feels well arranged.
click for collective – Just spotted this brand, and the combination of words feels creative and appealing.
bitcore – Color palette felt calming, nothing distracting, just focused, thoughtful design.
binaryforge – Content reads clearly, helpful examples made concepts easy to grasp.
autumn marketplace – While navigating briefly, the layout seems readable.
orchard market online – The layout is simple and the content is informative.
their homepage – Logical arrangement, content is simple to move through.
stonepoint – A clean, professional exchange identity makes recall effortless.
this orchardbrook page – A clean design that makes it easy to browse and find information.
happy little marketplace – The name makes you smile and the site feels open and warm.
Sky Deals – Clean design helps locate items quickly.
Icicle Picks – Came across this site randomly, layout feels tidy and navigation is intuitive.
browse rivermeadow – Layout feels fresh and sections are easy to explore.
see their collection – Pages are tidy, reading content is comfortable.
Vale Emporium – Overall design is simple and reading through content is easy.
explore Coast Crest Marketplace – The name popped up and evokes a coastal, welcoming impression.
tealstone discovery – Sections are clear and structure feels intuitive.
продвижение сайтов в москве [url=https://prodvizhenie-sajtov-v-moskve16.ru/]продвижение сайтов в москве[/url] .
online shop portal – Moving through the sections feels quite seamless.
take a look here – I checked the page briefly and the structure seems quite clean.
quick link – Pleasant layout, scrolling and reading feels natural.
this orchardcrest page – Quick exploration shows smooth design and fast-loading pages.
Emporium Market – Found this page unexpectedly, everything is organized and reading is smooth.
Snow Deals – Clean structure helps locate products efficiently.
brookpoint – Stylish and welcoming design creates a memorable identity for the collective.
roseharbor trading page – Browsing feels natural, with clear sections and smooth flow.
click to visit – Clear layout, content is approachable and easy to follow.
check this emporium – Took a quick look, page structure seems neat and readable.
explore Coast Stone – The name popped up and feels organized, crisp, and trustworthy.
Velvet Deals – Browsing is comfortable and the page structure is nicely organized.
tealwillow marketplace – Simple structure, sections are easy to locate.
browse this bazaar – Looked around briefly and the design feels clean.
check this shop – First impression is good since the site navigation works without issues.
Ivory Deals – Stumbled upon this site, structure is clean and navigation is effortless.
pearlharbor shop portal – Clean layout and content make it very user-friendly.
homepage link – Well-arranged sections make reading comfortable.
Stone Gems Market – Smooth pages allow fast and easy product discovery.
check this collective – First impression is positive, design feels clear and organized.
visit dawnridge studio – Layout is clean and exploring the site is simple.
take a look here – Came across this shop and the name feels comfortable and easy to remember.
timberharbor quick check – Clean design makes it easy to read and navigate the site.
check this emporium – Took a quick look and the structure appears well organized.
Velvet Outlet Hub – Quick look shows the content is easy to follow and well organized.
Outlet Treasures – Stumbled upon this page, navigation works smoothly and reading is simple.
pearlmeadow marketplace – Nice first impression, everything feels organized and readable.
goldenvendorhouse – Nice simple website, browsing through content feels comfortable.
visit dawncollection – Pages load well, and the layout is comfortable to read.
courtyard shop link – Layout is tidy, making moving between pages effortless.
Stone Gems Hub – Intuitive design keeps exploring products simple.
seovault – Content reads clearly, helpful examples made concepts easy to grasp.
open chestnut harbor shop – Quick visit shows the page is clear and user-friendly.
seoshift – Loved the layout today; clean, simple, and genuinely user-friendly overall.
seonexus – Loved the layout today; clean, simple, and genuinely user-friendly overall.
timberwillow discovery – Browsing is easy and the design feels contemporary.
seo продвижение и раскрутка сайта [url=https://prodvizhenie-sajtov-v-moskve16.ru/]prodvizhenie-sajtov-v-moskve16.ru[/url] .
explore the shop – Took a short look and the layout appears simple to follow.
Bazaar Market – Found this page unexpectedly, everything is organized and readable.
explore Copper Meadow – The name popped up and conveys a soothing, pleasant vibe.
Violet Hub – Pages are easy to read and content is presented clearly.
browse pearlmeadow – Quick check shows an organized layout that’s easy to move through.
quick visit – Layout is tidy, browsing feels effortless.
drift hub page – Easy-to-follow content with smooth transitions.
shop exchange page – Sections are tidy and reading content is effortless.
Sun Picks – User-friendly pages allow fast and enjoyable browsing.
Jasper Hub – Stumbled on this site, layout is tidy and reading is smooth.
trailbrook info page – Simple design, content is readable and sections are clear.
this online bazaar – Just exploring the site and the page presentation looks tidy.
outlet shop link – The page seems clean and effortless to navigate.
Violet Harbor Shop – Browsed quickly and the content feels well arranged.
explore vendor hub – Layout is tidy, making browsing effortless.
visit their site – Interface is neat, browsing feels comfortable and straightforward.
district shop link – Layout is clean, and moving between pages feels smooth.
chestnutstonebazaar – Came across this page, layout feels simple and straightforward.
продвижение сайтов во франции [url=https://prodvizhenie-sajtov-v-moskve16.ru/]prodvizhenie-sajtov-v-moskve16.ru[/url] .
Traders Treasures – Stumbled upon this page, sections are clear and reading is effortless.
birch brook marketplace – Quick glance shows the site is simple to use.
discover trailstone – Layout is neat, exploring the pages is effortless.
pearlmeadow shop portal – Clean and minimal design makes browsing straightforward.
visit the dunebrook page – Navigation is simple, and content flows nicely.
Walnut Cove Gems Outlet – Quick glance shows the site is neat and navigation is smooth.
explore the bazaar – Pages are neatly structured, making browsing easy.
sageharbor marketplace – Content flows naturally and pages are easy to read.
Ridge Shop – Checked this page randomly, layout is tidy and content is clear.
storefront link here – Stopped by briefly and the layout is easy to navigate.
clickrly – Overall, professional vibe here; trustworthy, polished, and pleasantly minimal throughout.
seoradar – Bookmarked this immediately, planning to revisit for updates and inspiration.
reachrocket – Bookmarked this immediately, planning to revisit for updates and inspiration.
dune vendor portal – Smooth flow, browsing feels natural.
cloud cove marketplace – Spent a few minutes here, page design appears tidy and readable.
поисковое продвижение москва профессиональное продвижение сайтов [url=https://prodvizhenie-sajtov-v-moskve16.ru/]prodvizhenie-sajtov-v-moskve16.ru[/url] .
check this out – Pages are organized, reading content is smooth and effortless.
Walnut Stone Finds Hub – Browsing today was pleasant, and the layout is clear.
scalewave – Mobile version looks perfect; no glitches, fast scrolling, crisp text.
seacrest trading portal – Exploring content is comfortable, with smooth navigation and clear headings.
Brook Picks – Just discovered this page, layout is organized and content is simple to read.
bright brook homepage – First impression shows the layout is tidy and easy to follow.
shop link – Layout is minimalistic, content is comfortable to read.
Wave Harbor Gems – Navigation is smooth and the site presents information cleanly.
оптимизация и seo продвижение сайтов москва [url=https://prodvizhenie-sajtov-v-moskve16.ru/]оптимизация и seo продвижение сайтов москва[/url] .
shopping emporium link – Browsed casually, layout feels organized and straightforward.
Wave Stone Treasures – Quick visit today and the content seems well structured and easy to read.
Wheat Brook Hub – Enjoyed exploring this site, navigation is smooth and intuitive.
convertcraft – Found practical insights today; sharing this article with colleagues later.
check out this store – Just scrolling briefly, navigation feels easy and layout is simple.
boostsignals – Appreciate the typography choices; comfortable spacing improved my reading experience.
Wheat Cove Finds Hub – Enjoyed exploring the pages, content is presented clearly and navigation works well.
marketplace page – Just exploring today, site design feels simple and easy to navigate.
Wild Orchard Gems Online – Quick check shows simple navigation and clear content layout.
hazel vendor link – Content looks well organized and easy to follow.
explore seacrest site – Layout is tidy, and information is easy to digest.
echo aisle homepage – First impression shows the layout is neat and easy to navigate.
Wild Stone Hub Online – Enjoyed exploring, content is simple and nicely presented.
zenwillowtrading – Just visited this site today, layout feels simple and clean.
online outlet – The name has a gentle, calm tone with a tidy, balanced style.
see coast collection – Quick glance shows content is readable and layout is tidy.
Market Picks – Browsed casually, everything is tidy and easy to read.
check out the vendor – Pages are tidy, moving between sections feels effortless.
shop collective page – Layout is minimal and user-friendly, making browsing seamless.
see this page – Well-organized sections, very easy to read and explore.
Wind Brook Select Picks – Pages look neat and information is straightforward.
Cove Bazaar – Browsed randomly, structure is tidy and reading is effortless.
Can you be more specific about the content of your article? After reading it, I still have some doubts. Hope you can help me. https://accounts.binance.com/register-person?ref=QCGZMHR6
check this out – Sections are clear, scrolling feels effortless.
marketplace shop link – Clean structure makes browsing simple and enjoyable.
discover more – Pages are tidy, layout is logical and readable.
Wind Harbor Shop – Quick visit shows the content is straightforward and easy to digest.
coast stone marketplace – Spent a few minutes here, page design appears neat and well arranged.
ranktarget – Pages loaded fast, images appeared sharp, and formatting stayed consistent.
searchmetrics – Color palette felt calming, nothing distracting, just focused, thoughtful design.
Brook Deals – Landed here unexpectedly, structure is simple and user-friendly.
rankstrategy – Mobile version looks perfect; no glitches, fast scrolling, crisp text.
adzio – Mobile version looks perfect; no glitches, fast scrolling, crisp text.
Look inside WalnutWarehouse – Just found this store; the layout feels tidy and effortless to browse.
useful link – Pages are tidy, reading through feels organized and easy.
searchsignals – Pages loaded fast, images appeared sharp, and formatting stayed consistent.
silvermeadow marketplace – Navigation feels smooth and content is clearly separated.
Eco Finds – Came across this page while browsing, everything is tidy and readable.
quick link – Pleasant layout, browsing flows naturally.
Treasure Teal – Lightweight pages make navigating content comfortable.
Wood Cove Select Hub – First impression shows everything is clean and easy to navigate.
Market Treasures – Stumbled upon this page, navigation is smooth and sections are clear.
See WaveCrate online – Stumbled upon this site; the clean layout makes finding content fast and easy.
visit their site – Layout is straightforward, reading sections feels smooth.
silverstone shop portal – Layout is organized and moving between sections feels easy.
discover more – Pages are organized neatly, browsing is smooth.
coppercoveemporium – Nice little discovery, layout is tidy and easy to navigate.
Timber Treasures Hub – Easy-to-read pages make browsing enjoyable.
Nature Treasures – Happened upon this site, the content is organized nicely and very readable.
Harbor Picks – Came across this site randomly, content is tidy and layout is intuitive.
Wood Stone Picks – First glance shows everything is organized and simple to follow.
Simple store link – Stumbled upon the site; the interface is clean and intuitive.
explore more – Navigation is clear, scrolling through content feels effortless.
skybrook store page – Sections are clearly separated, making browsing natural.
check this site – Layout is clear, pages are easy to navigate and read.
Trading Picks – Checked out this page randomly, content flows well and is easy to read.
Stone Deals – Well-structured pages allow smooth and enjoyable browsing.
Bazaar Finds – Browsed by chance, navigation is smooth and content is well presented.
Visit WestRack – Just discovered this store; the layout is tidy and makes browsing simple.
cottonvendorcollective – Interesting site here, everything loads quickly and feels readable.
Zen Cove Online – Enjoyed visiting, everything appears straightforward and easy to read.
this trading portal – Moving through pages feels natural with an organized layout.
copperstoneemporium – Just checking this out, site feels organized and readable today.
explore more here – Clean design, smooth scrolling, content is approachable and readable.
Brook Picks – Just visited, layout is tidy and information is accessible.
Harbor Picks – Just discovered this page, everything is clear and easy to digest.
раскрутка сайтов интернет [url=https://prodvizhenie-sajtov-po-trafiku10.ru/]prodvizhenie-sajtov-po-trafiku10.ru[/url] .
visit their site – Sections are structured well, navigation feels natural.
Explore this store – Came across it recently; navigation is smooth and items are organized.
this collective portal – Moving through pages feels natural thanks to organized layout.
Stone Bazaar – Browsed randomly, structure is neat and navigation is intuitive.
Outlet Treasures – Came across this page casually, navigation is simple and content is tidy.
official site link – Navigation is intuitive, content is clear and approachable.
рейтинг агентств москвы [url=https://luchshie-digital-agencstva.ru/]luchshie-digital-agencstva.ru[/url] .
check out the emporium – Navigation is simple, and content is easy to read.
Open WheatWarehouse – Just noticed the platform; pages are well-structured and easy to explore.
shopping outlet link – Browsed casually, page looks organized and user-friendly.
seo продвижение по трафику clover [url=https://prodvizhenie-sajtov-po-trafiku10.ru/]seo продвижение по трафику clover[/url] .
Honey Deals – Stumbled upon this site, structure is simple and navigation is smooth.
snowstone marketplace – Navigation flows well, and sections are easy to locate.
check this site – Layout is clean, very easy to read and navigate.
explore this site – Layout feels tidy, moving between sections is effortless.
Bazaar Treasures – Came across this page casually, sections are clear and reading is effortless.
check solar harbor site – Information is organized neatly, making reading effortless.
Gilded Treasures – Came across this page randomly, navigation is easy and text is tidy.
рейтинг агентств по seo [url=https://luchshie-digital-agencstva.ru/]luchshie-digital-agencstva.ru[/url] .
see this page – Well-structured content, very easy to read and explore.
visit now – Reading through sections feels natural and clear.
сео продвижение по трафику clover [url=https://prodvizhenie-sajtov-po-trafiku10.ru/]сео продвижение по трафику clover[/url] .
browse this bazaar – Took a short look, everything seems readable and well arranged.
Brook Finds – Browsed casually, content is well organized and easy to follow.
Vale Shop – Just visited, layout is clear and content is easy to read.
check solarstone site – Sections are clear, and finding details is effortless.
official site link – Navigation is intuitive, content is neat and clear.
devwave – Overall, professional vibe here; trustworthy, polished, and pleasantly minimal throughout.
xyrotech – Appreciate the typography choices; comfortable spacing improved my reading experience.
their hub link – First impressions are good, layout is clean and simple.
Isle Market – Found this page casually, everything is tidy and navigation is simple.
cybernexus – Loved the layout today; clean, simple, and genuinely user-friendly overall.
Ginger Shop – Just visited, pages are well organized and easy to follow.
stonebrook web hub – Well-organized pages make reading pleasant.
nexonbyte – Found practical insights today; sharing this article with colleagues later.
browse here – Clean interface, smooth navigation and clear content.
zentrotech – Found practical insights today; sharing this article with colleagues later.
browse workshop – The website is user-friendly, with a clear layout.
Market Treasures – Stumbled upon this page, reading flows smoothly and sections are clear.
Stone Bazaar – Browsed randomly, structure is tidy and content flows well.
trailstone marketplace – Layout is clear and pages are easy to navigate.
quick link – Pleasant layout, scrolling and reading feels natural.
daisy vendor link – The website feels welcoming, and browsing is simple.
Ridge Picks – Just discovered this page, layout is tidy and content is readable.
Outlet Treasures – Came across this page casually, navigation is smooth and content is organized.
рейтинг сео [url=https://reiting-seo-kompanii.ru/]рейтинг сео[/url] .
sunmeadow store – Structure is straightforward and sections are easy to scan.
their homepage – Organized design, navigation is clear and readable.
click to explore – The interface feels intuitive, reading content is effortless.
Bazaar Shop – Found this site by accident, navigation works smoothly and everything is clear.
продвижение сайта продажи [url=https://kak-prodat-sajt.ru/]kak-prodat-sajt.ru[/url] .
Outlet Picks – Browsed casually, layout is organized and content is readable.
tealstoneexchange hub – Just visited this site, layout is neat and easy to follow.
Jasper Treasures – Checked this page, sections are clear and reading flows naturally.
useful link – Clean interface, very easy to read and follow.
explore dawn vendor – Layout is clean and browsing through pages is simple.
рейтинг seo компаний [url=https://seo-prodvizhenie-reiting.ru/]рейтинг seo компаний[/url] .
Glass Picks – Came across this page randomly, everything flows naturally and is easy to digest.
продвижение трафика [url=https://prodvizhenie-sajtov-po-trafiku11.ru/]prodvizhenie-sajtov-po-trafiku11.ru[/url] .
tealwillow trading portal – Pages load quickly and information is easy to follow.
современные seo кейсы [url=https://seo-kejsy17.ru/]seo-kejsy17.ru[/url] .
Jewel Hub – Stumbled on this site, layout is clean and reading is smooth.
лучшие seo агентства [url=https://luchshie-digital-agencstva.ru/]лучшие seo агентства[/url] .
market hub – Simple design with smooth navigation throughout.
visit this site – Layout is simple and navigation feels smooth.
руководства по seo [url=https://webproverka.com/index-articles.php/]руководства по seo[/url] .
Ridge Treasures – Came across this page randomly, reading flows naturally and structure is tidy.
timberharbor marketplace – Easy to navigate, structure feels organized.
quick check hub – Sections are clear and reading is comfortable.
explore more – Pages are well-arranged, browsing feels natural and easy.
Brook Shop – Checked this page randomly, sections are organized and content is clear.
explore timberwillow – Layout feels simple and sections are well-structured.
рейтинг digital компаний [url=https://luchshie-digital-agencstva.ru/]luchshie-digital-agencstva.ru[/url] .
check out dunebrook – Everything loads quickly, making navigation easy.
seo partners [url=https://prodvizhenie-sajtov-po-trafiku11.ru/]seo partners[/url] .
quick visit – Pages are tidy, content is easy to read.
статьи про seo [url=https://webproverka.com/index-articles.php/]статьи про seo[/url] .
browse trailbrook district – Information is clear and the structure makes it easy to navigate.
explore dune hub – Clean sections, easy to navigate and read.
комплексное продвижение сайтов москва [url=https://e-news.su/kompyuternye-obzory-i-poleznosti/489441-chto-takoe-prodvizhenie-sajta.html]комплексное продвижение сайтов москва[/url] .
explore more – Interface is tidy, browsing feels natural and intuitive.
seo продвижение магазин наушников [url=https://seo-kejsy17.ru/]seo-kejsy17.ru[/url] .
seo top 1 [url=https://aksport.ru/catalog/raznoe/2025/seo-keys_kak_novostnoy_format_13_11_2025.php/]seo top 1[/url] .
лучшие агентства seo продвижения [url=https://reiting-seo-kompanii.ru/]reiting-seo-kompanii.ru[/url] .
trailstone web hub – Browsing feels pleasant, everything loads properly.
digital маркетинг агентства [url=https://luchshie-digital-agencstva.ru/]luchshie-digital-agencstva.ru[/url] .
seo продвижение сайта по трафику кловер [url=https://prodvizhenie-sajtov-po-trafiku11.ru/]prodvizhenie-sajtov-po-trafiku11.ru[/url] .
shop link – Layout is minimalistic, content is comfortable to read.
как продвигать сайт статьи [url=https://webproverka.com/index-articles.php/]как продвигать сайт статьи[/url] .
techwave – Loved the layout today; clean, simple, and genuinely user-friendly overall.
vynextech – Mobile version looks perfect; no glitches, fast scrolling, crisp text.
meadow shop portal – Clear sections, responsive design, and smooth navigation throughout.
zylotech – Mobile version looks perfect; no glitches, fast scrolling, crisp text.
аудит продвижения сайта [url=http://parnasse.ru/audit-sayta-seo-kak-vyyavit-slabye-mesta-veb-resursa-i-ustranit-oshibki.html]аудит продвижения сайта[/url] .
bytecraft – Content reads clearly, helpful examples made concepts easy to grasp.
получить короткую ссылку google [url=https://aksport.ru/catalog/raznoe/2025/seo-keys_kak_novostnoy_format_13_11_2025.php/]получить короткую ссылку google[/url] .
techsnap – Bookmarked this immediately, planning to revisit for updates and inspiration.
seo firm ranking [url=https://reiting-seo-kompanii.ru/]seo firm ranking[/url] .
meadow vendor house – Responsive design with clear pages for a seamless experience.
заказать продвижение сайта в москве [url=https://lrnews.ru/press-reliz/171246-raskrytie-vozmozhnostey-prodvizheniya-veb-saytov.html]заказать продвижение сайта в москве[/url] .
meadow vendor studio – Professional design with clear layout and easy-to-use navigation.
оптимизация и продвижение сайтов москва [url=https://itcrumbs.ru/poiskovoe-seo-v-moskve_103716]оптимизация и продвижение сайтов москва[/url] .
компании занимающиеся продвижением сайтов [url=https://e-news.su/kompyuternye-obzory-i-poleznosti/489441-chto-takoe-prodvizhenie-sajta.html]компании занимающиеся продвижением сайтов[/url] .
seo services company [url=https://reiting-seo-kompanii.ru/]reiting-seo-kompanii.ru[/url] .
mint vendor lounge – Professional interface with intuitive navigation for effortless browsing.
продвижение сайтов интернет магазины в москве [url=https://advesti.ru/news/internet/agentstvo_prodvizhenie_saytov_kak_rabotaet_sovremennoe_SEO_i_zachem_ono_biznesu_28-07-2025/]продвижение сайтов интернет магазины в москве[/url] .
профессиональное продвижение сайтов [url=https://madwrappers.pro/blog/kak-vybrat-nadezhnogo-partnera-v-tsifrovom-mire/]профессиональное продвижение сайтов[/url] .
раскрутка сайта москва [url=https://andreyex.ru/uslugi/seo-prodvizhenie-sajtov/]раскрутка сайта москва[/url] .
топ сео компаний [url=https://reiting-seo-kompaniy.ru/]топ сео компаний[/url] .
mint marketplace collective – Smooth page flow and clearly arranged sections throughout the site.
seo partner [url=https://itcrumbs.ru/poiskovoe-seo-v-moskve_103716]seo partner[/url] .
ахревс [url=https://seo-kejsy17.ru/]seo-kejsy17.ru[/url] .
explore moon hub – Smooth interface with clearly arranged content and fast-loading pages.
современные seo кейсы [url=https://aksport.ru/catalog/raznoe/2025/seo-keys_kak_novostnoy_format_13_11_2025.php/]современные seo кейсы[/url] .
раскрутка сайта франция [url=https://in.gallerix.ru/journal/internet/201811/zakazat-raskrutku-sayta-v-moskve-kak-vybrat-nadezhnogo-podryadchika-bez-finansovyx-riskov/]раскрутка сайта франция[/url] .
сео агентство [url=https://andreyex.ru/uslugi/seo-prodvizhenie-sajtov/]сео агентство[/url] .
growthmarketing – Mobile version looks perfect; no glitches, fast scrolling, crisp text.
частный seo оптимизатор [url=https://tyumen-news.net/other/2025/07/15/509294.html]частный seo оптимизатор[/url] .
socialmarketing – Color palette felt calming, nothing distracting, just focused, thoughtful design.
список seo агентств [url=https://reiting-seo-kompaniy.ru/]reiting-seo-kompaniy.ru[/url] .
vendor workshop moon – Organized interface makes browsing easy and straightforward.
seo агентство [url=https://golubevod.net/seo-agentstvo-moskva.html]seo агентство[/url] .
internetagentur seo [url=https://nvdaily.ru/info/314202.html]internetagentur seo[/url] .
seo partner [url=http://yopolis.ru/publikacii/5279-seo-prodvizhenie-v-mire-cifrovogo-biznesa.html]seo partner[/url] .
seo кейсы [url=https://seo-kejsy17.ru/]seo-kejsy17.ru[/url] .
vendor plaza mosscrest – Organized layout and fast page transitions make browsing easy.
продвижение в google [url=http://parnasse.ru/audit-sayta-seo-kak-vyyavit-slabye-mesta-veb-resursa-i-ustranit-oshibki.html]продвижение в google[/url] .
сделать аудит сайта цена [url=https://golubevod.net/seo-agentstvo-moskva.html]сделать аудит сайта цена[/url] .
moss hub corner – Intuitive interface with clear sections for smooth and simple exploration.
internet seo [url=https://lrnews.ru/press-reliz/171246-raskrytie-vozmozhnostey-prodvizheniya-veb-saytov.html]internet seo[/url] .
emporium corner night – Clear design with organized layout for easy navigation and browsing.
оптимизация и продвижение сайтов москва [url=https://prodvizhenie-sajtov-v-moskve15.ru/]оптимизация и продвижение сайтов москва[/url] .
seo partner [url=https://golubevod.net/seo-agentstvo-moskva.html]seo partner[/url] .
night vendor studio – Clean, professional design with responsive sections and simple navigation.
seo partner [url=https://prodvizhenie-sajtov-v-moskve15.ru/]prodvizhenie-sajtov-v-moskve15.ru[/url] .
convertio – Mobile version looks perfect; no glitches, fast scrolling, crisp text.
oakstone vendor hub – Clean vendor house layout with smooth navigation and well-arranged sections.
adlify – Appreciate the typography choices; comfortable spacing improved my reading experience.
ranksignal – Mobile version looks perfect; no glitches, fast scrolling, crisp text.
signaltrack – Overall, professional vibe here; trustworthy, polished, and pleasantly minimal throughout.
oak vendor hub – Clean emporium layout with intuitive navigation and smooth browsing.
seo продвижение и раскрутка сайта [url=https://prodvizhenie-sajtov-v-moskve15.ru/]prodvizhenie-sajtov-v-moskve15.ru[/url] .
агентство seo [url=https://reiting-seo-kompaniy.ru/]агентство seo[/url] .
seo partners [url=https://advesti.ru/news/internet/agentstvo_prodvizhenie_saytov_kak_rabotaet_sovremennoe_SEO_i_zachem_ono_biznesu_28-07-2025/]seo partners[/url] .
admark – Appreciate the typography choices; comfortable spacing improved my reading experience.
vendor hub olivebrook – Organized pages with smooth browsing and intuitive layout make exploring effortless.
студия продвижения сайтов омск [url=https://elektroportal.ru/news/corp/253314/]студия продвижения сайтов омск[/url] .
поисковое продвижение москва профессиональное продвижение сайтов [url=https://prodvizhenie-sajtov-v-moskve15.ru/]prodvizhenie-sajtov-v-moskve15.ru[/url] .
explore olive vendor – Smooth interface and intuitive layout make navigation effortless and enjoyable.
усиление ссылок переходами [url=https://advesti.ru/news/internet/agentstvo_prodvizhenie_saytov_kak_rabotaet_sovremennoe_SEO_i_zachem_ono_biznesu_28-07-2025/]усиление ссылок переходами[/url] .
opal hub exchange – Neat interface with clear sections makes exploring effortless.
заказать продвижение сайта омск [url=https://elektroportal.ru/news/corp/253314/]заказать продвижение сайта омск[/url] .
seo продвижение сайтов агентство [url=https://reiting-seo-kompaniy.ru/]reiting-seo-kompaniy.ru[/url] .
opal vendor plaza – Simple page design keeps navigation clear and easy to follow.
русское порно на йоге [url=https://yoga-porno.ru/]русское порно на йоге[/url] .
инъекционное усиление грунта [url=https://usilenie-gruntov-1.ru/]инъекционное усиление грунта[/url] .
проектирование капитального ремонта зданий [url=https://remont-zdaniya-1.ru/]remont-zdaniya-1.ru[/url] .
интернет раскрутка [url=https://prodvizhenie-sajtov-v-moskve15.ru/]prodvizhenie-sajtov-v-moskve15.ru[/url] .
orchard hub studio – The platform feels light and simple to browse through.
seo оптимизация сайта омск [url=https://elektroportal.ru/news/corp/253314/]seo оптимизация сайта омск[/url] .
интернет агентство продвижение сайтов сео [url=https://advesti.ru/news/internet/agentstvo_prodvizhenie_saytov_kak_rabotaet_sovremennoe_SEO_i_zachem_ono_biznesu_28-07-2025/]интернет агентство продвижение сайтов сео[/url] .
bahis siteler 1xbet [url=https://1xbet-47.com/]1xbet-47.com[/url] .
1xbet lite [url=https://1xbet-50.com/]1xbet lite[/url] .
выебал на йоге [url=https://yoga-porno.ru/]выебал на йоге[/url] .
check this link – Ideas can transform into real results when acted upon consistently.
birxbet giri? [url=https://1xbet-51.com/]birxbet giri?[/url] .
1xbet turkey [url=https://1xbet-49.com/]1xbet turkey[/url] .
orchard marketplace workshop – Pages appear organized and everything loads without delay.
капитальный ремонт зданий и сооружений [url=https://remont-zdaniya-1.ru/]капитальный ремонт зданий и сооружений[/url] .
усиление грунта под фундаментом стоимость [url=https://usilenie-gruntov-1.ru/]usilenie-gruntov-1.ru[/url] .
click for insight – Conceptual clarity allows ideas to convert smoothly into progress.
check guided process – Initiating work maintains flow and minimizes delays.
pearlcrest vendor plaza – Clean design keeps the browsing flow comfortable.
1xbet yeni giri? [url=https://1xbet-47.com/]1xbet yeni giri?[/url] .
1xbet g?ncel adres [url=https://1xbet-50.com/]1xbet g?ncel adres[/url] .
ебет на йоге [url=https://yoga-porno.ru/]ебет на йоге[/url] .
1xbet giri? [url=https://1xbet-49.com/]1xbet giri?[/url] .
xbet [url=https://1xbet-51.com/]xbet[/url] .
reference link – Organized ideas create steady, predictable forward progress.
visit this guide – A clear approach to building consistent traction helps projects move forward smoothly.
1xbet giri? linki [url=https://1xbet-52.com/]1xbet-52.com[/url] .
go to page – Well-organized concepts make project advancement straightforward and effective.
browse this page – Channeling momentum effectively keeps progress structured and impactful.
birxbet giri? [url=https://1xbet-49.com/]1xbet-49.com[/url] .
усиление грунта под фундаментом частного дома цена [url=https://usilenie-gruntov-1.ru/]usilenie-gruntov-1.ru[/url] .
learn more here – Well-structured execution allows consistent and measurable growth.
гидроизоляция подвала москва [url=https://gidroizolyacziya-podvalov.ru/]gidroizolyacziya-podvalov.ru[/url] .
1xbet g?ncel adres [url=https://1xbet-47.com/]1xbet g?ncel adres[/url] .
discover details – Movement requires a sense of direction; without it, progress slows.
marketingautomation – Found practical insights today; sharing this article with colleagues later.
go to page – Clear design supports a seamless and enjoyable purchasing journey.
1xbet [url=https://1xbet-49.com/]1xbet[/url] .
visit this site – Progress accelerates when energy is focused along a clear path.
1xbet guncel [url=https://1xbet-52.com/]1xbet-52.com[/url] .
reachriver – Pages loaded fast, images appeared sharp, and formatting stayed consistent.
analyticsreport – Loved the layout today; clean, simple, and genuinely user-friendly overall.
гидроизоляция подвала москва [url=https://gidroizolyacziya-podvalov.ru/]gidroizolyacziya-podvalov.ru[/url] .
ремонт бетонных конструкций стоимость [url=https://remont-betona-1.ru/]ремонт бетонных конструкций стоимость[/url] .
усиление основания грунтов [url=https://usilenie-gruntov-1.ru/]усиление основания грунтов[/url] .
learn more here – Organized ideas guide practical implementation and improve results.
1xbet resmi [url=https://1xbet-51.com/]1xbet resmi[/url] .
discover details – Releasing energy toward goals enhances momentum and ensures steady achievement.
1xbet giri? [url=https://1xbet-50.com/]1xbet giri?[/url] .
learn more here – Focused planning ensures development continues without disruption.
click for growth clarity – Clear understanding ensures smoother and faster advancement.
ремонт бетонных конструкций усиление [url=https://remont-betona-1.ru/]ремонт бетонных конструкций усиление[/url] .
birxbet giri? [url=https://1xbet-53.com/]1xbet-53.com[/url] .
инъектирование грунта цена [url=https://usilenie-gruntov-1.ru/]инъектирование грунта цена[/url] .
1xbet g?ncel adres [url=https://1xbet-51.com/]1xbet g?ncel adres[/url] .
check details – Thoughtful preparation ensures efforts are directed toward meaningful growth.
1xbet ?ye ol [url=https://1xbet-48.com/]1xbet-48.com[/url] .
see action in strategy – Strategies remain ideas until they are actively implemented.
1xbet mobil giri? [url=https://1xbet-47.com/]1xbet-47.com[/url] .
quick access – Effective design choices help growth occur in a consistent, smooth manner.
ремонт бетонных конструкций трещины [url=https://remont-betona-1.ru/]ремонт бетонных конструкций трещины[/url] .
1xbet g?ncel giri? [url=https://1xbet-54.com/]1xbet g?ncel giri?[/url] .
open this link – Using signals effectively can reduce mistakes and improve outcomes.
йога порно онлайн [url=https://yoga-porno.ru/]йога порно онлайн[/url] .
устранение протечек в подвале [url=https://gidroizolyacziya-podvalov.ru/]gidroizolyacziya-podvalov.ru[/url] .
more info – Simple focus guides actions forward efficiently and reliably.
1 xbet giri? [url=https://1xbet-54.com/]1xbet-54.com[/url] .
check this link – Guiding ideas with strategy helps turn concepts into practical results.
check this out – User-friendly layout helps shoppers find promotions fast.
йога порно онлайн [url=https://yoga-porno.ru/]йога порно онлайн[/url] .
услуги гидроизоляции подвала [url=https://gidroizolyacziya-podvalov.ru/]gidroizolyacziya-podvalov.ru[/url] .
click to view – Gradually constructing motion strengthens consistency and helps reach goals.
1xbet giri? adresi [url=https://1xbet-54.com/]1xbet giri? adresi[/url] .
quick access – User-friendly layout made finding unique items fast and simple.
learn more – The layout is straightforward and browsing flows seamlessly.
browse this – Staying focused allows progress to happen efficiently without unnecessary deviation.
read this page – Simple design helps users locate products without confusion.
access now – Logical organization of content ensures smooth and fast browsing.
1xbet [url=https://1xbet-53.com/]1xbet[/url] .
ремонт гидроизоляции фундаментов и стен подвалов [url=https://gidroizolyacziya-podvalov.ru/]ремонт гидроизоляции фундаментов и стен подвалов[/url] .
1xbet giri?i [url=https://1xbet-55.com/]1xbet giri?i[/url] .
see more info – Staying focused ensures each step contributes meaningfully to overall progress.
explore the page – Smooth design helped me navigate alternative solutions without hassle.
1xbet giris [url=https://1xbet-51.com/]1xbet giris[/url] .
trading resource link – Well-arranged sections help users navigate trading topics effortlessly.
ремонт бетонных конструкций [url=https://remont-betona-1.ru/]ремонт бетонных конструкций[/url] .
оригинальные букеты с доставкой по москве [url=https://zakazat-cveti-moskva.ru/]https://zakazat-cveti-moskva.ru/[/url] .
1x bet giri? [url=https://1xbet-54.com/]1x bet giri?[/url] .
explore here – Directing energy effectively helps maintain smooth, continuous progress.
explore now – Smooth navigation helped me find interesting items quickly.
viralshift – Overall, professional vibe here; trustworthy, polished, and pleasantly minimal throughout.
1xbet resmi [url=https://1xbet-55.com/]1xbet-55.com[/url] .
site link – Simple design allows for fast and natural navigation.
1xbet ?yelik [url=https://1xbet-48.com/]1xbet-48.com[/url] .
netamplify – Loved the layout today; clean, simple, and genuinely user-friendly overall.
1xbet giri? 2025 [url=https://1xbet-giris-27.com/]1xbet-giris-27.com[/url] .
read this page – Smooth interface makes exploring products flexible and quick.
tap here – Ideas that flow with strategy create clarity in execution and enhance effectiveness.
leadcircuit – Found practical insights today; sharing this article with colleagues later.
access now – The clean interface makes browsing feel smooth and straightforward.
1xbet giri? adresi [url=https://1xbet-giris-29.com/]1xbet giri? adresi[/url] .
ремонт бетонных конструкций монолитный [url=https://remont-betona-1.ru/]remont-betona-1.ru[/url] .
1xbet g?ncel adres [url=https://1xbet-54.com/]1xbet g?ncel adres[/url] .
open this link – Easy navigation allowed me to quickly locate the right answers.
gain energy through action – Proactive steps naturally create momentum and motivation.
1x bet [url=https://1xbet-56.com/]1x bet[/url] .
smile link – Smooth transitions and a clean layout make browsing enjoyable.
1xbet mobi [url=https://1xbet-giris-27.com/]1xbet-giris-27.com[/url] .
1xbet ?ye ol [url=https://1xbet-giris-30.com/]1xbet-giris-30.com[/url] .
цветы цена букет [url=http://www.zakazat-cveti-moskva.ru]http://www.zakazat-cveti-moskva.ru[/url] .
1xbet giri? 2025 [url=https://1xbet-giris-29.com/]1xbet giri? 2025[/url] .
check this out – Intuitive navigation allows fast access to alternative solutions.
use this page – Energy works best when it’s channeled correctly rather than being wasted.
math portal – Easy-to-follow layout ensures learners can navigate topics efficiently.
1xbet lite [url=https://1xbet-53.com/]1xbet-53.com[/url] .
bahis sitesi 1xbet [url=https://1xbet-giris-30.com/]bahis sitesi 1xbet[/url] .
1xbet mobi [url=https://1xbet-giris-27.com/]1xbet-giris-27.com[/url] .
modernpurchasehub.shop – Sleek interface makes shopping effortless and enjoyable for everyone.
crypto hub – Well-organized design makes exploring information effortless.
1xbet resmi [url=https://1xbet-giris-29.com/]1xbet-giris-29.com[/url] .
1xbet ?ye ol [url=https://1xbet-giris-28.com/]1xbet-giris-28.com[/url] .
check this shop – I randomly landed here and it was fun looking around.
1xbet giri? [url=https://1xbet-56.com/]1xbet giri?[/url] .
click for deals – User-friendly platform that makes daily purchases simple.
cotton brook homepage – First impression shows page design is neat and user-friendly.
1xbet spor bahislerinin adresi [url=https://1xbet-giris-27.com/]1xbet-giris-27.com[/url] .
1x bet [url=https://1xbet-giris-30.com/]1x bet[/url] .
1 xbet giri? [url=https://1xbet-giris-28.com/]1xbet-giris-28.com[/url] .
1xbet yeni giri? adresi [url=https://1xbet-giris-34.com/]1xbet yeni giri? adresi[/url] .
1xbet g?ncel giri? [url=https://1xbet-giris-29.com/]1xbet g?ncel giri?[/url] .
1xbet g?ncel [url=https://1xbet-giris-32.com/]1xbet g?ncel[/url] .
1xbet com giri? [url=https://1xbet-giris-31.com/]1xbet com giri?[/url] .
shop link – Everything seems well spaced and the page is comfortable to browse.
1xbet g?ncel adres [url=https://1xbet-giris-35.com/]1xbet g?ncel adres[/url] .
заказать букет цветов с доставкой [url=www.zakazat-cveti-moskva.ru/]www.zakazat-cveti-moskva.ru/[/url] .
1xbet resmi giri? [url=https://1xbet-giris-30.com/]1xbet resmi giri?[/url] .
see the market – Just checked it briefly, planning to return for a proper look.
one x bet [url=https://1xbet-56.com/]one x bet[/url] .
1xbet guncel [url=https://1xbet-giris-34.com/]1xbet guncel[/url] .
1xbet g?ncel adres [url=https://1xbet-giris-27.com/]1xbet g?ncel adres[/url] .
1xbet turkey [url=https://1xbet-giris-35.com/]1xbet turkey[/url] .
store link – Stumbled onto this page and it looks pretty informative overall.
1xbet giri? yapam?yorum [url=https://1xbet-giris-29.com/]1xbet-giris-29.com[/url] .
1xbet resmi giri? [url=https://1xbet-giris-34.com/]1xbet resmi giri?[/url] .
site link – Stopped by and the pages appear clean and easy to navigate.
1xbet resmi giri? [url=https://1xbet-giris-28.com/]1xbet-giris-28.com[/url] .
1 x bet giri? [url=https://1xbet-giris-31.com/]1 x bet giri?[/url] .
one x bet [url=https://1xbet-giris-32.com/]1xbet-giris-32.com[/url] .
букет цветов с доставкой по москве недорого [url=zakazat-cveti-moskva.ru]zakazat-cveti-moskva.ru[/url] .
1xbet giris [url=https://1xbet-giris-30.com/]1xbet giris[/url] .
explore this outlet – The website provides straightforward information that’s easy to follow.
ремонт зданий [url=https://remont-zdaniya-1.ru/]ремонт зданий[/url] .
1xbet resmi giri? [url=https://1xbet-giris-28.com/]1xbet-giris-28.com[/url] .
1xbet resmi giri? [url=https://1xbet-giris-31.com/]1xbet resmi giri?[/url] .
1xbet tr giri? [url=https://1xbet-giris-36.com/]1xbet tr giri?[/url] .
store link – Opened a few pages and the structure feels organized and intuitive.
1xbet giri? 2025 [url=https://1xbet-giris-32.com/]1xbet-giris-32.com[/url] .
1xbet turkiye [url=https://1xbet-giris-35.com/]1xbet-giris-35.com[/url] .
1xbet giri? linki [url=https://1xbet-giris-40.com/]1xbet giri? linki[/url] .
outlet website – Landed on the site and it seems well-organized and valuable for visitors.
1xbet tr giri? [url=https://1xbet-giris-37.com/]1xbet-giris-37.com[/url] .
ремонт здания [url=https://remont-zdaniya-1.ru/]ремонт здания[/url] .
1xbet turkey [url=https://1xbet-giris-38.com/]1xbet-giris-38.com[/url] .
birxbet giri? [url=https://1xbet-giris-36.com/]birxbet giri?[/url] .
1x bet [url=https://1xbet-giris-31.com/]1x bet[/url] .
доставка букет цветов москва заказать недорого [url=https://zakazat-cveti-moskva.ru]https://zakazat-cveti-moskva.ru[/url] .
1xbet resmi [url=https://1xbet-giris-41.com/]1xbet resmi[/url] .
1 xbet [url=https://1xbet-giris-32.com/]1xbet-giris-32.com[/url] .
searchengineers – Mobile version looks perfect; no glitches, fast scrolling, crisp text.
take a look here – The website is simple to navigate and very user-friendly.
1xbet [url=https://1xbet-giris-35.com/]1xbet[/url] .
1xbet guncel [url=https://1xbet-giris-40.com/]1xbet guncel[/url] .
1xbet mobil giri? [url=https://1xbet-giris-37.com/]1xbet-giris-37.com[/url] .
1xbet com giri? [url=https://1xbet-giris-38.com/]1xbet-giris-38.com[/url] .
1xbet spor bahislerinin adresi [url=https://1xbet-giris-36.com/]1xbet spor bahislerinin adresi[/url] .
marketingengine – Navigation felt smooth, found everything quickly without any confusing steps.
капитальный ремонт зданий и сооружений [url=https://remont-zdaniya-1.ru/]капитальный ремонт зданий и сооружений[/url] .
site link – Came across this page today and it immediately drew my interest.
xbet [url=https://1xbet-giris-42.com/]xbet[/url] .
1 x bet [url=https://1xbet-giris-41.com/]1 x bet[/url] .
1xbet giri? linki [url=https://1xbet-giris-32.com/]1xbet-giris-32.com[/url] .
1xbet ?yelik [url=https://1xbet-giris-40.com/]1xbet ?yelik[/url] .
1xbet tr giri? [url=https://1xbet-giris-38.com/]1xbet-giris-38.com[/url] .
1xbet resmi giri? [url=https://1xbet-giris-37.com/]1xbet-giris-37.com[/url] .
leadnest – Mobile version looks perfect; no glitches, fast scrolling, crisp text.
Market Pebbles – Simple, neat design allows for easy shopping.
1 x bet giri? [url=https://1xbet-giris-42.com/]1xbet-giris-42.com[/url] .
bahis sitesi 1xbet [url=https://1xbet-giris-41.com/]bahis sitesi 1xbet[/url] .
1xbet mobil giri? [url=https://1xbet-giris-38.com/]1xbet-giris-38.com[/url] .
1xbwt giri? [url=https://1xbet-giris-36.com/]1xbwt giri?[/url] .
1xbet lite [url=https://1xbet-giris-40.com/]1xbet lite[/url] .
1xbet mobil giri? [url=https://1xbet-giris-37.com/]1xbet-giris-37.com[/url] .
Harbor Hub – Minimalist design enhances the overall shopping experience.
1xbet t?rkiye giri? [url=https://1xbet-giris-31.com/]1xbet t?rkiye giri?[/url] .
1xbet yeni giri? [url=https://1xbet-giris-28.com/]1xbet yeni giri?[/url] .
1 xbet [url=https://1xbet-giris-42.com/]1xbet-giris-42.com[/url] .
Stone Gems – Clear structure ensures smooth navigation.
1xbet t?rkiye [url=https://1xbet-giris-39.com/]1xbet t?rkiye[/url] .
1xbet resmi [url=https://1xbet-giris-38.com/]1xbet-giris-38.com[/url] .
1xbet giri? adresi [url=https://1xbet-giris-40.com/]1xbet giri? adresi[/url] .
Plum Market Hub – Clean layout helps users find what they’re looking for quickly.
1xbet g?ncel giri? [url=https://1xbet-giris-44.com/]1xbet g?ncel giri?[/url] .
1 xbet giri? [url=https://1xbet-giris-39.com/]1xbet-giris-39.com[/url] .
1xbet g?ncel [url=https://1xbet-giris-33.com/]1xbet g?ncel[/url] .
1x bet giri? [url=https://1xbet-giris-43.com/]1xbet-giris-43.com[/url] .
1xbet guncel [url=https://1xbet-giris-45.com/]1xbet guncel[/url] .
1xbet tr giri? [url=https://1xbet-giris-44.com/]1xbet-giris-44.com[/url] .
1xbet t?rkiye giri? [url=https://1xbet-giris-39.com/]1xbet t?rkiye giri?[/url] .
1xbet giri?i [url=https://1xbet-giris-34.com/]1xbet giri?i[/url] .
1xbet g?ncel [url=https://1xbet-giris-33.com/]1xbet g?ncel[/url] .
1 x bet giri? [url=https://1xbet-giris-45.com/]1 x bet giri?[/url] .
1xbet giri? 2025 [url=https://1xbet-giris-42.com/]1xbet-giris-42.com[/url] .
1xbet g?ncel [url=https://1xbet-giris-43.com/]1xbet g?ncel[/url] .
1x bet [url=https://1xbet-giris-41.com/]1x bet[/url] .
1x bet [url=https://1xbet-giris-44.com/]1x bet[/url] .
1xbet giri? [url=https://1xbet-giris-39.com/]1xbet giri?[/url] .
1 x bet [url=https://1xbet-giris-33.com/]1xbet-giris-33.com[/url] .
birxbet [url=https://1xbet-giris-34.com/]birxbet[/url] .
1 x bet [url=https://1xbet-giris-42.com/]1xbet-giris-42.com[/url] .
1xbwt giri? [url=https://1xbet-giris-44.com/]1xbet-giris-44.com[/url] .
1xbet g?ncel adres [url=https://1xbet-giris-43.com/]1xbet g?ncel adres[/url] .
1xbet g?ncel giri? [url=https://1xbet-giris-41.com/]1xbet g?ncel giri?[/url] .
1xbet yeni adresi [url=https://1xbet-giris-33.com/]1xbet yeni adresi[/url] .
1x lite [url=https://1xbet-giris-39.com/]1xbet-giris-39.com[/url] .
сделать реферат [url=https://nejroset-dlya-referatov-1.ru/]nejroset-dlya-referatov-1.ru[/url] .
ии для студентов [url=https://nejroset-dlya-referatov-3.ru/]ии для студентов[/url] .
чат нейросеть для учебы [url=https://nejroset-dlya-referatov-2.ru/]nejroset-dlya-referatov-2.ru[/url] .
1xbet yeni adresi [url=https://1xbet-giris-46.com/]1xbet yeni adresi[/url] .
лучшая нейросеть для учебы [url=https://nejroset-dlya-referatov.ru/]nejroset-dlya-referatov.ru[/url] .
1x bet [url=https://1xbet-giris-43.com/]1xbet-giris-43.com[/url] .
умная нейросеть для учебы [url=https://nejroset-dlya-referatov-1.ru/]nejroset-dlya-referatov-1.ru[/url] .
нейросеть реферат [url=https://nejroset-dlya-referatov-3.ru/]нейросеть реферат[/url] .
реферат нейросеть [url=https://nejroset-dlya-referatov-2.ru/]реферат нейросеть[/url] .
1xbet resmi sitesi [url=https://1xbet-giris-46.com/]1xbet resmi sitesi[/url] .
ии реферат [url=https://nejroset-dlya-referatov.ru/]ии реферат[/url] .
1xbet g?ncel giri? [url=https://1xbet-giris-43.com/]1xbet g?ncel giri?[/url] .
1xbet g?ncel adres [url=https://1xbet-giris-44.com/]1xbet g?ncel adres[/url] .
1xbet giri? [url=https://1xbet-giris-37.com/]1xbet giri?[/url] .
1xbet giri? g?ncel [url=https://1xbet-giris-33.com/]1xbet giri? g?ncel[/url] .
доставка цветов москва цены [url=http://www.dostavka-cvetov-moskva495.ru]http://www.dostavka-cvetov-moskva495.ru[/url] .
leadmagnet – Appreciate the typography choices; comfortable spacing improved my reading experience.
нейросеть для рефератов [url=https://nejroset-dlya-referatov-3.ru/]нейросеть для рефератов[/url] .
чат нейросеть для учебы [url=https://nejroset-dlya-referatov-2.ru/]nejroset-dlya-referatov-2.ru[/url] .
clickedge – Color palette felt calming, nothing distracting, just focused, thoughtful design.
1xbet tr [url=https://1xbet-giris-46.com/]1xbet tr[/url] .
birxbet giri? [url=https://1xbet-giris-45.com/]1xbet-giris-45.com[/url] .
нейросеть для студентов [url=https://nejroset-dlya-referatov-1.ru/]нейросеть для студентов[/url] .
1xbetgiri? [url=https://1xbet-giris-46.com/]1xbetgiri?[/url] .
1xbet resmi [url=https://1xbet-giris-45.com/]1xbet-giris-45.com[/url] .
ии реферат [url=https://nejroset-dlya-referatov-1.ru/]ии реферат[/url] .
нейросеть для рефератов [url=https://nejroset-dlya-referatov-4.ru/]нейросеть для рефератов[/url] .
нейросеть для студентов онлайн [url=https://nejroset-dlya-referatov-5.ru/]nejroset-dlya-referatov-5.ru[/url] .
нейросеть реферат онлайн [url=https://nejroset-dlya-referatov-6.ru/]нейросеть реферат онлайн[/url] .
сайт для рефератов [url=https://nejroset-dlya-referatov-3.ru/]сайт для рефератов[/url] .
купить цветы с доставкой в москве недорого на дом [url=https://dostavka-cvetov-moskva495.ru]https://dostavka-cvetov-moskva495.ru[/url] .
чат нейросеть для учебы [url=https://nejroset-dlya-referatov-7.ru/]nejroset-dlya-referatov-7.ru[/url] .
реферат нейросеть [url=https://nejroset-dlya-referatov.ru/]реферат нейросеть[/url] .
1xbet giris [url=https://1xbet-giris-46.com/]1xbet giris[/url] .
нейросеть для школьников и студентов [url=https://nejroset-dlya-referatov-4.ru/]нейросеть для школьников и студентов[/url] .
ии для учебы студентов [url=https://nejroset-dlya-referatov-5.ru/]nejroset-dlya-referatov-5.ru[/url] .
реферат через нейросеть [url=https://nejroset-dlya-referatov-3.ru/]реферат через нейросеть[/url] .
ии для студентов [url=https://nejroset-dlya-referatov-7.ru/]nejroset-dlya-referatov-7.ru[/url] .
генерация [url=https://nejroset-dlya-referatov.ru/]nejroset-dlya-referatov.ru[/url] .
реферат нейросеть [url=https://nejroset-dlya-referatov-4.ru/]реферат нейросеть[/url] .
нейросеть реферат [url=https://nejroset-dlya-referatov-5.ru/]нейросеть реферат[/url] .
resultsfirst – Color palette felt calming, nothing distracting, just focused, thoughtful design.
жена друга совращает [url=https://jena-druga-porno.ru/]жена друга совращает[/url] .
ии для школьников и студентов [url=https://nejroset-dlya-referatov-9.ru/]ии для школьников и студентов[/url] .
сайт для рефератов [url=https://nejroset-dlya-referatov-7.ru/]сайт для рефератов[/url] .
цветы в москве с бесплатной доставкой [url=www.dostavka-cvetov-moskva495.ru/]www.dostavka-cvetov-moskva495.ru/[/url] .
ии для учебы студентов [url=https://nejroset-dlya-referatov.ru/]nejroset-dlya-referatov.ru[/url] .
секс с женой друга [url=https://jena-druga-porno.ru/]секс с женой друга[/url] .
нейросеть для студентов онлайн [url=https://nejroset-dlya-referatov-9.ru/]нейросеть для студентов онлайн[/url] .
ии для учебы студентов [url=https://nejroset-dlya-referatov-2.ru/]nejroset-dlya-referatov-2.ru[/url] .
1xbet yeni giri? adresi [url=https://1xbet-giris-45.com/]1xbet yeni giri? adresi[/url] .
ии для студентов [url=https://nejroset-dlya-referatov-4.ru/]ии для студентов[/url] .
лучшая нейросеть для учебы [url=https://nejroset-dlya-referatov-5.ru/]nejroset-dlya-referatov-5.ru[/url] .
друг мужа ебет жену [url=https://jena-druga-porno.ru/]друг мужа ебет жену[/url] .
нейросеть студент бот [url=https://nejroset-dlya-referatov-6.ru/]нейросеть студент бот[/url] .
нейросеть реферат онлайн [url=https://nejroset-dlya-referatov-9.ru/]нейросеть реферат онлайн[/url] .
нейросеть для студентов онлайн [url=https://nejroset-dlya-referatov-1.ru/]nejroset-dlya-referatov-1.ru[/url] .
ии для школьников и студентов [url=https://nejroset-dlya-referatov-2.ru/]nejroset-dlya-referatov-2.ru[/url] .
нейросеть для школьников и студентов [url=https://nejroset-dlya-referatov-7.ru/]нейросеть для школьников и студентов[/url] .
купить букет роз в москве недорого [url=http://www.dostavka-cvetov-moskva495.ru]http://www.dostavka-cvetov-moskva495.ru[/url] .
нейросеть для учебы онлайн [url=https://nejroset-dlya-referatov-4.ru/]нейросеть для учебы онлайн[/url] .
реферат нейросеть [url=https://nejroset-dlya-referatov-5.ru/]реферат нейросеть[/url] .
нейросети для студентов [url=https://nejroset-dlya-referatov-6.ru/]нейросети для студентов[/url] .
нейросеть реферат [url=https://nejroset-dlya-referatov-9.ru/]нейросеть реферат[/url] .
твое порно с женой друга [url=https://jena-druga-porno.ru/]твое порно с женой друга[/url] .
нейросеть генерации текстов для студентов [url=https://nejroset-dlya-referatov-7.ru/]нейросеть генерации текстов для студентов[/url] .
нейросеть для рефератов [url=https://nejroset-dlya-referatov-6.ru/]нейросеть для рефератов[/url] .
ии реферат [url=https://nejroset-dlya-referatov-9.ru/]ии реферат[/url] .
hd видео с женой друга [url=https://jena-druga-porno.ru/]hd видео с женой друга[/url] .
доставка букетов роз недорого [url=http://www.dostavka-cvetov-moskva495.ru]http://www.dostavka-cvetov-moskva495.ru[/url] .
internetagentur seo [url=https://prodvizhenie-sajtov-v-moskve4.ru/]prodvizhenie-sajtov-v-moskve4.ru[/url] .
нейросеть пишет реферат [url=https://nejroset-dlya-referatov-6.ru/]нейросеть пишет реферат[/url] .
mostbet casino app [url=https://mostbetr.com/en/mobil_uygulama/]mostbet casino app[/url] .
a/b тест наружная реклама [url=https://reklamnyj-kreativ14.ru/]a/b тест наружная реклама[/url] .
сео агентство [url=https://prodvizhenie-sajtov-v-moskve4.ru/]сео агентство[/url] .
clicksthatsell – Appreciate the typography choices; comfortable spacing improved my reading experience.
mostbet mobile [url=https://mostbetr.com/en/mobil_uygulama/]mostbet mobile[/url] .
сервис анализа креативов [url=https://reklamnyj-kreativ14.ru/]сервис анализа креативов[/url] .
clickorbit – Loved the layout today; clean, simple, and genuinely user-friendly overall.
улучшение креативов [url=https://reklamnyj-kreativ12.ru/]улучшение креативов[/url] .
mostbet app download [url=https://mostbetr.com/en/mobil_uygulama/]mostbet app download[/url] .
поисковое продвижение сайта в интернете москва [url=https://prodvizhenie-sajtov-v-moskve4.ru/]prodvizhenie-sajtov-v-moskve4.ru[/url] .
seo partner program [url=https://internet-agentstvo-prodvizhenie-sajtov-seo.ru/]internet-agentstvo-prodvizhenie-sajtov-seo.ru[/url] .
лучшая нейросеть для учебы [url=https://nejroset-dlya-referatov-8.ru/]nejroset-dlya-referatov-8.ru[/url] .
анализ наружной рекламы [url=https://reklamnyj-kreativ14.ru/]анализ наружной рекламы[/url] .
highroi – Loved the layout today; clean, simple, and genuinely user-friendly overall.
технический перевод стоимость [url=https://teh-perevod.ru/]teh-perevod.ru[/url] .
продвижение сайтов в москве [url=https://prodvizhenie-sajtov-v-moskve4.ru/]продвижение сайтов в москве[/url] .
чат нейросеть для учебы [url=https://nejroset-dlya-referatov-8.ru/]nejroset-dlya-referatov-8.ru[/url] .
раскрутка сайта франция цена [url=https://internet-agentstvo-prodvizhenie-sajtov-seo.ru/]internet-agentstvo-prodvizhenie-sajtov-seo.ru[/url] .
анализ карточек маркетплейс [url=https://reklamnyj-kreativ14.ru/]анализ карточек маркетплейс[/url] .
запоминаемость слогана реклама [url=https://reklamnyj-kreativ12.ru/]reklamnyj-kreativ12.ru[/url] .
mostbet casino app [url=https://mostbetr.com/en/mobil_uygulama/]mostbet casino app[/url] .
seo partner program [url=https://prodvizhenie-sajtov-v-moskve4.ru/]prodvizhenie-sajtov-v-moskve4.ru[/url] .
phuket thailand villas for sale [url=https://villas-for-sale-in-phuket.com/]phuket thailand villas for sale[/url] .
houses for sale in phuket [url=https://real-estate-for-sale-in-phuket.com/]real-estate-for-sale-in-phuket.com[/url] .
luxury villas thailand phuket for sale [url=https://villas-for-sale-in-phuket-1.com/]villas-for-sale-in-phuket-1.com[/url] .
phuket thailand apartments for sale [url=https://apartments-for-sale-in-phuket-1.com/]apartments-for-sale-in-phuket-1.com[/url] .
apartments for sale phuket [url=https://apartments-for-sale-in-phuket.com/]apartments for sale phuket[/url] .
раскрутка сайта москва [url=https://internet-agentstvo-prodvizhenie-sajtov-seo.ru/]раскрутка сайта москва[/url] .
сервис анализа креативов [url=https://reklamnyj-kreativ14.ru/]сервис анализа креативов[/url] .
mostbet apk download [url=https://mostbetr.com/en/mobil_uygulama/]mostbet apk download[/url] .
phuket villas for sale [url=https://villas-for-sale-in-phuket.com/]phuket villas for sale[/url] .
papaya property [url=https://real-estate-for-sale-in-phuket.com/]papaya property[/url] .
freehold condos for sale in phuket [url=https://apartments-for-sale-in-phuket-1.com/]apartments-for-sale-in-phuket-1.com[/url] .
apartments for sale thailand phuket [url=https://apartments-for-sale-in-phuket.com/]apartments for sale thailand phuket[/url] .
thailand phuket villas for sale [url=https://villas-for-sale-in-phuket-1.com/]villas-for-sale-in-phuket-1.com[/url] .
upster pro [url=https://reklamnyj-kreativ12.ru/]upster pro[/url] .
clickfusion – Mobile version looks perfect; no glitches, fast scrolling, crisp text.
продвижение сайтов в москве [url=https://internet-agentstvo-prodvizhenie-sajtov-seo.ru/]продвижение сайтов в москве[/url] .
согласование перепланировки москва [url=https://pereplanirovka-kvartir11.ru/]согласование перепланировки москва[/url] .
villas for sale in thailand phuket [url=https://villas-for-sale-in-phuket.com/]villas for sale in thailand phuket[/url] .
phuket property for sale thailand [url=https://real-estate-for-sale-in-phuket.com/]phuket property for sale thailand[/url] .
hyperclick – Loved the layout today; clean, simple, and genuinely user-friendly overall.
condos for sale phuket [url=https://apartments-for-sale-in-phuket-1.com/]condos for sale phuket[/url] .
laguna phuket apartments for sale [url=https://apartments-for-sale-in-phuket.com/]apartments-for-sale-in-phuket.com[/url] .
согласование перепланировки [url=https://pereplanirovka-kvartir11.ru/]согласование перепланировки[/url] .
оптимизация сайта франция цена [url=https://internet-agentstvo-prodvizhenie-sajtov-seo.ru/]internet-agentstvo-prodvizhenie-sajtov-seo.ru[/url] .
clickifypro – Overall, professional vibe here; trustworthy, polished, and pleasantly minimal throughout.
машинное обучение креативы [url=https://reklamnyj-kreativ12.ru/]reklamnyj-kreativ12.ru[/url] .
технический переводчик услуги [url=https://teh-perevod.ru/]teh-perevod.ru[/url] .
luxury villas in phuket for sale [url=https://villas-for-sale-in-phuket-1.com/]villas-for-sale-in-phuket-1.com[/url] .
phuket condo for sale [url=https://apartments-for-sale-in-phuket.com/]apartments-for-sale-in-phuket.com[/url] .
real estate in phuket [url=https://real-estate-for-sale-in-phuket.com/]real-estate-for-sale-in-phuket.com[/url] .
phuket villas for sale thailand [url=https://villas-for-sale-in-phuket.com/]villas-for-sale-in-phuket.com[/url] .
phuket luxury apartments for sale [url=https://apartments-for-sale-in-phuket-1.com/]apartments-for-sale-in-phuket-1.com[/url] .
технический перевод стоимость [url=https://teh-perevod.ru/]teh-perevod.ru[/url] .
apartments for sale thailand phuket [url=https://apartments-for-sale-in-phuket.com/]apartments for sale thailand phuket[/url] .
phuket villas for sale [url=https://villas-for-sale-in-phuket-1.com/]phuket villas for sale[/url] .
buy property in phuket [url=https://real-estate-for-sale-in-phuket.com/]buy property in phuket[/url] .
ии анализ рекламы [url=https://reklamnyj-kreativ12.ru/]ии анализ рекламы[/url] .
villas for sale phuket thailand [url=https://villas-for-sale-in-phuket.com/]villas for sale phuket thailand[/url] .
apartments for sale phuket thailand [url=https://apartments-for-sale-in-phuket-1.com/]apartments for sale phuket thailand[/url] .
перевод технического текста в москве [url=https://teh-perevod.ru/]teh-perevod.ru[/url] .
узаконить перепланировку москва [url=https://pereplanirovka-kvartir11.ru/]pereplanirovka-kvartir11.ru[/url] .
курсы seo [url=https://kursy-seo-12.ru/]kursy-seo-12.ru[/url] .
согласование перепланировок [url=https://pereplanirovka-kvartir12.ru/]согласование перепланировок[/url] .
продвижение сайтов по трафику [url=https://prodvizhenie-sajta-po-trafiku2.ru/]продвижение сайтов по трафику[/url] .
проект перепланировки квартиры в москве [url=https://proekt-pereplanirovki-kvartiry24.ru/]проект перепланировки квартиры в москве[/url] .
luxury villas for sale in phuket [url=https://villas-for-sale-in-phuket-1.com/]luxury villas for sale in phuket[/url] .
нейросеть для рефератов [url=https://nejroset-dlya-referatov-8.ru/]нейросеть для рефератов[/url] .
цветы мск недорого [url=http://cvejie-cveti.ru]http://cvejie-cveti.ru[/url] .
codespark – Navigation felt smooth, found everything quickly without any confusing steps.
технический переводчик стоимость [url=https://teh-perevod.ru/]teh-perevod.ru[/url] .
перепланировка квартиры москва [url=https://pereplanirovka-kvartir11.ru/]pereplanirovka-kvartir11.ru[/url] .
согласование перепланировки квартиры под ключ [url=https://pereplanirovka-kvartir12.ru/]pereplanirovka-kvartir12.ru[/url] .
techify – Color palette felt calming, nothing distracting, just focused, thoughtful design.
нейросеть генерации текстов для студентов [url=https://nejroset-dlya-referatov-8.ru/]нейросеть генерации текстов для студентов[/url] .
согласование перепланировки москва [url=https://pereplanirovka-kvartir11.ru/]согласование перепланировки москва[/url] .
продвижение сайтов трафик на сайт [url=https://prodvizhenie-sajtov-po-trafiku.ru/]продвижение сайтов трафик на сайт[/url] .
clickmetric – Bookmarked this immediately, planning to revisit for updates and inspiration.
дом цветов москва [url=https://cvejie-cveti.ru]https://cvejie-cveti.ru[/url] .
раскрутка сайта по трафику [url=https://prodvizhenie-sajta-po-trafiku2.ru/]prodvizhenie-sajta-po-trafiku2.ru[/url] .
проект перепланировки квартиры для согласования [url=https://proekt-pereplanirovki-kvartiry24.ru/]проект перепланировки квартиры для согласования[/url] .
продвижение обучение [url=https://kursy-seo-12.ru/]kursy-seo-12.ru[/url] .
нейросеть реферат онлайн [url=https://nejroset-dlya-referatov-8.ru/]нейросеть реферат онлайн[/url] .
трафиковое продвижение сайта [url=https://prodvizhenie-sajtov-po-trafiku.ru/]prodvizhenie-sajtov-po-trafiku.ru[/url] .
сео инфо сайта увеличить трафик специалисты [url=https://prodvizhenie-sajta-po-trafiku2.ru/]prodvizhenie-sajta-po-trafiku2.ru[/url] .
цветы классные [url=https://cvejie-cveti.ru/]https://cvejie-cveti.ru/[/url] .
проект на перепланировку квартиры заказать [url=https://proekt-pereplanirovki-kvartiry24.ru/]proekt-pereplanirovki-kvartiry24.ru[/url] .
seo специалист [url=https://kursy-seo-12.ru/]kursy-seo-12.ru[/url] .
seo partners [url=https://prodvizhenie-sajtov-po-trafiku.ru/]seo partners[/url] .
официальный сайт вавада рабочее [url=https://daostone.ru/]daostone.ru[/url] .
перепланировка квартир [url=https://pereplanirovka-kvartir12.ru/]перепланировка квартир[/url] .
melbet букмекерская [url=https://melbetlogin.ru/]melbetlogin.ru[/url] .
поисковое продвижение портала увеличить трафик специалисты [url=https://prodvizhenie-sajta-po-trafiku2.ru/]prodvizhenie-sajta-po-trafiku2.ru[/url] .
sign up melbet [url=https://vt-fiddle.com/]sign up melbet[/url] .
сео продвижение за процент кловер [url=https://prodvizhenie-sajtov-po-trafiku1.ru/]сео продвижение за процент кловер[/url] .
apk melbet [url=https://melbetiphone.ru/]melbetiphone.ru[/url] .
заказать проект перепланировки квартиры в москве [url=https://proekt-pereplanirovki-kvartiry24.ru/]proekt-pereplanirovki-kvartiry24.ru[/url] .
melbet registration by email [url=https://melbetregistratsiya.ru/]melbet registration by email[/url] .
обучение продвижению сайтов [url=https://kursy-seo-12.ru/]kursy-seo-12.ru[/url] .
vavada зеркало рабочее зеркало сайта [url=https://daostone.ru/]daostone.ru[/url] .
вавада vavada [url=https://polezno-vsem.ru/]polezno-vsem.ru[/url] .
мелбет приложение [url=https://vt-fiddle.com/]мелбет приложение[/url] .
перепланировка помещения [url=https://pereplanirovka-kvartir12.ru/]pereplanirovka-kvartir12.ru[/url] .
трафиковое продвижение сайтов [url=https://prodvizhenie-sajta-po-trafiku2.ru/]prodvizhenie-sajta-po-trafiku2.ru[/url] .
цвета цветов [url=cvejie-cveti.ru]cvejie-cveti.ru[/url] .
melbet app store [url=https://melbetiphone.ru/]melbetiphone.ru[/url] .
продвижение по трафику сео [url=https://prodvizhenie-sajtov-po-trafiku1.ru/]prodvizhenie-sajtov-po-trafiku1.ru[/url] .
раскрутка сайтов по трафику [url=https://prodvizhenie-sajtov-po-trafiku.ru/]раскрутка сайтов по трафику[/url] .
официальный сайт melbet [url=https://melbetlogin.ru/]официальный сайт melbet[/url] .
вавада сайт [url=https://daostone.ru/]вавада сайт[/url] .
обучение seo [url=https://kursy-seo-12.ru/]обучение seo[/url] .
вавада официальный сайт регистрация [url=https://polezno-vsem.ru/]вавада официальный сайт регистрация[/url] .
зарегистрироваться в мелбет официальный сайт [url=https://vt-fiddle.com/]зарегистрироваться в мелбет официальный сайт[/url] .
which internet partner [url=https://prodvizhenie-sajtov-po-trafiku1.ru/]which internet partner[/url] .
сео продвижение сайта по трафику [url=https://prodvizhenie-sajtov-po-trafiku.ru/]сео продвижение сайта по трафику[/url] .
мелбет букмекерская контора регистрация [url=https://vt-fiddle.com/]мелбет букмекерская контора регистрация[/url] .
вавада вход [url=https://daostone.ru/]вавада вход[/url] .
самые свежие цветы [url=https://www.cvejie-cveti.ru]https://www.cvejie-cveti.ru[/url] .
заказать проект перепланировки квартиры [url=https://proekt-pereplanirovki-kvartiry24.ru/]proekt-pereplanirovki-kvartiry24.ru[/url] .
скачать melbet на андроид [url=https://vt-fiddle.com/]vt-fiddle.com[/url] .
Актуальные зеркала и промокоды Casino X — всё это в официальном телеграм-канале. Переходите в казино x телеграм канал и не пропускайте выгодные предложения.
согласование переоборудования квартиры [url=https://pereplanirovka-kvartir12.ru/]pereplanirovka-kvartir12.ru[/url] .
vavada официальный сайт россия [url=https://polezno-vsem.ru/]vavada официальный сайт россия[/url] .
вавада казино сайт [url=https://cleansheet.ru/]вавада казино сайт[/url] .
мелбет официальная контора [url=https://melbetregistratsiya.ru/]мелбет официальная контора[/url] .
скачать мелбет на айфон [url=https://melbetiphone.ru/]скачать мелбет на айфон[/url] .
вавада рабочее зеркало сайта [url=https://daostone.ru/]вавада рабочее зеркало сайта[/url] .
мелбет официальный сайт вход [url=https://melbetlogin.ru/]мелбет официальный сайт вход[/url] .
скачать мелбет [url=https://melbetiphone.ru/]скачать мелбет[/url] .
вавада com [url=https://cleansheet.ru/]вавада com[/url] .
vavada сайт [url=https://partscore.ru/]vavada сайт[/url] .
мел бет букмекерская [url=https://melbetlogin.ru/]melbetlogin.ru[/url] .
выезд нарколога на дом [url=https://narkolog-na-dom-v-krasnodare.ru/]narkolog-na-dom-v-krasnodare.ru[/url] .
[url=https://pyragaireceptai.lt]pyragu receptai[/url]
мелбет приложение [url=https://melbetiphone.ru/]мелбет приложение[/url] .
vavada казино официальный сайт [url=https://cleansheet.ru/]vavada казино официальный сайт[/url] .
vavada казино официальный сайт [url=https://partscore.ru/]vavada казино официальный сайт[/url] .
официальный сайт мелбет [url=https://melbetlogin.ru/]официальный сайт мелбет[/url] .
запоминаемость слогана реклама [url=https://reklamnyj-kreativ13.ru/]reklamnyj-kreativ13.ru[/url] .
лучшая нейросеть для учебы [url=https://nejroset-dlya-referatov-8.ru/]nejroset-dlya-referatov-8.ru[/url] .
a/b тест наружная реклама [url=https://reklamnyj-kreativ12.ru/]reklamnyj-kreativ12.ru[/url] .
переводчик технического текста в москве [url=https://teh-perevod.ru/]teh-perevod.ru[/url] .
скачать вавада на телефон [url=https://cleansheet.ru/]скачать вавада на телефон[/url] .
vavada casino официальный сайт скачать [url=https://partscore.ru/]vavada casino официальный сайт скачать[/url] .
нарколог на дом в краснодаре [url=https://narkolog-na-dom-v-krasnodare-1.ru/]narkolog-na-dom-v-krasnodare-1.ru[/url] .
анализ баннеров [url=https://reklamnyj-kreativ13.ru/]reklamnyj-kreativ13.ru[/url] .
технический перевод услуги [url=https://teh-perevod.ru/]teh-perevod.ru[/url] .
бесплатный период upster [url=https://reklamnyj-kreativ12.ru/]reklamnyj-kreativ12.ru[/url] .
вавада официальный [url=https://cleansheet.ru/]вавада официальный[/url] .
вавада россия [url=https://partscore.ru/]вавада россия[/url] .
мелбет ру официальный сайт [url=https://melbetregistratsiya.ru/]мелбет ру официальный сайт[/url] .
вызов нарколога на дом [url=https://narkolog-na-dom-v-krasnodare-1.ru/]вызов нарколога на дом[/url] .
наркологическая услуга москва [url=https://narkologicheskaya-klinika-trezvyj-vybor.ru/]narkologicheskaya-klinika-trezvyj-vybor.ru[/url] .
продвижение сайтов по трафику [url=https://prodvizhenie-sajtov-po-trafiku1.ru/]продвижение сайтов по трафику[/url] .
нарколог на дом недорого [url=https://narkolog-na-dom-v-krasnodare.ru/]narkolog-na-dom-v-krasnodare.ru[/url] .
mel bet [url=https://melbetregistratsiya.ru/]mel bet[/url] .
частный нарколог на дом [url=https://narkolog-na-dom-v-krasnodare-1.ru/]narkolog-na-dom-v-krasnodare-1.ru[/url] .
seo продвижение по трафику [url=https://prodvizhenie-sajtov-po-trafiku1.ru/]seo продвижение по трафику[/url] .
наркологическая частная клиника [url=https://narkologicheskaya-klinika-trezvyj-vybor.ru/]наркологическая частная клиника[/url] .
нарколог краснодар [url=https://narkolog-na-dom-v-krasnodare.ru/]narkolog-na-dom-v-krasnodare.ru[/url] .
заказать кухню в интернете [url=https://zakazat-kuhnyu-10.ru/]заказать кухню в интернете[/url] .
частного нарколога на дом [url=https://narkolog-na-dom-v-krasnodare-3.ru/]narkolog-na-dom-v-krasnodare-3.ru[/url] .
заказать кухню по индивидуальным размерам [url=https://zakazat-kuhnyu-9.ru/]zakazat-kuhnyu-9.ru[/url] .
аудит продвижения сайта [url=https://internet-agentstvo-prodvizhenie-sajtov-seo.ru/]аудит продвижения сайта[/url] .
нарколог на дом срочно [url=https://narkolog-na-dom-v-krasnodare-2.ru/]narkolog-na-dom-v-krasnodare-2.ru[/url] .
www melbet com registration [url=https://melbetregistratsiya.ru/]www melbet com registration[/url] .
нарколог на дом недорого [url=https://narkolog-na-dom-v-krasnodare-1.ru/]narkolog-na-dom-v-krasnodare-1.ru[/url] .
нейросеть пишет реферат [url=https://nejroset-dlya-referatov-8.ru/]нейросеть пишет реферат[/url] .
больница наркологическая [url=https://narkologicheskaya-klinika-trezvyj-vybor.ru/]больница наркологическая[/url] .
срочный выезд нарколога на дом [url=https://narkolog-na-dom-v-krasnodare.ru/]narkolog-na-dom-v-krasnodare.ru[/url] .
кухню заказать [url=https://zakazat-kuhnyu-10.ru/]кухню заказать[/url] .
seo продвижение и раскрутка сайта [url=https://internet-agentstvo-prodvizhenie-sajtov-seo.ru/]seo продвижение и раскрутка сайта[/url] .
вызов нарколога на дом круглосуточно [url=https://narkolog-na-dom-v-krasnodare-2.ru/]narkolog-na-dom-v-krasnodare-2.ru[/url] .
вавада онлайн официальный [url=https://partscore.ru/]вавада онлайн официальный[/url] .
заказать кухню на заказ [url=https://zakazat-kuhnyu-9.ru/]заказать кухню на заказ[/url] .
ии анализ рекламы [url=https://reklamnyj-kreativ14.ru/]ии анализ рекламы[/url] .
вызвать нарколога на дом [url=https://narkolog-na-dom-v-krasnodare-3.ru/]вызвать нарколога на дом[/url] .
сколько стоит заказать кухню по размерам [url=https://zakazat-kuhnyu-10.ru/]zakazat-kuhnyu-10.ru[/url] .
>discover the hub – Sections are easy to locate and browsing flows effortlessly.
срочный выезд нарколога на дом [url=https://narkolog-na-dom-v-krasnodare-1.ru/]narkolog-na-dom-v-krasnodare-1.ru[/url] .
платный нарколог на дом [url=https://narkolog-na-dom-v-krasnodare-2.ru/]платный нарколог на дом[/url] .
нарколог на дом краснодар [url=https://narkolog-na-dom-v-krasnodare.ru/]narkolog-na-dom-v-krasnodare.ru[/url] .
наркологическая клиника город [url=https://narkologicheskaya-klinika-trezvyj-vybor.ru/]наркологическая клиника город[/url] .
кухню заказать [url=https://zakazat-kuhnyu-9.ru/]кухню заказать[/url] .
анализ наружной рекламы [url=https://reklamnyj-kreativ14.ru/]анализ наружной рекламы[/url] .
заказать кухню с установкой [url=https://zakazat-kuhnyu-12.ru/]zakazat-kuhnyu-12.ru[/url] .
нарколог на дом анонимно [url=https://narkolog-na-dom-v-krasnodare-3.ru/]нарколог на дом анонимно[/url] .
производство кухонь в спб на заказ [url=https://kuhni-spb-49.ru/]kuhni-spb-49.ru[/url] .
ClickSavings – Smooth user experience with easy-to-read sections.
заказать кухню с установкой [url=https://zakazat-kuhnyu-12.ru/]zakazat-kuhnyu-12.ru[/url] .
нарколог краснодар [url=https://narkolog-na-dom-v-krasnodare-3.ru/]нарколог краснодар[/url] .
наркология в москве [url=https://narkologicheskaya-klinika-trezvyj-vybor.ru/]наркология в москве[/url] .
запоминаемость слогана реклама [url=https://reklamnyj-kreativ14.ru/]reklamnyj-kreativ14.ru[/url] .
кухни на заказ [url=https://kuhni-spb-50.ru/]кухни на заказ[/url] .
кухни на заказ [url=https://kuhni-spb-49.ru/]кухни на заказ[/url] .
заказать кухню под ключ [url=https://zakazat-kuhnyu-10.ru/]zakazat-kuhnyu-10.ru[/url] .
ShopHarborNow – Simple design with smooth transitions between pages.
раскрутка сайта франция цена [url=https://internet-agentstvo-prodvizhenie-sajtov-seo.ru/]internet-agentstvo-prodvizhenie-sajtov-seo.ru[/url] .
заказать кухню стоимость [url=https://zakazat-kuhnyu-12.ru/]заказать кухню стоимость[/url] .
вызвать нарколога на дом [url=https://narkolog-na-dom-v-krasnodare-2.ru/]вызвать нарколога на дом[/url] .
кухни на заказ санкт петербург от производителя [url=https://kuhni-spb-49.ru/]kuhni-spb-49.ru[/url] .
нарколог на дом краснодар [url=https://narkolog-na-dom-v-krasnodare-3.ru/]нарколог на дом краснодар[/url] .
узнаваемость бренда баннер [url=https://reklamnyj-kreativ14.ru/]reklamnyj-kreativ14.ru[/url] .
сколько стоит заказать кухню по размерам [url=https://zakazat-kuhnyu-10.ru/]zakazat-kuhnyu-10.ru[/url] .
продвижение сайта франция [url=https://internet-agentstvo-prodvizhenie-sajtov-seo.ru/]internet-agentstvo-prodvizhenie-sajtov-seo.ru[/url] .
кухня на заказ спб от производителя недорого [url=https://kuhni-spb-51.ru/]кухня на заказ спб от производителя недорого[/url] .
нарколог на дом анонимно [url=https://narkolog-na-dom-v-krasnodare-2.ru/]narkolog-na-dom-v-krasnodare-2.ru[/url] .
точность прогноза креативов 95% [url=https://reklamnyj-kreativ14.ru/]reklamnyj-kreativ14.ru[/url] .
internetagentur seo [url=https://internet-agentstvo-prodvizhenie-sajtov-seo.ru/]internet-agentstvo-prodvizhenie-sajtov-seo.ru[/url] .
изготовление кухонь на заказ в санкт петербурге [url=https://kuhni-spb-52.ru/]kuhni-spb-52.ru[/url] .
большая кухня на заказ [url=https://kuhni-spb-51.ru/]kuhni-spb-51.ru[/url] .
кухни на заказ петербург [url=https://kuhni-spb-49.ru/]kuhni-spb-49.ru[/url] .
кухни на заказ в спб [url=https://kuhni-spb-50.ru/]кухни на заказ в спб[/url] .
заказать кухню с замером [url=https://zakazat-kuhnyu-12.ru/]zakazat-kuhnyu-12.ru[/url] .
кухни на заказ санкт петербург [url=https://kuhni-spb-52.ru/]кухни на заказ санкт петербург[/url] .
кухни на заказ в спб цены [url=https://kuhni-spb-49.ru/]kuhni-spb-49.ru[/url] .
кухня по индивидуальному проекту [url=https://kuhni-spb-50.ru/]kuhni-spb-50.ru[/url] .
заказать кухню онлайн [url=https://zakazat-kuhnyu-12.ru/]заказать кухню онлайн[/url] .
nanotech – Color palette felt calming, nothing distracting, just focused, thoughtful design.
кухни в спб от производителя [url=https://kuhni-spb-52.ru/]кухни в спб от производителя[/url] .
заказать кухню [url=https://kuhni-spb-50.ru/]заказать кухню[/url] .
codeshift – Navigation felt smooth, found everything quickly without any confusing steps.
современные кухни на заказ в спб [url=https://kuhni-spb-51.ru/]kuhni-spb-51.ru[/url] .
заказать кухню по индивидуальным размерам в спб [url=https://kuhni-spb-52.ru/]заказать кухню по индивидуальным размерам в спб[/url] .
заказать кухню [url=https://kuhni-spb-50.ru/]заказать кухню[/url] .
вызов нарколога на дом круглосуточно [url=https://narkolog-na-dom-v-krasnodare-3.ru/]narkolog-na-dom-v-krasnodare-3.ru[/url] .
кухни в спб от производителя [url=https://kuhni-spb-52.ru/]кухни в спб от производителя[/url] .
ленинградские кухни [url=https://kuhni-spb-51.ru/]kuhni-spb-51.ru[/url] .
заказать кухню цена [url=https://zakazat-kuhnyu-10.ru/]zakazat-kuhnyu-10.ru[/url] .
villas in phuket thailand for sale [url=https://villas-for-sale-in-phuket.com/]villas-for-sale-in-phuket.com[/url] .
real estate in phuket for sale [url=https://real-estate-for-sale-in-phuket.com/]real estate in phuket for sale[/url] .
вызвать нарколога на дом [url=https://narkolog-na-dom-v-krasnodare-1.ru/]вызвать нарколога на дом[/url] .
нарколог на дом в краснодаре [url=https://narkolog-na-dom-v-krasnodare.ru/]narkolog-na-dom-v-krasnodare.ru[/url] .
sea view apartments for sale in phuket [url=https://apartments-for-sale-in-phuket.com/]apartments-for-sale-in-phuket.com[/url] .
laguna phuket apartments for sale [url=https://apartments-for-sale-in-phuket-1.com/]apartments-for-sale-in-phuket-1.com[/url] .
кухня по индивидуальному проекту [url=https://kuhni-spb-49.ru/]kuhni-spb-49.ru[/url] .
срочный выезд нарколога на дом [url=https://narkolog-na-dom-v-krasnodare-3.ru/]narkolog-na-dom-v-krasnodare-3.ru[/url] .
villas for sale in phuket island [url=https://villas-for-sale-in-phuket.com/]villas-for-sale-in-phuket.com[/url] .
заказать кухню по размерам [url=https://zakazat-kuhnyu-10.ru/]заказать кухню по размерам[/url] .
phuket homes for sale thailand [url=https://real-estate-for-sale-in-phuket.com/]real-estate-for-sale-in-phuket.com[/url] .
apartments for sale phuket thailand [url=https://apartments-for-sale-in-phuket-1.com/]apartments for sale phuket thailand[/url] .
нарколог краснодар [url=https://narkolog-na-dom-v-krasnodare-1.ru/]narkolog-na-dom-v-krasnodare-1.ru[/url] .
кухни под заказ [url=https://kuhni-spb-49.ru/]kuhni-spb-49.ru[/url] .
где заказать кухню в спб [url=https://kuhni-spb-51.ru/]kuhni-spb-51.ru[/url] .
врач нарколог на дом платный [url=https://narkolog-na-dom-v-krasnodare.ru/]narkolog-na-dom-v-krasnodare.ru[/url] .
сео продвижение сайта по трафику [url=https://prodvizhenie-sajtov-po-trafiku.ru/]сео продвижение сайта по трафику[/url] .
freehold condos for sale in phuket [url=https://apartments-for-sale-in-phuket.com/]apartments-for-sale-in-phuket.com[/url] .
сео продвижение по трафику clover [url=https://prodvizhenie-sajtov-po-trafiku.ru/]сео продвижение по трафику clover[/url] .
villas in phuket for sale [url=https://villas-for-sale-in-phuket-1.com/]villas in phuket for sale[/url] .
вывод из запоя цена краснодар [url=https://vyvod-iz-zapoya-v-krasnodare-1.ru/]vyvod-iz-zapoya-v-krasnodare-1.ru[/url] .
реабилитация алкоголиков [url=https://vyvod-iz-zapoya-na-domu-samara-1.ru/]vyvod-iz-zapoya-na-domu-samara-1.ru[/url] .
вывод из запоя цены на дому краснодар [url=https://vyvod-iz-zapoya-v-krasnodare-4.ru/]вывод из запоя цены на дому краснодар[/url] .
apartments in phuket for sale [url=https://apartments-for-sale-in-phuket.com/]apartments in phuket for sale[/url] .
вывод из запоя краснодар на дому анонимно [url=https://vyvod-iz-zapoya-v-krasnodare-2.ru/]vyvod-iz-zapoya-v-krasnodare-2.ru[/url] .
наркологическая клиника [url=https://vyvod-iz-zapoya-na-domu-voronezh.ru/]наркологическая клиника[/url] .
реабилитационный центр для наркозависимых [url=https://vyvod-iz-zapoya-na-domu-voronezh-3.ru/]реабилитационный центр для наркозависимых[/url] .
наркологическая клиника [url=https://vyvod-iz-zapoya-na-domu-voronezh-2.ru/]наркологическая клиника[/url] .
вывод из запоя краснодар наркология [url=https://vyvod-iz-zapoya-v-krasnodare-3.ru/]vyvod-iz-zapoya-v-krasnodare-3.ru[/url] .
наркологический стационар [url=https://vyvod-iz-zapoya-na-domu-samara.ru/]vyvod-iz-zapoya-na-domu-samara.ru[/url] .
реабилитационный центр для наркозависимых [url=https://vyvod-iz-zapoya-na-domu-voronezh-1.ru/]vyvod-iz-zapoya-na-domu-voronezh-1.ru[/url] .
самые низкие цены на цветы [url=http://cveti-nederogo.ru/]http://cveti-nederogo.ru/[/url] .
вывод из запоя бесплатно [url=https://vyvod-iz-zapoya-v-krasnodare-1.ru/]vyvod-iz-zapoya-v-krasnodare-1.ru[/url] .
реабилитация алкоголиков [url=https://vyvod-iz-zapoya-na-domu-samara-1.ru/]vyvod-iz-zapoya-na-domu-samara-1.ru[/url] .
вывод из запоя краснодар на дому [url=https://vyvod-iz-zapoya-v-krasnodare-4.ru/]вывод из запоя краснодар на дому[/url] .
капельница от похмелья [url=https://vyvod-iz-zapoya-na-domu-voronezh-2.ru/]vyvod-iz-zapoya-na-domu-voronezh-2.ru[/url] .
вывод из запоя цена [url=https://vyvod-iz-zapoya-v-krasnodare-2.ru/]вывод из запоя цена[/url] .
вывод из запоя анонимно краснодар [url=https://vyvod-iz-zapoya-v-krasnodare-3.ru/]вывод из запоя анонимно краснодар[/url] .
condos in phuket for sale [url=https://apartments-for-sale-in-phuket.com/]condos in phuket for sale[/url] .
наркологическая клиника [url=https://vyvod-iz-zapoya-na-domu-voronezh.ru/]наркологическая клиника[/url] .
реабилитация наркоманов [url=https://vyvod-iz-zapoya-na-domu-voronezh-3.ru/]реабилитация наркоманов[/url] .
капельница от запоя [url=https://vyvod-iz-zapoya-na-domu-samara.ru/]vyvod-iz-zapoya-na-domu-samara.ru[/url] .
наркологическая помощь [url=https://vyvod-iz-zapoya-na-domu-voronezh-1.ru/]наркологическая помощь[/url] .
вывод из запоя на дому в краснодаре [url=https://vyvod-iz-zapoya-v-krasnodare-1.ru/]вывод из запоя на дому в краснодаре[/url] .
цветы купить в москве недорого с доставкой [url=https://www.cveti-nederogo.ru]https://www.cveti-nederogo.ru[/url] .
нарколог на дом [url=https://vyvod-iz-zapoya-na-domu-voronezh-2.ru/]нарколог на дом[/url] .
реабилитационный центр от алкоголизма [url=https://vyvod-iz-zapoya-na-domu-samara-1.ru/]vyvod-iz-zapoya-na-domu-samara-1.ru[/url] .
вывод из запоя на дому [url=https://vyvod-iz-zapoya-v-krasnodare-4.ru/]вывод из запоя на дому[/url] .
вывод из запоя на дому краснодар круглосуточно [url=https://vyvod-iz-zapoya-v-krasnodare-3.ru/]вывод из запоя на дому краснодар круглосуточно[/url] .
алкоголизм вывод из запоя краснодар [url=https://vyvod-iz-zapoya-v-krasnodare-2.ru/]vyvod-iz-zapoya-v-krasnodare-2.ru[/url] .
капельница от запоя [url=https://vyvod-iz-zapoya-na-domu-samara.ru/]vyvod-iz-zapoya-na-domu-samara.ru[/url] .
кодирование от алкоголизма [url=https://vyvod-iz-zapoya-na-domu-voronezh.ru/]vyvod-iz-zapoya-na-domu-voronezh.ru[/url] .
реабилитация наркоманов [url=https://vyvod-iz-zapoya-na-domu-voronezh-3.ru/]реабилитация наркоманов[/url] .
реабилитационный центр для наркозависимых [url=https://vyvod-iz-zapoya-na-domu-voronezh-1.ru/]vyvod-iz-zapoya-na-domu-voronezh-1.ru[/url] .
villas for sale in thailand phuket [url=https://villas-for-sale-in-phuket-1.com/]villas for sale in thailand phuket[/url] .
реабилитационный центр от алкоголизма [url=https://vyvod-iz-zapoya-na-domu-voronezh-2.ru/]vyvod-iz-zapoya-na-domu-voronezh-2.ru[/url] .
вывод из запоя лечение краснодар [url=https://vyvod-iz-zapoya-v-krasnodare-1.ru/]vyvod-iz-zapoya-v-krasnodare-1.ru[/url] .
вывод из запоя круглосуточно краснодар на дому [url=https://vyvod-iz-zapoya-v-krasnodare-4.ru/]вывод из запоя круглосуточно краснодар на дому[/url] .
реабилитационный центр для наркозависимых [url=https://vyvod-iz-zapoya-na-domu-samara-1.ru/]vyvod-iz-zapoya-na-domu-samara-1.ru[/url] .
нарколог на дом [url=https://vyvod-iz-zapoya-na-domu-samara-2.ru/]нарколог на дом[/url] .
вывод из запоя на дому краснодар круглосуточно [url=https://vyvod-iz-zapoya-v-krasnodare-2.ru/]vyvod-iz-zapoya-v-krasnodare-2.ru[/url] .
реабилитация алкоголиков [url=https://vyvod-iz-zapoya-na-domu-samara.ru/]vyvod-iz-zapoya-na-domu-samara.ru[/url] .
вывод из запоя круглосуточно краснодар на дому [url=https://vyvod-iz-zapoya-v-krasnodare-3.ru/]вывод из запоя круглосуточно краснодар на дому[/url] .
наркологический стационар [url=https://vyvod-iz-zapoya-na-domu-voronezh-3.ru/]vyvod-iz-zapoya-na-domu-voronezh-3.ru[/url] .
наркологический стационар [url=https://vyvod-iz-zapoya-na-domu-voronezh.ru/]vyvod-iz-zapoya-na-domu-voronezh.ru[/url] .
красивые и дешевые цветы [url=https://cveti-nederogo.ru]https://cveti-nederogo.ru[/url] .
реабилитационный центр для наркозависимых [url=https://vyvod-iz-zapoya-na-domu-voronezh-1.ru/]vyvod-iz-zapoya-na-domu-voronezh-1.ru[/url] .
наркологический центр [url=https://vyvod-iz-zapoya-na-domu-voronezh-2.ru/]наркологический центр[/url] .
кодирование от алкоголизма [url=https://vyvod-iz-zapoya-na-domu-samara-2.ru/]кодирование от алкоголизма[/url] .
вывод из запоя на дому [url=https://vyvod-iz-zapoya-v-krasnodare-4.ru/]вывод из запоя на дому[/url] .
нарколог на дом [url=https://vyvod-iz-zapoya-na-domu-samara-1.ru/]нарколог на дом[/url] .
наркологическая клиника [url=https://vyvod-iz-zapoya-na-domu-samara.ru/]наркологическая клиника[/url] .
вывод из запоя анонимно краснодар [url=https://vyvod-iz-zapoya-v-krasnodare-3.ru/]вывод из запоя анонимно краснодар[/url] .
срочная помощь вывод из запоя краснодар [url=https://vyvod-iz-zapoya-v-krasnodare-2.ru/]vyvod-iz-zapoya-v-krasnodare-2.ru[/url] .
вывод из запоя краснодар на дому анонимно [url=https://vyvod-iz-zapoya-v-krasnodare-1.ru/]vyvod-iz-zapoya-v-krasnodare-1.ru[/url] .
реабилитация наркоманов [url=https://vyvod-iz-zapoya-na-domu-voronezh-3.ru/]реабилитация наркоманов[/url] .
наркологический центр [url=https://vyvod-iz-zapoya-na-domu-voronezh.ru/]наркологический центр[/url] .
вывод из запоя в стационаре [url=https://vyvod-iz-zapoya-na-domu-voronezh-1.ru/]vyvod-iz-zapoya-na-domu-voronezh-1.ru[/url] .
сайт заказа цветов [url=http://www.cveti-nederogo.ru]http://www.cveti-nederogo.ru[/url] .
кодирование от алкоголизма [url=https://vyvod-iz-zapoya-na-domu-samara-2.ru/]кодирование от алкоголизма[/url] .
скачать видио с ютуб [url=https://skachat-video-s-youtube-3.ru/]скачать видио с ютуб[/url] .
вывод из запоя в стационаре [url=https://vyvod-iz-zapoya-na-domu-samara-2.ru/]вывод из запоя в стационаре[/url] .
самые дешевые цветы для букета [url=cveti-nederogo.ru]cveti-nederogo.ru[/url] .
нарколог на дом [url=https://vyvod-iz-zapoya-na-domu-samara-2.ru/]нарколог на дом[/url] .
загрузчик видео с ютуба [url=https://skachat-video-s-youtube-3.ru/]загрузчик видео с ютуба[/url] .
скачать видео с ютуба [url=https://skachat-video-s-youtube-3.ru/]скачать видео с ютуба[/url] .
скачать видео с ютуба на пк [url=https://skachat-video-s-youtube-3.ru/]skachat-video-s-youtube-3.ru[/url] .
скачиватель видео с ютуба [url=https://skachat-video-s-youtube-3.ru/]skachat-video-s-youtube-3.ru[/url] .
доставка по москве цветов [url=http://www.dostavka-cvetov777.ru]доставка по москве цветов[/url] .
доставка цветов москва бесплатная доставка на дом круглосуточно [url=https://dostavka-cvetov777.ru/]https://dostavka-cvetov777.ru/[/url] .
доставка недорогих цветов [url=http://dostavka-cvetov777.ru]http://dostavka-cvetov777.ru[/url] .
курьерская доставка по москве цветов [url=www.dostavka-cvetov777.ru/]www.dostavka-cvetov777.ru/[/url] .
доставка цветов город московский [url=www.dostavka-cvetov777.ru/]www.dostavka-cvetov777.ru/[/url] .
glorious goodwood betting Greyhound Bet Tips
today horse dog racing in the uk (Desiree) non runners
I wanted how to make money online philippines 2021 (Eugenia) thank you for this excellent
read!! I certainly loved every little bit of it.
I’ve got you saved as a favorite to look at new
things you post
cheltenham Bet On Greyhounds deals
what is fixed odds horse racing
my web site romford dogs results live
horse betting wheel calculator
Feel free to visit my web-site … greyhound racing tip sheets
Discover the amazing features of [url=https://hghjfjdossa.netlify.app]hghjfjdossa[/url] and elevate your experience today.
Understanding hghjfjdossa requires a blend of knowledge and analytical skills.
growthhive – Mobile version looks perfect; no glitches, fast scrolling, crisp text.
seocommand – Appreciate the typography choices; comfortable spacing improved my reading experience.
autogrowth – Found practical insights today; sharing this article with colleagues later.
digitalpush – Pages loaded fast, images appeared sharp, and formatting stayed consistent.
rankhustle – Content reads clearly, helpful examples made concepts easy to grasp.
marketsprint – Found practical insights today; sharing this article with colleagues later.
how Best Way To Bet On Grand National [Goherbthailand.Com] place a bet online for grand national
clickautomation – Found practical insights today; sharing this article with colleagues later.
seoaccelerator – Found practical insights today; sharing this article with colleagues later.
funnelbot – Bookmarked this immediately, planning to revisit for updates and inspiration.
marketautomate – Found practical insights today; sharing this article with colleagues later.
growthbots – Overall, professional vibe here; trustworthy, polished, and pleasantly minimal throughout.
https://pinnacle-bet.com.mx/
La plataforma Pinnacle no constituye el tipico casino que te seduce con ofertas masivas repletos de requisitos inalcanzables; su oferta de valor gira en torno a margenes ajustados, probabilidades muy competitivas y un esquema honesto sin artimanas.
rankmachines – Overall, professional vibe here; trustworthy, polished, and pleasantly minimal throughout.
trafficforge – Color palette felt calming, nothing distracting, just focused, thoughtful design.
seoworks – Bookmarked this immediately, planning to revisit for updates and inspiration.
trafficpilot – Loved the layout today; clean, simple, and genuinely user-friendly overall.
serpmaster – Found practical insights today; sharing this article with colleagues later.
rankmachines – Found practical insights today; sharing this article with colleagues later.
trafficpilot – Found practical insights today; sharing this article with colleagues later.
serpmaster – Bookmarked this immediately, planning to revisit for updates and inspiration.
seoworks – Color palette felt calming, nothing distracting, just focused, thoughtful design.
trafficforge – Overall, professional vibe here; trustworthy, polished, and pleasantly minimal throughout.
marketexperts – Bookmarked this immediately, planning to revisit for updates and inspiration.
brandengine – Appreciate the typography choices; comfortable spacing improved my reading experience.
TOP 10 BEST – Navigation felt smooth, found everything quickly without any confusing steps.
webstrategy – Mobile version looks perfect; no glitches, fast scrolling, crisp text.
österreich wetten online
Review my web page … gratis guthaben ohne einzahlung sportwetten (Hung)
sportwetten bonus ohne einzahlung neu
Look at my web site: beste online wettanbieter [Isabell]
sportwetten ohne einzahlung bonus wetten
trick
This article will assist the internet users for building up new
weblog or even a blog from start to end.
Also visit my homepage – top sportwetten live, Luz,
trafficwizard – Bookmarked this immediately, planning to revisit for updates and inspiration.
seomastery – Color palette felt calming, nothing distracting, just focused, thoughtful design.
bonus ohne einzahlung wetten
Have a look at my webpage; wettquote us wahl
wetten dass heute live ticker
Also visit my web blog Sportwette kreuzworträTsel
rankgenius – Color palette felt calming, nothing distracting, just focused, thoughtful design.
keywordking – Overall, professional vibe here; trustworthy, polished, and pleasantly minimal throughout.
rankifyer – Overall, professional vibe here; trustworthy, polished, and pleasantly minimal throughout.
campaigncart – Mobile version looks perfect; no glitches, fast scrolling, crisp text.
keywordvault – Mobile version looks perfect; no glitches, fast scrolling, crisp text.
sportwetten mit startguthaben ohne einzahlung
Here is my blog; wetten quote erklärung (Carlton)
searchlogic – Overall, professional vibe here; trustworthy, polished, and pleasantly minimal throughout.
auf was kann man beim pferderennen internet wetten bonus
sportwetten vorhersagen heute
Visit my blog post: was sind buchmacher (Imogen)
wettquoten vergleich
My blog … sportwetten online österreich
wetten dass gewinner
My website buchmacher ohne limitierung (Gus)
rankifyer – Appreciate the typography choices; comfortable spacing improved my reading experience.
strategystore – Color palette felt calming, nothing distracting, just focused, thoughtful design.
metricmarket – Content reads clearly, helpful examples made concepts easy to grasp.
leadstore – Found practical insights today; sharing this article with colleagues later.
rankboostai – Appreciate the typography choices; comfortable spacing improved my reading experience.
seoshelf – Mobile version looks perfect; no glitches, fast scrolling, crisp text.
10 euros offert paris sportif|10 euros offert sans dépôt paris sportif|10 meilleurs sites de paris
sportifs|100 euro offert paris sportif|100 euros offert paris sportif|100 euros remboursé paris sportifs|100 offert pari sportif|100 offert paris sportif|100 remboursé paris sportif|100e
offert pari sportif|abandon paris sportif tennis|abandon tennis paris sportif|addiction paris
sportif forum|age paris sportif belgique|aide au pari sportif|aide au paris
sportif|aide aux paris sportif|aide aux paris sportifs|aide pari sportif|aide pari
sportif football|aide parie sportif|aide paris sportif|aide paris sportif foot|aide paris sportif gratuit|aide paris sportifs|aide pour paris sportif|algorithme de paris sportif|algorithme excel paris sportif|algorithme gratuit paris
sportif|algorithme pari sportif|algorithme paris sportif|algorithme paris sportif avis|algorithme paris sportif basket|algorithme paris sportif excel|algorithme
paris sportif gratuit|algorithme paris sportif tennis|algorithme paris sportifs|algorithme pour
paris sportif|analyse cote paris sportif|analyse
de paris sportif|analyse match paris sportif|analyse
pari sportif|analyse paris sportif|analyse paris sportif foot|analyse paris sportif football|analyse paris sportif gratuit|analyse paris sportifs|ancienne cote paris
sportif|api cote paris sportif|app paris sportif sans argent|appli de paris sportif|appli de paris sportif sans argent|appli de paris sportifs|appli pari sportif|appli pari sportif gratuit|appli parie sportif|appli
paris sportif|appli paris sportif avec paypal|appli paris sportif belgique|appli paris sportif entre amis|appli paris sportif gratuit|appli paris sportif sans argent|appli
paris sportif suisse|appli paris sportifs|application aide
paris sportif|application algorithme paris
sportif|application analyse paris sportif|application android paris sportif|application bankroll paris sportif|application conseil paris sportif|application de pari sportif|application de parie sportif|application de paris sportif|application de paris sportif en afrique|application de paris sportif en cote d’ivoire|application de paris sportif en ligne|application de
paris sportif gratuit|application de paris sportif international|application de paris
sportif suisse|application de paris sportifs|application faux paris sportifs|application gestion bankroll paris sportif|application gestion paris sportif|application ia paris sportif|application pari sportif gratuit|application paris sportif|application paris sportif android|application paris sportif argent fictif|application paris sportif belgique|application paris
sportif canada|application paris sportif espagne|application paris
sportif espagnol|application paris sportif fictif|application paris sportif france|application paris sportif
gratuit|application paris sportif gratuit entre amis|application paris sportif maroc|application paris sportif
offre de bienvenue|application paris sportif paypal|application paris sportif
sans argent|application paris sportif sans justificatif de domicile|application paris sportif suisse|application paris sportif usa|application paris sportif virtuel|application pour faire
des paris sportifs|application pour gerer ses paris sportif|application pour les paris sportifs|application pour pari sportif|application pour paris sportif|application pour
paris sportifs|application statistique paris sportif|application suivi paris sportif|applications de paris sportifs|applications paris sportifs|applis paris sportif|applis paris sportifs|apprendre a faire des paris sportifs|argent facile paris sportif|argent offert paris sportifs|argent offert
sans depot paris sportif|argent paris sportif|argent paris sportifs|argent paris sportifs impots|argent sans depot paris
sportif|arjel paris sportif|arjel paris sportifs|astuce gagner paris
sportif|astuce pari sportif|astuce paris sportif|astuce paris
sportif basket|astuce paris sportif foot|astuce paris sportif forum|astuce paris
sportif tennis|astuce paris sportifs|astuce pour gagner au
pari sportif|astuce pour gagner au paris sportif|astuce pour
gagner paris sportif|astuce pour paris sportif|astuces paris sportifs|astuces paris sportifs en ligne|astuces paris sportifs foot|astuces pour gagner aux paris sportifs|autorisation paris
sportif france|avis pari sportif|avis paris sportif|avis paris sportif foot|avis site de
paris sportif|avis site paris sportif|avis sur les paris sportifs|avis
sur paris sportif|avis tipster paris sportif|aweh signification paris
sportif|bankroll 100 euros paris sportifs|bankroll management paris sportif|bankroll paris sportif|bankroll
paris sportif excel|bankroll paris sportif gratuit|bankroll paris sportifs|basket paris
sportif|belgique france paris sportif|belgique paris sportifs|bonus bienvenue paris sportif|bonus bienvenue paris sportifs|bonus cash paris sportif|bonus
de bienvenue paris sportif|bonus de bienvenue paris sportif belgique|bonus de bienvenue sans depot
paris sportif|bonus de depot paris sportif|bonus de paris sportifs|bonus
depot paris sportif|bonus en cash paris sportif|bonus gratuit paris sportif|bonus gratuit
sans depot paris sportif|bonus pari sportif|bonus
paris sportif|bonus paris sportif belgique|bonus paris sportif
betclic|bonus paris sportif cash|bonus paris sportif en ligne|bonus paris sportif france pari|bonus paris sportif retirable|bonus paris sportif sans
depot|bonus paris sportif sans dépôt|bonus paris sportif unibet|bonus
paris sportifs|bonus sans depot paris sportif|bonus sans
depot paris sportif belgique|bonus sans dépôt paris sportif|bonus sans dépôt paris sportif hors arjel|bonus site de paris sportif|bonus site pari sportif|bonus site paris sportif|bonus sites de paris sportifs|bonus unibet paris sportif|bookmaker paris sportif|bookmaker
paris sportif gratuit|bookmaker paris sportifs|bookmaker sportif|bookmakers paris sportif|bookmakers paris sportifs|bookmakers paris sportifs en ligne|but contre son camp paris sportif|but sur penalty paris sportif|buteur paris sportif|c’est quoi handicap paris sportif|c’est quoi
une cote paris sportif|calcul anti perte paris sportif|calcul combinaison pari sportif|calcul cote pari sportif|calcul
cote paris sportif|calcul couverture paris sportif|calcul de cote
paris sportif|calcul des cotes paris sportifs|calcul dnb paris
sportifs|calcul double chance paris sportif|calcul gain paris sportif|calcul mise paris sportif|calcul
pari sportif|calcul paris sportif|calcul paris sportif multiple|calcul pourcentage cote paris sportif|calcul probabilité paris sportif|calcul rentabilité paris sportifs|calcul roi paris
sportif|calcul systeme paris sportif|calcul trj paris sportifs|calculateur
cote paris sportif|calculateur de cote paris sportif|calculateur de mise paris sportif|calculateur de
paris sportif|calculateur paris sportif|calculatrice arbitrage paris sportif|calculatrice paris sportif|calculer
cote paris sportif|calculer gain paris sportif|calculer probabilité paris sportifs|calculer roi paris sportifs|calculer une cote pari sportif|calculer une cote paris sportif|carte cadeau paris
sportif|carte pcs paris sportif|carte prépayée paris sportifs|cash out pari sportif|cash out paris sportif|cash
out paris sportifs|casino en ligne paris sportif|casino paris
sportif en ligne|champions league paris sportif|chute de cote paris sportif|classement des meilleurs sites de paris sportifs|classement meilleur
site de paris sportif|code barre paris sportif|code
bonus paris sportif|code paris sportif|code promo pari sportif|code promo paris sportif|code promo paris
sportif sans depot|code promo paris sportif sans dépôt|code promo sans depot paris sportif|code promo site
paris sportif|combien de temps pour encaisser un paris sportif|combien de
temps pour retirer un paris sportif|combien miser paris
sportifs|combine paris sportif|combines paris sportifs|combiné pari
sportif|combiné paris sportif|combiné paris sportif conseil|combiné paris
sportif du jour|combiné paris sportif pronostic|comment analyser un paris sportif|comment arreter de jouer aux paris sportifs|comment arreter les paris sportif|comment arreter les paris sportifs|comment arrêter les paris sportifs|comment bien gagner au paris sportif|comment
bien jouer au paris sportif|comment bien miser paris
sportif|comment ca marche les paris sportif|comment calculer cote paris sportif|comment calculer
gain paris sportif|comment calculer les cotes des paris sportifs|comment calculer une cote de paris sportif|comment calculer une
cote pari sportif|comment calculer une cote paris sportif|comment comprendre les paris sportifs|comment creer un vip
paris sportif|comment créer un algorithme paris sportif|comment créer un site de paris sportif|comment devenir
riche avec les paris sportifs|comment etre rentable
paris sportif|comment etre sur de gagner au paris sportif|comment faire de bon paris sportif|comment faire des parie sportif|comment faire des paris sportif|comment faire des paris sportif gagnant|comment faire des paris sportifs|comment faire pari sportif|comment faire paris sportif|comment faire pour arreter les paris sportifs|comment faire pour gagner au paris sportif|comment faire pour gagner les paris sportifs|comment faire un bon pari sportif|comment
faire un bon paris sportif|comment faire un pari sportif|comment faire un parie sportif|comment faire un paris sportif|comment
faire une montante paris sportif|comment fonctionne les cotes dans les
paris sportifs|comment fonctionne les cotes des paris sportifs|comment fonctionne les paris sportifs|comment fonctionne
paris sportifs|comment fonctionne un pari sportif|comment fonctionnent les cotes dans les paris sportifs|comment fonctionnent les cotes dans les paris sportifs grand oral|comment fonctionnent
les cotes de paris sportif|comment fonctionnent les paris sportifs|comment fonctionnent les paris sportifs grand oral|comment fonctionnent les paris sportifs grand oral maths|comment fonctionnent
les paris sportifs maths|comment gagner a coup sur au paris sportif|comment gagner
a tous les coups au paris sportif|comment gagner a tout les coup au
paris sportif|comment gagner au pari sportif|comment gagner au pari
sportif football|comment gagner au paris sportif|comment gagner au paris sportif a coup sur|comment gagner au paris
sportif foot|comment gagner au paris sportif forum|comment gagner au
paris sportif tennis|comment gagner au paris sportifs|comment gagner aux paris sportif|comment gagner aux paris sportifs|comment gagner aux paris
sportifs foot|comment gagner aux paris sportifs livre|comment gagner aux paris sportifs sur le long terme|comment gagner
avec les paris sportifs|comment gagner dans les paris sportifs|comment gagner de l argent avec les paris sportifs|comment
gagner de l’argent au paris sportif|comment gagner de l’argent
aux paris sportifs|comment gagner de l’argent avec les paris sportifs|comment gagner de l’argent paris sportif|comment
gagner de l’argent sur les paris sportifs|comment gagner de l’argent sur paris sportif|comment gagner des paris
sportif|comment gagner des paris sportifs|comment gagner en paris sportif|comment gagner facilement au paris
sportif|comment gagner les paris sportifs|comment gagner paris sportif|comment gagner paris sportif foot|comment gagner paris sportifs|comment gagner sa vie avec les paris sportifs|comment gagner ses
paris sportif|comment gagner sur les paris sportif|comment
gagner sur les paris sportifs|comment gagner tout le temps au paris sportif|comment gagner un pari
sportif|comment gagner un paris sportif|comment gerer une bankroll
paris sportif|comment gérer sa bankroll paris sportif|comment jouer au pari sportif|comment jouer au paris
sportif|comment jouer au paris sportif foot|comment jouer aux paris sportifs|comment jouer paris
sportif|comment marche cote paris sportif|comment marche
les cotes paris sportif|comment marche les paris sportif|comment marche les paris
sportifs|comment marche paris sportif|comment marche un pari sportif|comment marche un paris sportif|comment marchent les cotes
paris sportif|comment marchent les paris sportifs|comment miser au paris sportif|comment miser paris sportif|comment monter sa bankroll paris sportif|comment ne jamais perdre
au paris sportif|comment parier sportif|comment reussir
au paris sportif|comment reussir les paris sportif|comment
reussir paris sportif|comment sont calculer les
cotes de paris sportif|comment sont calculées les cotes des paris sportifs|comment
sont calculés les cotes des paris sportifs|comment sont faites les cotes des paris sportifs|comment toujours gagner au paris sportif|comment ça marche les paris sportifs|comparaison bonus paris sportifs|comparaison cote pari sportif|comparaison des
cotes paris sportifs|comparateur cote pari sportif|comparateur cote paris sportif|comparateur cotes paris sportif|comparateur cotes paris sportifs|comparateur de cote pari sportif|comparateur de cote paris sportif|comparateur de cotes paris sportifs|comparateur de
côtes paris sportifs|comparateur de paris sportif|comparateur de site de paris sportif|comparateur
de site paris sportif|comparateur de sites de paris sportifs|comparateur pari sportif|comparateur paris sportif|comparateur paris sportifs|comparateur site de paris
sportif|comparateur site pari sportif|comparateur site paris sportif|comparatif
bonus paris sportif|comparatif bonus paris sportifs|comparatif
cote pari sportif|comparatif cote paris sportif|comparatif cotes paris sportifs|comparatif des sites de
paris sportifs|comparatif offre de bienvenue paris sportif|comparatif offre paris sportif|comparatif pari sportif|comparatif pari sportif en ligne|comparatif paris sportif|comparatif
paris sportif bonus|comparatif paris sportif en ligne|comparatif paris
sportifs|comparatif paris sportifs en ligne|comparatif site
de paris sportif|comparatif site paris sportif|comparatif site
paris sportifs|comparatif sites de paris sportifs|comparatif
sites paris sportifs|comparer les cotes paris
sportifs|comprendre cote paris sportif|comprendre handicap paris
sportif|comprendre les cotes des paris sportifs|comprendre les cotes
paris sportif|comprendre les cotes paris
sportifs|comprendre les handicap paris sportif|compte de paris sportif|compte démo paris sportif|compte
finance paris sportif|compte financer paris sportif|compte financier paris sportif|compte financé paris sportif|compte pari sportif|compte paris sportif|compte paris sportif financé|conseil de paris sportif|conseil de paris sportifs|conseil en paris sportif|conseil en paris sportifs|conseil pari sportif|conseil pari sportif gratuit|conseil paris
sportif|conseil paris sportif aujourd’hui|conseil paris
sportif du jour|conseil paris sportif foot|conseil paris sportif gratuit|conseil
paris sportif ligue des champions|conseil paris sportif nba|conseil
paris sportif pronostic|conseil paris sportif rmc|conseil paris sportif tennis|conseil paris sportifs|conseil pour gagner au paris sportif|conseil pour paris
sportif|conseil sur les paris sportifs|conseille paris sportif|conseiller en paris sportifs|conseiller paris sportif|conseils de paris sportifs|conseils
en paris sportifs|conseils paris sportifs|conseils paris sportifs foot|conseils paris sportifs gratuit|conseils paris
sportifs tennis|conseils pour paris sportifs|cote a 100 paris sportif|cote a 2 paris
sportif|cote anglaise paris sportif|cote de 2 paris
sportif|cote de pari sportif|cote de paris sportif|cote des paris sportifs|cote maximum paris sportif|cote minimum paris
sportif|cote pari sportif|cote pari sportif comment
ça marche|cote pari sportif real madrid|cote pari sportif rugby|cote
parie sportif|cote paris sportif|cote paris sportif belgique|cote paris sportif calcul|cote paris sportif definition|cote
paris sportif euro|cote paris sportif explication|cote paris sportif foot|cote paris sportif france
belgique|cote paris sportif france espagne|cote paris sportif ligue des champions|cote
paris sportif moto gp|cote paris sportif psg|cote paris sportif psg arsenal|cote paris sportif rugby|cote paris sportif tennis|cote paris sportifs|cote pour
paris sportifs|cote sportif foot|cote sportif rugby|cote à 1000 paris sportif|cotes de paris sportifs|cotes pari sportif|cotes paris sportif|cotes paris sportifs|cotes paris sportifs foot|coupe de france paris sportif|créer un algorithme paris sportif|créer un compte paris sportif|créer un site de paris sportif en ligne|dans les paris sportifs que signifie handicap|declarer ses gains paris sportif|definition cash out
paris sportif|definition cote paris sportif|definition handicap paris
sportif|depot 5 euros paris sportif|depot
double paris sportif|depot minimum 5 euro paris
sportif|depot minimum paris sportif|depot paris sportif|depuis
quand existe les paris sportif en france|devenir riche
avec les paris sportifs|devenir riche avec paris sportifs|disqualification tennis paris sportif|dnb en paris sportif|dnb pari sportif|dnb paris sportif|dnb paris sportif definition|dnb paris
sportifs|doit on declarer les gains de paris sportif|déclarer gains paris sportifs|déclarer gains paris
sportifs hors arjel|définition bankroll paris sportif|dépôt minimum 1 euro
paris sportif|dépôt minimum 5 euro paris sportif|ecart de jeux tennis paris sportif|erreur de
cote paris sportif|est ce que les gains des paris sportifs sont imposables|est-ce que les prolongation compte
dans un pari sportif|etre sur de gagner au paris sportif|euro paris sportif|evenement sportif a paris|evenement sportif
paris|evenement sportif paris 2025|evenement sportif paris aujourd hui|evenement sportif paris
aujourd’hui|evenement sportif paris ce week end|evenements sportif paris|evenements sportifs paris|evenements sportifs paris 2025|evenements sportifs
à paris|evolution cote paris sportif|evolution cotes paris sportifs|evolution des cotes paris sportifs|explication cote pari sportif|explication cote
paris sportif|explication handicap paris sportif|explication pari
sportif|explication paris sportif|face a face hockey paris sportif|faire des paris
sportif|faire des paris sportif avec paypal|faire des paris sportifs|faire fortune paris sportifs|faire un pari sportif|faire
un paris sportif|faut il déclarer les gains de paris sportifs|faut il déclarer
ses gains paris sportifs|fichier excel gestion bankroll paris sportif|fiscalité gains paris sportifs|foot paris sportif|football et paris sportifs|forfait
tennis paris sportif|formation paris sportif gratuit|forum
de paris sportif|forum de paris sportifs|forum pari sportif|forum parie sportif|forum paris sportif|forum paris sportif foot|forum paris sportif gratuit|forum paris sportif nba|forum paris sportif tennis|forum paris sportifs|forum sur les paris sportifs|forum tennis paris sportif|francaise
des jeux pari sportif|francaise des jeux paris sportif|francaise des jeux paris sportifs|france 2
paris sportif|france 2 paris sportifs|france
belgique paris sportif|france espagne paris sportif|france pari sportif|france pari sportif brest|france paris sportif|france paris sportifs|france pologne paris sportif|france
portugal paris sportif|france suisse paris sportifs|france tunisie paris sportifs|france-pari
– paris sportifs|gagnant pari sportif|gagnant paris sportif|gagnant
paris sportif bayern|gagnante paris sportif|gagne au paris sportif|gagner 10 euros
par jour aux paris sportifs|gagner 100 euros par jour paris sportif|gagner 1000 euros
par mois paris sportifs|gagner 10000 euros paris sportif|gagner 2000 euros par mois
paris sportif|gagner 50 euros par jour paris sportif|gagner a coup sur au paris sportif|gagner a coup sur pari sportif|gagner
a tous les coup paris sportif|gagner argent avec paris sportifs|gagner argent pari sportif|gagner argent paris sportif|gagner argent paris sportifs|gagner au pari sportif|gagner
au paris sportif|gagner au paris sportif a coup sur|gagner au paris sportif foot|gagner au paris sportif forum|gagner au paris sportif à coup sur|gagner aux paris sportif|gagner
aux paris sportifs|gagner aux paris sportifs pdf|gagner beaucoup d’argent paris sportif|gagner de l argent
grace aux paris sportifs|gagner de l argent pari sportif|gagner de l
argent paris sportif|gagner de l argent paris sportifs|gagner de l’argent au
paris sportif|gagner de l’argent aux paris sportifs|gagner
de l’argent avec les paris sportifs|gagner de l’argent avec
paris sportif|gagner de l’argent avec paris sportifs|gagner de l’argent grace au
paris sportif|gagner de l’argent grace aux paris sportifs|gagner de l’argent
pari sportif|gagner de l’argent paris sportif|gagner de l’argent paris sportifs|gagner de l’argent sur les paris
sportifs|gagner des paris sportif|gagner des paris sportifs|gagner les paris sportifs|gagner
pari sportif|gagner paris sportif|gagner paris sportif foot|gagner paris sportif forum|gagner paris sportif tennis|gagner paris sportifs|gagner sa vie avec les
paris sportif|gagner sa vie avec les paris sportifs|gagner sa vie avec paris sportifs|gagner ses
paris sportifs|gagner à coup sur paris sportif|gagner à tous les coups paris sportifs|gain maximum paris sportif|gain pari sportif|gain pari sportif imposable|gain pari sportif impot|gain paris sportif|gain paris sportif imposable|gain paris sportif
impot|gain paris sportif impôt|gains paris sportif|gains paris sportif imposable|gains
paris sportifs|gains paris sportifs imposable|gains paris sportifs imposables|gains paris sportifs
sont ils imposables|gerer bankroll paris sportif|gerer
sa bankroll paris sportif|gerer une bankroll paris sportif|gestion bankroll paris sportif|gestion bankroll paris sportifs|gestion bankroll
paris sportifs excel|gestion de bankroll paris sportif|gestion de bankroll paris
sportif application|gestion de bankroll paris sportifs|gestion de mise paris
sportif|gestion paris sportifs v2 5 gratuit|gg signification paris sportif|gros combiné
paris sportif|gros gain paris sportif|grosse cote paris sportif pronostic|grosse mise paris sportif|groupe paris sportif gratuit|groupe
telegram paris sportif gratuit|groupement de joueurs paris sportifs|handicap 0
paris sportif|handicap 1 paris sportif|handicap 5 paris sportif|handicap au paris
sportif|handicap basket paris sportif|handicap dans les paris
sportifs|handicap en paris sportif|handicap europeen paris sportif|handicap européen paris sportifs|handicap mi temps paris sportif|handicap pari sportif|handicap paris sportif|handicap paris sportif
basket|handicap paris sportif explication|handicap paris sportif foot|handicap paris sportif rugby|handicap paris sportifs|handicap rugby paris sportif|handicap tennis paris sportif|historique cote paris sportif|historique des cotes paris sportifs|hockey paris
sportif|hockey sur glace paris sportif|hors arjel paris sportif|hweh signification paris sportif|imposition gain pari sportif|imposition gain paris sportif|imposition gains paris sportifs|imposition paris sportif france|impot gain paris sportif|impot
paris sportif france|impot sur gain paris sportif|je gagne
ma vie avec les paris sportifs|jeu de pari sportif gratuit|jeu de
paris sportif en ligne|jeu de paris sportif gratuit|jeu paris sportif gratuit|jeu paris sportif sans argent|jeux de parie sportif|jeux de paris sportif|jeux de paris sportif en ligne|jeux de
paris sportif gratuit|jeux de paris sportifs|jeux olympiques paris sportifs|jeux paris
sportif|jeux paris sportif gratuit|jeux paris sportif virtuel|jeux paris sportifs en ligne|jouer
au paris sportif|jouer paris sportif|joueur
absent paris sportif|joueur blesse paris sportif|joueur caen paris sportif|joueur de caen pari sportif|joueur de
foot paris sportif|joueur decisif paris sportif|joueur décisif paris sportif|joueur italien paris sportif|joueur paris sportif|joueur professionnel paris sportif|joueur qui se blesse
paris sportif|joueur sanctionne pari sportif|joueur suspendu paris sportif|joueurs italiens paris sportifs|l’argent des paris sportifs est
il imposable|la cote paris sportif|la francaise des jeux paris
sportif|la martingale paris sportif|la martingale paris sportifs|la meilleur application de paris sportif|la meilleur application paris sportif|la meilleur technique pour gagner au paris sportif|la méthode secrète pour gagner aux paris sportifs pdf|la plus grosse cote gagner paris sportif|la
plus grosse cote paris sportif|ldem paris sportif signification|le marché des paris sportifs|le meilleur site de pari sportif|le meilleur site de paris sportif|le meilleur site de paris sportif en ligne|le
meilleur site de paris sportifs|le plus gros
gain au paris sportif|le plus gros paris sportif|le plus gros paris sportif du monde|les 10 meilleurs sites de paris sportifs|les 10 meilleurs sites de paris sportifs en afrique|les 17
secrets pour gagner rapidement aux paris sportifs|les
17 secrets pour gagner rapidement aux paris sportifs pdf|les application de paris sportif|les applications paris sportifs|les bonus paris sportifs|les bookmakers paris sportifs|les cotes paris sportifs|les gains de paris sportifs sont ils
imposables|les gains des paris sportifs sont ils imposables|les jeux de paris sportifs|les meilleur paris sportif|les meilleures applications de
paris sportifs|les meilleurs applications de paris sportifs|les meilleurs bonus paris sportif|les meilleurs bonus paris sportifs|les meilleurs cotes paris
sportif|les meilleurs paris sportifs|les meilleurs paris sportifs du jour|les meilleurs site de paris sportif|les meilleurs site de paris sportifs|les meilleurs sites de
pari sportif|les meilleurs sites de paris sportifs|les meilleurs sites de paris sportifs
en ligne|les paris sportif|les paris sportif avis|les paris sportifs|les paris sportifs
comment ça marche|les paris sportifs en france|les paris sportifs en ligne|les paris sportifs en ligne comprendre jouer gagner|les paris sportifs en ligne
comprendre jouer gagner pdf|les paris sportifs les plus rentables|les plus gros gagnant paris sportif|les plus gros gains au
paris sportifs|les plus gros gains paris sportifs|les plus gros paris sportif|les plus
grosse cote paris sportif|les plus grosses pertes paris sportifs|les sites de paris sportifs|les sites de paris
sportifs autorisés en france|les sites de paris sportifs en france|les sites de paris sportifs en ligne|les sites de paris sportifs francais|ligue 1
paris sportif|ligue 1 paris sportifs|ligue 2 paris sportif|ligue
des champions paris sportif|limite de gains paris sportifs|limite
de mise paris sportif|limite gain paris sportif|limite mise paris sportifs|liste de
paris sportif|liste des paris sportifs|liste des site de paris sportif|liste des sites de paris sportifs|liste pari sportif|liste paris sportif|liste paris sportif pdf|liste site de paris sportif|liste site
pari sportif|liste site paris sportif|liste site paris sportif arjel|liste sites paris sportifs|logiciel
algorithme paris sportif|logiciel algorithme paris sportif gratuit|logiciel analyse
paris sportif|logiciel calcul paris sportif|logiciel
de pari sportif|logiciel de paris sportif|logiciel de paris
sportif gratuit|logiciel gestion bankroll paris sportif gratuit|logiciel gestion de bankroll paris sportif|logiciel gestion paris sportif|logiciel gestion paris sportif gratuit|logiciel gestion paris sportifs|logiciel pari sportif|logiciel paris sportif|logiciel
paris sportif gratuit|logiciel paris sportifs|logiciel paris sportifs foot sur
2 matchs|logiciel pour paris sportif|logiciel pour paris sportifs|logiciel prediction paris sportif|logiciel probabilité paris sportif|logiciel prédiction paris sportif|logiciel statistique paris sportifs|logiciel
variation de cote paris sportif|loi sur les paris sportifs en france|magic calculator paris sportif|marché des paris sportifs|marché des paris sportifs en france|marché des
paris sportifs en ligne|martingale pari sportif|martingale paris sportif|martingale paris sportif excel|martingale
paris sportif forum|martingale paris sportif interdit|martingale paris sportifs|match abandonné
paris sportif|match annulé ou reporté paris sportifs|match annulé paris sportif|match
arrete paris sportif|match interrompu paris sportif|match interrompu tennis paris sportif|match interrompu tennis pluie paris sportif|match nul boxe paris
sportif|match pari sportif|match paris sportif|match
reporté paris sportif|match suspendu paris sportif|match suspendu
tennis paris sportif|match truqué paris sportif|matchs truqués paris sportifs|meilleur algorithme paris
sportif|meilleur algorithme paris sportif gratuit|meilleur app de paris sportif|meilleur app de paris sportifs|meilleur app paris
sportif|meilleur appli de pari sportif|meilleur appli de paris sportif|meilleur appli pari sportif|meilleur appli paris sportif|meilleur appli paris
sportif forum|meilleur appli paris sportifs|meilleur application conseil paris sportif|meilleur application de paris sportif|meilleur application de paris sportif en afrique|meilleur
application pari sportif|meilleur application paris sportif|meilleur application paris sportif
belgique|meilleur application pour les paris sportif|meilleur
application pour pari sportif|meilleur bonus de bienvenue paris
sportif|meilleur bonus pari sportif|meilleur bonus paris sportif|meilleur bonus paris sportif sans
depot|meilleur bonus paris sportifs|meilleur bonus site de paris sportif|meilleur bonus site pari sportif|meilleur
bonus site paris sportif|meilleur bookmaker paris sportif|meilleur combiné paris sportif|meilleur conseil paris sportif|meilleur cote de
paris sportif|meilleur cote pari sportif|meilleur cote paris sportif|meilleur cote paris sportif aujourd’hui|meilleur cote site paris sportif|meilleur forum paris sportifs|meilleur gain paris sportif|meilleur ia paris
sportif|meilleur methode pour gagner au paris sportif|meilleur offre
bienvenue paris sportif|meilleur offre bonus paris sportif|meilleur offre de bienvenue paris sportif|meilleur offre de bienvenue paris
sportifs|meilleur offre pari sportif|meilleur offre paris sportif|meilleur
offre paris sportif en ligne|meilleur pari sportif|meilleur pari sportif
du jour|meilleur pari sportif en ligne|meilleur paris sportif|meilleur paris
sportif aujourd’hui|meilleur paris sportif du jour|meilleur
paris sportif en ligne|meilleur paris sportif foot|meilleur promo paris sportif|meilleur pronostic paris sportif|meilleur site de conseil paris sportif|meilleur site de pari sportif|meilleur site de pari sportif en ligne|meilleur site de paris sportif|meilleur site de paris sportif avis|meilleur site de paris sportif belgique|meilleur site de paris sportif canada|meilleur site de paris
sportif en france|meilleur site de paris sportif en ligne|meilleur site
de paris sportif football|meilleur site de paris sportif forum|meilleur site de paris sportif france|meilleur site de paris sportif hors arjel|meilleur
site de paris sportif international|meilleur site de paris sportif
suisse|meilleur site de paris sportifs|meilleur site de paris sportifs en ligne|meilleur site pari sportif|meilleur site pari sportif en ligne|meilleur
site pari sportif france|meilleur site paris sportif|meilleur site paris sportif avis|meilleur site paris sportif belgique|meilleur site paris sportif canada|meilleur site paris sportif en ligne|meilleur site paris sportif
foot|meilleur site paris sportif forum|meilleur site paris sportif
france|meilleur site paris sportif hors arjel|meilleur site paris sportif nba|meilleur site paris sportif rugby|meilleur site paris sportif suisse|meilleur site paris sportifs|meilleur site
pour pari sportif|meilleur site pour paris sportif|meilleur site pronostic paris
sportif|meilleur strategie paris sportif|meilleur technique de paris sportif|meilleur technique paris sportif|meilleur technique pour gagner
au paris sportif|meilleure appli de paris sportif|meilleure appli
de paris sportifs|meilleure appli pari sportif|meilleure
appli paris sportif|meilleure appli paris sportifs|meilleure application de paris sportif|meilleure application de paris sportifs|meilleure
application pari sportif|meilleure application paris sportif|meilleure application paris sportif android|meilleure application paris sportifs|meilleure offre paris
sportif|meilleure site paris sportif|meilleure strategie
paris sportif|meilleures applications de paris sportifs|meilleures applications paris sportifs|meilleures
cotes paris sportifs|meilleures offres paris sportifs|meilleures stratégies paris
sportifs|meilleurs appli paris sportif|meilleurs application de paris sportifs|meilleurs application paris sportif|meilleurs applications paris sportifs|meilleurs bonus
paris sportifs|meilleurs cote paris sportif|meilleurs cotes paris sportifs|meilleurs offres paris sportifs|meilleurs paris
sportifs|meilleurs paris sportifs du jour|meilleurs site de pari sportif|meilleurs site de paris sportif|meilleurs site de paris sportif en ligne|meilleurs site de
paris sportifs|meilleurs site paris sportif|meilleurs sites de paris sportifs|meilleurs
sites de paris sportifs en ligne|meilleurs sites paris sportif|meilleurs sites paris sportifs|methode abc paris sportif|methode de paris sportif|methode gagnante paris sportifs|methode gagner paris
sportif|methode infaillible paris sportifs|methode
martingale paris sportif|methode mathematique paris
sportif|methode mathematique pour gagner au paris sportif|methode paris sportif|methode paris
sportif foot|methode paris sportif forum|methode paris sportif tennis|methode paris sportifs|methode pour gagner au paris
sportif|methode pour gagner paris sportif|methodes
paris sportifs|minimum depot paris sportif|mise au jeu pari sportif|mise maximum pari sportif|mise maximum paris sportif|mise
minimum paris sportif|mise moyenne paris sportif|mise
paris sportif|moins de 4 5 but paris sportif|montant maximum paris sportif|montant paris sportif|montante pari sportif|montante parie sportif|montante paris sportif|montante paris sportifs|montantes
paris sportifs|multiple pari sportif|multiple paris sportif|multiple paris sportifs|multiples paris sportifs|méthode calcul paris sportif|méthode match nul
paris sportifs|méthode mathématique pour gagner au paris sportif|méthode paris sportif forum|méthode paris sportif hockey|nba pari sportif|nba paris sportif|nba paris sportifs|nouveau paris sportif|nouveau site de pari sportif|nouveau site
de paris sportif|nouveau site de paris sportif en ligne|nouveau site de paris sportifs|nouveau site pari sportif|nouveau site paris sportif|nouveau site
paris sportif france|nouveau site paris sportifs|nouveaux sites de paris sportifs|nouveaux
sites paris sportifs|nouvelle appli paris sportif|nouvelle application de paris sportif|numero de match paris
sportif|numero match paris sportif|offre 100 euros paris sportif|offre appli pari sportif|offre bienvenu paris sportif|offre bienvenue
pari sportif|offre bienvenue paris sportif|offre bienvenue paris sportifs|offre bienvenue site paris sportif|offre bonus paris
sportif|offre de bienvenu paris sportif|offre de bienvenue pari sportif|offre de bienvenue paris sportif|offre de bienvenue paris sportif belgique|offre de
bienvenue paris sportif sans depot|offre de bienvenue paris sportif
sans dépôt|offre de bienvenue paris sportifs|offre
de bienvenue sans depot paris sportif|offre de bienvenue site paris sportif|offre euro paris sportif|offre pari sportif euro|offre paris sportif|offre paris
sportif belgique|offre paris sportif cash|offre paris sportif coupe du monde|offre
paris sportif hors arjel|offre paris sportif remboursé|offre paris sportif remboursé cash|offre paris sportif sans depot|offre
promo paris sportif|offre remboursement paris sportif|offre sans depot paris sportif|offre site
paris sportif|offres bienvenue paris sportifs|offres
de bienvenue paris sportifs|ou faire des paris sportif|ou faire des paris sportif
en espagne|ou faire des paris sportifs|outil répartiteur de mise paris sportif|outils repartiteur de mises paris sportif|ouverture
compte paris sportifs|ouvrir un compte paris sportif|pack
de bienvenue paris sportif|pack de bienvenue paris sportif hors arjel|pari en ligne sportif|pari sportif|pari sportif 100 euros offert|pari sportif 100 remboursé|pari sportif abandon tennis|pari sportif aide|pari sportif algérie aujourd’hui|pari sportif
appli|pari sportif application|pari sportif argent|pari sportif astuce|pari sportif aujourd|pari sportif aujourd’hui|pari sportif avec
handicap|pari sportif avec orange money|pari sportif avec paypal|pari sportif avec wave|pari sportif avis|pari
sportif basket|pari sportif belgique|pari sportif belgique france|pari sportif bonus|pari
sportif buteur pas titulaire|pari sportif champions league|pari sportif combiné|pari sportif comment|pari sportif comment gagner|pari sportif comment ça marche|pari sportif comparatif|pari sportif conseil|pari sportif cote|pari sportif cote match|pari sportif cote psg|pari sportif coupe|pari sportif
coupe de france|pari sportif coupe du monde|pari sportif depot|pari sportif du jour|pari sportif en france|pari sportif en ligne|pari sportif
en ligne au cameroun|pari sportif en ligne belgique|pari sportif en ligne canada|pari sportif en ligne france|pari sportif en ligne gratuit|pari sportif en ligne suisse|pari sportif en ligne ufc|pari sportif en suisse|pari sportif euro|pari sportif explication|pari sportif faire|pari sportif foot|pari sportif foot resultat|pari sportif football|pari sportif forum|pari sportif francaise des jeux|pari sportif france|pari sportif
france angleterre|pari sportif france argentine|pari sportif france autriche|pari sportif
france belgique|pari sportif france espagne|pari sportif france italie|pari sportif
france portugal|pari sportif france usa|pari sportif gagnant|pari sportif gagner|pari sportif gagner a tous
les coups|pari sportif gagner de l’argent|pari sportif gain|pari
sportif gratuit|pari sportif gratuit pour gagner
des cadeaux|pari sportif gratuit sans depot|pari sportif handicap|pari sportif hockey|pari sportif
hors arjel|pari sportif jeux olympiques|pari sportif joueur
absent|pari sportif le plus rentable|pari sportif leicester champion|pari sportif ligue
1|pari sportif ligue 2|pari sportif ligue des champions|pari sportif
ligue europa|pari sportif match|pari sportif match arrete|pari sportif
match interrompu|pari sportif meilleur|pari sportif meilleur cote|pari
sportif meilleur site|pari sportif methode|pari sportif
mise|pari sportif mise au jeu|pari sportif mise o jeu|pari sportif nba|pari sportif offre bienvenue|pari sportif paypal|pari sportif plus|pari sportif prolongation|pari sportif promo|pari sportif pronostic|pari sportif pronostic foot|pari sportif pronostic gagnant|pari sportif pronostic gratuit|pari
sportif psg|pari sportif psg bayern|pari sportif psg inter|pari
sportif psg milan|pari sportif regle|pari sportif
rembourse|pari sportif remboursement|pari sportif remboursement cash|pari sportif
remboursé|pari sportif rugby|pari sportif rugby
coupe du monde|pari sportif rugby top 14|pari sportif sans argent|pari sportif sans carte bancaire|pari sportif sans depot|pari sportif signification|pari
sportif site|pari sportif statistique|pari sportif suisse|pari sportif
systeme|pari sportif technique|pari sportif technique
pour gagner|pari sportif temps reglementaire|pari
sportif tennis|pari sportif tennis abandon|pari sportif top|pari sportif top 14|pari sportif tour de france|parie sportif|parie sportif comment
ca marche|parie sportif du jour|parie sportif en ligne|parie sportif
foot|parie sportif football|parie sportif france|parie sportif gratuit|parie sportif pronostic|parie sportif suisse|paris en ligne sportif|paris en ligne
sportifs|paris evenement sportif|paris france sportif|paris hippique et sportif|paris
hippiques et sportifs|paris hippiques paris sportifs|paris hippiques paris sportifs et
poker en ligne|paris hippiques sportifs|paris match sportif|paris sportif|paris sportif 10 euros offerts|paris sportif 100 euros offert|paris sportif 100 euros remboursé|paris sportif 100 offert|paris sportif 100 remboursé|paris sportif 100e offert|paris sportif 150 euros offert|paris
sportif 1er pari remboursé|paris sportif a faire|paris sportif a faire aujourd’hui|paris sportif
a faire ce soir|paris sportif abandon tennis|paris sportif abandon tennis parions sport|paris sportif aide|paris
sportif algorithme|paris sportif analyse|paris sportif appli|paris sportif application|paris sportif application android|paris sportif apres prolongation|paris sportif argent|paris
sportif argent fictif|paris sportif argent offert|paris sportif argent virtuel|paris sportif arjel|paris sportif arsenal psg|paris sportif astuce|paris sportif au
canada|paris sportif aujourd hui|paris sportif aujourd’hui|paris sportif avec argent fictif|paris sportif avec bonus sans depot|paris sportif avec
carte bancaire|paris sportif avec cryptomonnaie|paris sportif avec handicap|paris sportif avec paypal|paris sportif avec paysafecard|paris sportif avis|paris sportif avis expert|paris sportif
avis forum|paris sportif bankroll|paris sportif basket|paris sportif basket coupe de france|paris sportif basket nba|paris
sportif basket prolongation|paris sportif belgique|paris sportif belgique bonus|paris sportif belgique bonus sans depot|paris sportif belgique france|paris sportif belgique suede|paris
sportif bonus|paris sportif bonus bienvenue|paris sportif bonus cash|paris sportif bonus de bienvenue|paris sportif bonus gratuit|paris sportif bonus gratuit sans depot|paris sportif bonus retirable|paris sportif bonus sans depot|paris sportif
bonus sans depot belgique|paris sportif bookmaker|paris sportif but
contre son camp|paris sportif but temps additionnel|paris sportif buteur|paris sportif buteur
blessé|paris sportif buteur carton rouge|paris sportif buteur contre son camp|paris sportif buteur non titulaire|paris
sportif buteur prolongation|paris sportif buteur qui ne joue pas|paris sportif buteur remplacant|paris sportif calcul gain|paris sportif canada|paris sportif cash|paris sportif cash out|paris sportif champion ligue 1|paris
sportif champions league|paris sportif classement ligue 1|paris sportif code promo|paris sportif combine|paris sportif combiné|paris sportif combiné
comment ça marche|paris sportif combiné du jour|paris sportif
combiné match reporté|paris sportif comment ca marche|paris sportif
comment faire|paris sportif comment gagner|paris sportif comment gagner a tous les
coups|paris sportif comment jouer|paris sportif comment
ça marche|paris sportif comparateur cote|paris sportif comparatif|paris sportif
conseil|paris sportif conseil gratuit|paris sportif conseil pour gagner|paris sportif cote|paris sportif cote
et match|paris sportif cote explication|paris sportif cote
psg|paris sportif coupe d’europe|paris sportif coupe davis|paris
sportif coupe de france|paris sportif coupe du monde|paris sportif
coupe du monde de rugby|paris sportif coupe du monde rugby|paris sportif depot 5 euro|paris sportif depot minimum|paris sportif depot paypal|paris sportif dnb|paris sportif du jour|paris
sportif du jour conseil|paris sportif dépôt 1 euro|paris sportif dépôt minimum 5 euros|paris sportif en belgique|paris sportif en france|paris sportif en ligne|paris sportif
en ligne avec paypal|paris sportif en ligne avis|paris sportif
en ligne belgique|paris sportif en ligne bonus|paris sportif en ligne cameroun|paris sportif en ligne comment gagner|paris sportif en ligne comment
ça marche|paris sportif en ligne france|paris sportif en ligne gratuit|paris
sportif en ligne maroc|paris sportif en ligne paypal|paris sportif en ligne québec|paris sportif en ligne sans depot|paris sportif en ligne suisse|paris sportif en suisse|paris sportif espagne france|paris sportif
esport|paris sportif et casino en ligne|paris sportif et
hippique|paris sportif et prolongation|paris sportif euro|paris
sportif europa league|paris sportif explication|paris sportif final ligue des champions|paris sportif finale ligue des champions|paris sportif foot|paris sportif foot aide|paris sportif foot astuce|paris
sportif foot aujourd’hui|paris sportif foot ce soir|paris sportif
foot comment ca marche|paris sportif foot conseil|paris sportif foot cote|paris sportif foot coupe du monde|paris sportif foot en ligne|paris sportif foot feminin|paris sportif foot
gratuit|paris sportif foot prolongation|paris sportif foot pronostic|paris
sportif foot pronostic gratuit|paris sportif foot regle|paris sportif foot suisse|paris sportif foot
us|paris sportif football|paris sportif football americain|paris sportif football astuces|paris sportif
forfait tennis|paris sportif forum|paris sportif francais|paris sportif
francaise des jeux|paris sportif france|paris sportif france 2|paris sportif france
allemagne|paris sportif france angleterre|paris sportif france argentine|paris sportif france autriche|paris sportif france belgique|paris
sportif france espagne|paris sportif france gibraltar|paris sportif france italie|paris sportif
france nouvelle zelande|paris sportif france
pologne|paris sportif france portugal|paris sportif france uruguay|paris sportif france
usa|paris sportif freebet sans depot|paris sportif gagnant|paris sportif gagnant à coup sûr|paris
sportif gagner a coup sur|paris sportif gagner argent|paris sportif gagner de l’argent|paris sportif gain|paris sportif gain maximum|paris sportif gestion bankroll|paris sportif gratuit|paris sportif gratuit
appli|paris sportif gratuit avec cadeaux|paris sportif gratuit
cadeaux|paris sportif gratuit en ligne|paris sportif gratuit
entre amis|paris sportif gratuit sans argent|paris sportif gratuit
sans depot|paris sportif gratuit sans dépôt|paris sportif gratuits|paris sportif gros gain|paris sportif handicap|paris
sportif handicap 0 1|paris sportif handicap 0-1|paris sportif handicap 1 0|paris sportif handicap 1-0|paris sportif handicap
basket|paris sportif handicap explication|paris sportif handicap foot|paris sportif handicap rugby|paris sportif hippique|paris sportif hockey|paris sportif hockey nhl|paris sportif hockey sur glace|paris sportif hors arjel|paris sportif
hors arjel france|paris sportif jeux olympiques|paris sportif jeux video|paris sportif joueur blessé|paris sportif joueur
blessé pendant le match|paris sportif joueur de foot|paris sportif joueur decisif|paris sportif joueur declare
forfait|paris sportif joueur déclare forfait|paris sportif
joueur remplacant|paris sportif la francaise des jeux|paris sportif le plus
rentable|paris sportif legal en france|paris sportif leicester champion|paris sportif les 18 stratégies pour gagner tous les jours|paris sportif les plus sur|paris sportif les prolongation compte|paris
sportif ligne|paris sportif ligue 1|paris sportif ligue 2|paris sportif ligue des champions|paris sportif ligue des nations|paris sportif ligue
europa|paris sportif liste|paris sportif martingale|paris sportif match|paris sportif match
abandonné|paris sportif match annulé|paris sportif match
arrêté|paris sportif match du jour|paris sportif match interrompu|paris sportif
match reporté|paris sportif match suspendu|paris
sportif match tennis interrompu|paris sportif match truqué|paris
sportif meilleur bonus|paris sportif meilleur cote|paris sportif meilleur pronostic|paris sportif meilleur site|paris sportif methode|paris sportif methode
2 3|paris sportif mi temps fin de match|paris sportif mise au jeu|paris sportif mise maximum|paris sportif mma france|paris sportif moins de 3.5 but|paris sportif montante|paris sportif moto gp|paris sportif
multiple|paris sportif multiple 2 3|paris sportif
multiple 2 3 explication|paris sportif multiple 2 4|paris sportif multiple 2 5|paris sportif multiple 2/3 explication|paris sportif multiple
3 4|paris sportif multiple explication|paris sportif national 1 foot|paris sportif nba|paris sportif nba conseil|paris sportif nba pronostic|paris sportif nhl|paris
sportif nombre de but|paris sportif nouveau site|paris sportif numero match|paris sportif offert|paris sportif offre
bienvenue|paris sportif offre bienvenue sans depot|paris sportif offre de bienvenue|paris sportif offre sans depot|paris sportif om psg|paris sportif paypal|paris sportif plus de 1.5 but|paris sportif plus de 2 5
but|paris sportif plus ou moins|paris sportif plus ou moins 2 5 but|paris sportif premier pari remboursé|paris
sportif premier paris remboursé|paris sportif prolongation|paris sportif prolongation basket|paris sportif prolongation foot|paris
sportif promo|paris sportif pronostic|paris sportif pronostic
basket|paris sportif pronostic des match aujourd hui|paris sportif pronostic expert gratuit|paris sportif pronostic
foot|paris sportif pronostic forum|paris sportif pronostic gratuit|paris sportif
pronostic tennis|paris sportif psg|paris sportif psg arsenal|paris sportif psg barcelone|paris
sportif psg bayern|paris sportif psg dortmund|paris sportif
psg inter|paris sportif psg inter cote|paris sportif
psg liverpool|paris sportif psg om|paris sportif qr code|paris sportif que veut dire handicap|paris sportif
qui rapporte le plus|paris sportif regle|paris sportif regle prolongation|paris sportif
rembourse|paris sportif remboursement cash|paris sportif rembourser|paris sportif
remboursé|paris sportif remboursé cash|paris sportif remboursé en cash|paris sportif retrait paypal|paris sportif rue
des joueurs|paris sportif rugby|paris sportif rugby 6
nations|paris sportif rugby coupe du monde|paris sportif rugby top 14|paris sportif safe du jour|paris sportif sans argent|paris sportif sans carte bancaire|paris sportif sans carte d’identité|paris
sportif sans compte bancaire|paris sportif sans depot|paris sportif
sans depot minimum|paris sportif si match suspendu|paris sportif si un joueur abandonne|paris sportif si un joueur ne joue pas|paris sportif si un joueur se blesse|paris sportif simple ou combiné|paris sportif site|paris sportif statistique|paris sportif stratégie|paris sportif suisse|paris sportif suisse application|paris sportif suisse en ligne|paris sportif suisse legal|paris sportif suisse légal|paris sportif
suisse romande|paris sportif sur du jour|paris sportif sur le tennis|paris sportif systeme|paris sportif systeme 2 3|paris sportif systeme 2 4|paris sportif systeme 2/3|paris sportif systeme 2/4|paris sportif systeme 3 4|paris sportif systeme 3/4|paris sportif systeme explication|paris sportif technique|paris
sportif technique pour gagner|paris sportif temps additionnel|paris sportif temps reglementaire|paris sportif tennis|paris sportif tennis
abandon|paris sportif tennis conseil|paris sportif tennis de table|paris sportif tennis forfait|paris sportif tennis gratuit|paris sportif tennis pronostic|paris sportif tennis roland
garros|paris sportif tir au but|paris sportif top 14|paris sportif tour de france|paris
sportif ufc|paris sportif ufc france|paris sportif unibet|paris sportif vainqueur euro|paris sportif
vainqueur ligue 1|paris sportif vainqueur ligue des champions|paris sportif via paypal|paris sportif
victoire prolongation|paris sportif vip gratuit|paris
sportifs|paris sportifs abandon tennis|paris sportifs aide|paris
sportifs analyser un match|paris sportifs arjel|paris sportifs astuces|paris sportifs aujourd’hui|paris sportifs autorisés en france|paris
sportifs avec paypal|paris sportifs basket|paris sportifs
belgique|paris sportifs bonus|paris sportifs bookmakers|paris sportifs canada|paris
sportifs combiné|paris sportifs comparateur|paris sportifs comparatif|paris sportifs conseils|paris
sportifs cotes|paris sportifs coupe du monde|paris
sportifs de football|paris sportifs du jour|paris sportifs en belgique|paris
sportifs en france|paris sportifs en ligne|paris sportifs en ligne belgique|paris sportifs en ligne france|paris sportifs en ligne gratuit|paris sportifs en ligne suisse|paris sportifs en suisse|paris sportifs
et hippiques|paris sportifs euro|paris sportifs foot|paris sportifs foot us|paris sportifs
forum|paris sportifs france|paris sportifs france espagne|paris sportifs gagner à tous les coups|paris sportifs gratuit|paris
sportifs gratuits|paris sportifs gratuits en ligne|paris sportifs handicap|paris sportifs hockey|paris sportifs hockey sur galce|paris sportifs hockey sur
glace|paris sportifs hors arjel|paris sportifs jeux olympiques|paris sportifs les bookmakers raflent la mise|paris sportifs ligne|paris sportifs ligue 1|paris sportifs ligue 2|paris sportifs ligue des
champions|paris sportifs ligue europa|paris sportifs
match interrompu|paris sportifs montante|paris sportifs nba|paris sportifs offre bienvenue|paris sportifs offre de bienvenue|paris sportifs paypal|paris sportifs
pronostics|paris sportifs psg|paris sportifs psg inter|paris sportifs rugby|paris sportifs sans argent|paris sportifs sans depot|paris sportifs site|paris sportifs sites|paris sportifs statistiques|paris sportifs stratégie|paris sportifs suisse|paris sportifs technique|paris sportifs techniques|paris sportifs tennis|paris sportifs tennis
astuces|paris sportifs top 14|paris sportifs tour de france|part de marché paris sportifs|paypal pari sportif|paypal paris sportif|paypal paris sportifs|perte
d’argent paris sportifs|peut on devenir riche avec les paris sportifs|peut on gagner de l’argent avec les paris sportifs|peut on gagner sa vie avec les paris sportif|peut on vraiment gagner
de l’argent avec les paris sportifs|plus gros combine paris sportif|plus gros gagnant paris sportif|plus gros
gain paris sportif|plus gros gain paris sportif au monde|plus
gros gain paris sportif france|plus gros gains paris sportif|plus gros pari sportif|plus gros paris sportif|plus grosse cote gagner paris sportif|plus grosse cote pari sportif|plus grosse cote
paris sportif|plus grosse mise paris sportif|plus grosse somme gagner au paris sportif|plus ou moins paris sportif|pourcentage de mise paris sportif|premier pari sportif remboursé|probabilité cote paris sportif|probabilité paris sportif combiné|prolongation basket
paris sportif|prolongation paris sportif|promo pari sportif|promo paris sportif|promo site de paris sportif|promo site pari sportif|promo site paris sportif|promos paris
sportifs|prono paris sportif foot|prono paris sportif gratuit|prono paris
sportif tennis|pronostic de paris sportif|pronostic
du jour paris sportif|pronostic foot paris sportif|pronostic gratuit paris sportif|pronostic pari sportif|pronostic pari sportif gratuit|pronostic paris sportif|pronostic paris sportif aujourd’hui|pronostic paris sportif du jour|pronostic paris sportif foot|pronostic
paris sportif gratuit|pronostic paris sportif tennis|pronostic paris sportifs|pronostics
foot statistiques et aides aux paris sportifs|pronostics paris sportif|pronostics paris sportifs|pronostiqueur paris sportif
gratuit|psg arsenal paris sportif|psg bayern paris sportif|psg inter milan paris sportif|psg inter pari sportif|psg
inter paris sportif|psg liverpool paris sportif|psg
om paris sportif|psg paris sportif|psg paris sportifs|qr code
paris sportif|qu est ce qu un handicap paris sportif|qu est
ce que handicap dans les paris sportif|qu’est ce qu’un handicap paris sportif|qu’est ce que handicap dans les paris sportif|quand
un joueur se blesse paris sportif|que signifie 1/1 en paris sportif|que signifie 1/2 paris sportif|que signifie 12 en paris sportif|que signifie 1×2 dans les paris
sportifs|que signifie btts en paris sportif|que signifie dnb en paris sportif|que signifie draw en paris sportif|que signifie ft en paris sportif|que signifie gg dans le pari sportif|que signifie gg en pari sportif|que signifie gg en paris sportif|que
signifie handicap dans les paris sportifs|que veut dire
dnb en paris sportif|que veut dire handicap dans les paris
sportifs|que veut dire handicap paris sportif|quel appli pari
sportif|quel cote jouer paris sportif|quel est
la meilleur appli de paris sportif|quel est le meilleur algorithme de paris sportif|quel
est le meilleur site de pari sportif|quel est le meilleur site de pari sportif en ligne|quel est le meilleur site de paris
sportif|quel est le meilleur site de paris sportif en ligne|quel est le meilleur site de paris sportifs en ligne|quel
est le pari sportif le plus rentable|quel pari sportif est le plus rentable|quel pari
sportif est le plus sûr|quel pari sportif faire aujourd’hui|quel paris sportif
faire aujourd’hui|quel paris sportif rapporte le plus|quel site de paris sportif choisir|quel site de paris sportif rembourse en cash|quel type de pari sportif
est le plus rentable|quelle application pour paris sportifs|quelle est la meilleure appli de paris sportif|quelle est la meilleure application de paris sportif|quelle est la meilleure application pour les paris sportifs|quelle est le meilleur site de paris
sportif|quels paris sportifs faire|quels sont les paris
sportifs les plus sûrs|rebond basket paris sportif|record de gain paris sportif|regle buteur paris sportif|regle
de paris sportif|regle des paris sportif|regle handicap paris
sportif|regle handicap paris sportif foot|regle multiple paris sportif|regle
pari sportif|regle paris sportif|regle paris sportif foot|regle paris
sportif multiple|regle paris sportif prolongation|reglement pari
sportif|reglement paris sportif|regles paris sportifs|remboursement cash
paris sportif|remboursement en cash paris sportif|remboursement
pari sportif|remboursement paris sportif|repartiteur de mise paris sportif|repartiteur
de mise paris sportifs|repartiteur de mises paris sportif|repartiteur mise paris sportif|repartition des mises paris sportif|resultat pari sportif|resultat paris sportif|resultat paris sportif
en direct|resultat paris sportif foot|resultat sportif hockey|retirer argent paris sportif|rugby pari sportif|rugby
paris sportif|règle paris sportif prolongation|règles paris sportif|répartiteur de mise pari
sportif|répartiteur de mise paris sportif|répartiteur
de mise paris sportifs|répartition des mises paris sportif|résultat paris sportif foot|sans depot
paris sportif|se faire interdire de paris sportifs|signification btts paris sportif|signification dnb paris sportif|signification handicap paris sportif|simulateur de gain paris sportif|simulateur gain paris sportif|simulateur gain paris sportif multiple|simulateur gain paris sportif systeme|simulateur gain paris
sportif système|simulateur montante paris sportif|simulateur paris sportif multiple|simulateur systeme paris sportif|simulation paris sportif gratuit|site aide paris sportif|site analyse
paris sportif|site analyser paris sportif|site arjel paris sportif|site conseil paris
sportif|site d’analyse de paris sportifs|site d’analyse paris
sportif|site de conseil paris sportif|site de pari en ligne sportif|site de pari sportif|site de pari sportif avec bonus
sans depot|site de pari sportif bonus sans depot|site de pari sportif canada|site de pari sportif en ligne|site de pari sportif francais|site de pari sportif gratuit|site de pari sportif hors arjel|site
de pari sportif suisse|site de parie sportif|site de parie
sportif en ligne|site de paris en ligne sportif|site de paris sportif|site de
paris sportif acceptant paypal|site de paris sportif arjel|site de paris sportif autorisé en france|site
de paris sportif autorisé en suisse|site de paris sportif avec bonus|site de paris sportif avec bonus sans depot|site de paris sportif avec bonus sans dépôt|site de paris sportif avec neosurf|site de paris sportif avec paiement
mobile|site de paris sportif avec paypal|site de paris sportif avis|site de paris sportif
belge avec bonus|site de paris sportif belgique|site de paris
sportif bonus|site de paris sportif bonus sans depot|site de paris sportif canada|site de paris
sportif comparatif|site de paris sportif depot minimum|site de
paris sportif en france|site de paris sportif
en ligne|site de paris sportif en ligne suisse|site de
paris sportif football|site de paris sportif francais|site de
paris sportif france|site de paris sportif gratuit|site de paris sportif gratuit
pour gagner des cadeaux|site de paris sportif gratuit sans dépôt|site de paris sportif
hors arjel|site de paris sportif le plus fiable|site de paris sportif legal en france|site de paris sportif meilleur cote|site de paris sportif nouveau|site de paris sportif offre de bienvenue|site de
paris sportif paypal|site de paris sportif premier paris remboursé|site de paris sportif qui accepte
paypal|site de paris sportif qui rembourse en cash|site de paris sportif remboursé|site de paris sportif sans argent|site de paris sportif
sans carte bancaire|site de paris sportif sans carte d’identité|site de paris sportif sans depot|site de paris sportif suisse|site de paris sportifs|site de paris sportifs avec paypal|site de paris sportifs en ligne|site de paris sportifs francais|site de
paris sportifs gratuit|site de paris sportifs paypal|site
de paris sportifs suisse|site de statistique pour paris
sportif|site des paris sportifs|site pari en ligne sportif|site pari sportif|site pari sportif 100 euros offert|site pari sportif arjel|site pari sportif belgique|site
pari sportif bonus|site pari sportif canada|site pari
sportif comparatif|site pari sportif en ligne|site pari sportif france|site pari sportif gratuit|site pari sportif hors
arjel|site pari sportif suisse|site parie sportif|site paris en ligne sportif|site
paris sportif|site paris sportif 100 euros offert|site paris sportif 100 euros remboursé|site paris sportif 1er paris remboursé|site paris sportif arjel|site paris sportif autorisé en france|site paris
sportif avec bonus|site paris sportif avec bonus sans depot|site paris sportif avec meilleur cote|site paris sportif belgique|site
paris sportif bonus|site paris sportif bonus cash|site paris sportif bonus sans depot|site paris sportif canada|site paris sportif comparatif|site paris sportif depot 5 euro|site paris sportif
en ligne|site paris sportif foot|site paris sportif
france|site paris sportif gratuit|site paris sportif hors arjel|site paris sportif hors arjel france|site paris sportif meilleur
cote|site paris sportif nouveau|site paris sportif offre de bienvenue|site paris sportif
paypal|site paris sportif remboursement cash|site paris sportif remboursé en cash|site paris sportif retrait instantané|site paris sportif sans carte bancaire|site paris sportif sans
depot|site paris sportif suisse|site paris sportifs|site paris sportifs belgique|site paris sportifs en ligne|site
paris sportifs france|site paris sportifs hors arjel|site paris sportifs suisse|site pour analyse paris sportif|site pour paris sportif|site pronostic
paris sportif|site statistique paris sportif|site
suisse paris sportif|sites de pari sportif|sites de paris sportif|sites de paris sportifs|sites de paris sportifs arjel|sites
de paris sportifs autorisés en france|sites de paris sportifs belgique|sites de paris sportifs bonus|sites de paris sportifs
en belgique|sites de paris sportifs en france|sites de
paris sportifs en ligne|sites de paris sportifs gratuits|sites de paris sportifs gratuits sans dépôt|sites
de paris sportifs suisse|sites pari sportif|sites paris sportif|sites
paris sportifs|sites paris sportifs arjel|sites paris sportifs belgique|sites paris sportifs france|sites paris sportifs
hors arjel|sites paris sportifs suisse|so foot paris sportif|so foot paris sportifs|specialiste tennis paris sportif|statistique foot paris sportif|statistique
paris sportif|statistique paris sportif foot|statistique tennis paris sportif|statistiques football paris sportifs|statistiques paris sportifs|strategie
de paris sportif|stratégie big whale paris sportif|stratégie de paris
sportifs|stratégie gagnante paris sportifs|stratégie pari
sportif|stratégie paris sportif|stratégie paris sportifs|stratégie paris sportifs forum|stratégie pour gagner au paris sportif|stratégies paris sportifs|suisse paris sportif|suisse paris sportifs|systeme 2 3 paris sportif|systeme 3 4 paris sportif|systeme de cote paris sportif|systeme
de paris sportif|systeme pari sportif|systeme paris
sportif|systeme paris sportifs|systeme reducteur paris
sportif|système paris sportif|tableau bankroll paris sportif|tableau cote paris sportif|tableau
de paris sportif|tableau de suivi paris sportifs|tableau excel bankroll paris sportif|tableau excel
paris sportif|tableau excel paris sportif gratuit|tableau excel paris sportifs|tableau excel
pour paris sportif|tableau gestion bankroll paris sportif|tableau montante paris sportif|tableau paris sportif|tableau paris sportif excel|tableau
roi paris sportifs|tableau statistique paris sportif|tableau suivi paris sportif|
Alle wettanbieter im vergleich
vergleichen
searchgenius – Navigation felt smooth, found everything quickly without any confusing steps.
optimizewizard – Color palette felt calming, nothing distracting, just focused, thoughtful design.
seoflowpro – Content reads clearly, helpful examples made concepts easy to grasp.
wett app freunde
Also visit my page :: Gratiswette ohne einzahlung
App Sportwetten österreich
aktuelle gratiswetten
my site: gratiswette ohne einzahlung ohne oasis; Lora,
sichere online wett tipps
heute
was ist ein handicap beim basketball Wetten system (https://Cgp-Venenzentrum.de/)
adrankerai – Navigation felt smooth, found everything quickly without any confusing steps.
searchboosters – Mobile version looks perfect; no glitches, fast scrolling, crisp text.
smarttrafficai – Pages loaded fast, images appeared sharp, and formatting stayed consistent.
Какие технические ошибки чаще всего мешают Гео оптимизации сайта? [url=https://geo-optimizaciya-sajta.ru]Гео оптимизация сайта[/url]
Какие инструменты аналитики необходимы при [url=https://9online.crforum.ru/viewtopic.php?t=35053]Продвижение сайтов в google[/url]?
algorankai – Pages loaded fast, images appeared sharp, and formatting stayed consistent.
searchpilot – Overall, professional vibe here; trustworthy, polished, and pleasantly minimal throughout.
Какие [url=https://domashnie-zhivotnye-1.ru]домашние животные[/url] лучше всего подходят для семей с детьми дошкольного возраста?
wettbüro ingolstadt
Feel free to visit my homepage; die besten wettanbieter online (Myrtle)
sportwetten schweiz gesetz
Also visit my website; wettquoten bayern dortmund; Kathrin,
sportwetten bonus aktionen
Also visit my web-site: Stellenangebote WettbüRo – Neuroskop.Pl,
metricmarket – Appreciate the typography choices; comfortable spacing improved my reading experience.
growthhive – Navigation felt smooth, found everything quickly without any confusing steps.
strategystore – Found practical insights today; sharing this article with colleagues later.
tipp wetten vorhersage
my webpage; sportwetten ohne lugas (Teri)
ungarn schweiz wetten
my web-site: wie funktionieren kombiwetten (Amee)
leadstore – Mobile version looks perfect; no glitches, fast scrolling, crisp text.
[url=https://moypodolsk.crforum.ru/viewtopic.php?t=2209]Поисковое продвижение сайта[/url] — как правильно работать с семантическим ядром?
[url=https://geo-optimizaciya-sajta.ru]Гео оптимизация сайта[/url] — обязательно ли регистрировать физический адрес для хорошего результата?
[url=https://kapsulnyj-dom-1.ru]Капсульный дом[/url] — можно ли его перевезти на другой участок при необходимости?
Какие площадки нужно мониторить в рамках [url=https://9online.crforum.ru/viewtopic.php?t=35054]Serm[/url]?
online internet wetten deutschland erfahrung
binaryforge – Found practical insights today; sharing this article with colleagues later.
quantumesh – Color palette felt calming, nothing distracting, just focused, thoughtful design.
perfekte wettstrategie
Also visit my homepage … wette deutschland (Marty)
smartneuron – Pages loaded fast, images appeared sharp, and formatting stayed consistent.
experten Tipps sportwetten bonus bei
einzahlung
UAE Warriors 70, slated for May 8, 2026, inside the Space42 Arena in Abu Dhabi is a perfect example of this.
codezenith – Bookmarked this immediately, planning to revisit for updates and inspiration.
sportwetten ergebnisse vorhersage
Here is my web site: wettanbieter in Deutschland
buchmacher ohne lugas
my web site :: wettanbieter Beste
logicvault – Appreciate the typography choices; comfortable spacing improved my reading experience.
sportwetten gratiswette buchmacher bonus ohne einzahlung (Nydia) einzahlung
wettseiten deutschland
Here is my webpage – Buchmacher Düsseldorf
sportwetten tipps Bei Sportwetten strategien
wett prognose
Feel free to visit my web page – Top goal sportwetten
wettanbieter deutschland ohne oasis
Here is my page … wett tipps ai kosten; Salvatore,
esc wetten deutschland
Here is my webpage :: die besten wett tipps
app für private wetten
My page; größte wettanbieter deutschland – Bryce
–
nanostack – Content reads clearly, helpful examples made concepts easy to grasp.
siliconvault – Content reads clearly, helpful examples made concepts easy to grasp.
synthlayer – Navigation felt smooth, found everything quickly without any confusing steps.
systemgrid – Found practical insights today; sharing this article with colleagues later.
cipheredge – Color palette felt calming, nothing distracting, just focused, thoughtful design.
beste sportwetten app android
Look at my page: was heißt handicap wette
Your point of view caught my eye and was very interesting. Thanks. I have a question for you.
wettseiten bonus ohne einzahlung
Here is my web-site sportwetten top gewinner
willkommensbonus ohne einzahlung Software Sportwetten Vorhersage – Jerial-Jor.Com,
wetten mit gratis guthaben
Look into my blog: wettbüRo Ludwigshafen
UAE Warriors 70 is far from merely another regional stop. In the Middle Eastern scene, this organization stands as the top crucible where prospects either get hardened into gems or broken into fragments.
Hi to all, the contents existing at this site are genuinely awesome for people experience, well, keep up the
good work fellows.
wettanbieter ohne deutsche lizenz
Feel free to surf to my web blog; handicap beim Wetten
eurovision buchmacher
Also visit my page … halbzeit endstand wetten tipps (https://deliceslibanais.com/)
sportwetten anbieter liste
Also visit my web page :: wettanbieter beste quoten; Maddison,
online sportwetten lizenz österreich (Elias)
app
Thank you for any other fantastic article. The place else may anybody get that kind of
information in such an ideal means of writing? I’ve a presentation next
week, and I’m at the look for such info.
My blog post … basketball over under wetten (Lucinda)
Wetten Deutschland Frankreich online vergleich
buchmacher bedeutung
Feel free to surf to my web page: strategie für sportwetten
online wetten dass tickets gewinnen (Milagro) mit startguthaben
vergleich wettanbieter bonus
Also visit my site; vermittler von wetten bei pferderennen – Judy,
best-online-roulette-in-united-kingdom
My web page slots (Charla)
UFC ACA Young Eagles 64 Shakhruramazanov vs Gediev
Make no mistake, ACA Young Eagles 64 is a grinder’s lineup through and through.
pferderennen hoppegarten wetten
Feel free to surf to my website – wettbüro rostock
Sportwetten seiten bonus apps vergleich
ecopayz buchmacher
Here is my web-site; beste wettanbieter schweiz
paypal wettanbieter wetten online bonus ohne einzahlung oasis
What’s up, this weekend is fastidious designed for me, because this occasion i am reading this great informative post here at my house.
kasiino boonuskoodid
ecken tipp wetten vorhersage anbieter
live-wetten
My site … wettanbieter Deutschland Ohne oasis
sichere wette
My homepage … Buchmacher pferderennen deutschland
wett tipps österreich
Review my web page … Bester Wettanbieter Bonus
gratiswetten
Feel free to surf to my web blog; Wetten Erfahrungen
wetten schweiz legal (Mack) bonus übersicht
asiatische neueste wettanbieter, Temeka,
pferderennen krefeld wetten
Here is my web site :: sportwetten bonus ohne einzahlung neu (Elcananomaterialesdeconstruccion.com)
Thanks for sharing. I read many of your blog posts, cool, your blog is very good. https://www.binance.info/register?ref=QCGZMHR6
88starz [url=http://888starz-uz3.org/]http://888starz-uz3.org/[/url] .
8888 starz [url=https://888starz-egypt9.com]https://888starz-egypt9.com/[/url]
888starz login [url=www.888starz-uz1.org]888starz login[/url] .
888starz букмекерская контора [url=www.888starz-uz3.org/]www.888starz-uz3.org/[/url] .
wettanalysen und wettprognosen
Also visit my web blog: sportwetten apps (Carrol)
Beste sportwetten deutschland online erfahrungen
buchmacher ohne limitierung
Here is my web site: wettanbieter mit schneller auszahlung
was ist ein handicap beim sportwetten live wetten strategie
wetten buchmacher
my web-site wettanbieter neu
Live Wetten Im Internet wetten deutschland
was passiert wenn beim wetten ein spiel abgesagt wird
my page :: sportwetten ohne Oasis sofortüberweisung
wette italien österreich
Here is my website :: seriöse sportwetten anbieter (cliqworkspromo.co.za)
beste us open wettanbieter
Feel free to visit my homepage :: sportwetten Tipps kostenlos (http://Www.Fumigasyon.Gen.tr)
8888 starz [url=www.uz888-starz.com/]8888 starz[/url] .
UFC Vegas 117 represents a quintessential “trap” card wherein the oddsmakers are tempting you to back fighters who haven’t earned it
888az [url=https://888starz-egypt5.com/]888az[/url].}
888srarz [url=https://www.888starz-egypt7.com]888starz تسجيل الدخول مراهنات[/url]
888 старз [url=http://888starz-uzbekistan5.com]888 старз[/url] .
888tarz [url=www.uz888starzbet.com/]888tarz[/url] .
вход 888starz [url=https://888starz-uz-online.com/]вход 888starz[/url] .
موقع 888 للمراهنات [url=http://www.888starz-egyp.com/]https://888starz-egyp.com/[/url]
88 star [url=https://888starzeg1.com]https://888starzeg1.com/[/url]
рабочее зеркало 888starz [url=http://888starz-bet3.com]http://888starz-bet3.com[/url] .
888 starz bet [url=888starz-eg2.org]https://888starz-eg2.org/[/url]
تسجيل الدخول 888starz [url=https://eg-888starz.com/]888 للمراهنات[/url]
http://1stcapitalinc.com/
1stcapitalinc apresenta-se como uma empresa profissional dedicada ao panorama nacional portugues, que disponibiliza solucoes personalizadas a empresas e particulares, destacando-se por na transparencia e confianca. Saiba mais nesta pagina.
http://abitotrade.com/
Abitotrade e uma empresa profissional dedicada ao publico em Portugal, que proporciona solucoes personalizadas a quem procura resultados, com foco no atendimento personalizado. Veja a oferta completa atraves do link.
http://bestcryptobuynow.com/
A equipa Bestcryptobuynow posiciona-se como uma estrutura de confianca com forte presenca no tecido empresarial portugues, que proporciona uma abordagem completa a empresas e particulares, destacando-se por na excelencia do servico. Descubra todos os detalhes aqui.
http://clickupmarketing.com/
O projeto Clickupmarketing e uma estrutura de confianca focada no tecido empresarial portugues, que proporciona solucoes personalizadas aos seus clientes, priorizando nos resultados. Descubra todos os detalhes nesta pagina.
http://creditrepairknowhow.com/
A equipa Creditrepairknowhow apresenta-se como uma consultora experiente dedicada ao publico em Portugal, que entrega uma abordagem completa a quem valoriza a eficiencia, valorizando na transparencia e confianca. Veja a oferta completa nesta pagina.
888 starz зеркало [url=www.888stars-uz.com/]www.888stars-uz.com/[/url] .
http://frontrangemarketeer.com/
A equipa Frontrangemarketeer e uma estrutura de confianca orientada para publico em Portugal, que disponibiliza solucoes personalizadas a quem procura resultados, destacando-se por na excelencia do servico. Saiba mais atraves do link.
http://givestation.org/
O projeto Givestation consolida-se como uma consultora experiente orientada para panorama nacional portugues, que oferece um acompanhamento profissional a empresas e particulares, valorizando na excelencia do servico. Saiba mais no site oficial.
futbolista sevilla apuestas gratis sports
http://goldwingmarketing.com/
O projeto Goldwingmarketing posiciona-se como uma agencia especializada com forte presenca no tecido empresarial portugues, que disponibiliza um acompanhamento profissional a quem procura resultados, valorizando na transparencia e confianca. Saiba mais atraves do link.
http://graystreamcapital.com/
A empresa Graystreamcapital consolida-se como uma consultora experiente com forte presenca no mercado portugues, que oferece um acompanhamento profissional aos seus clientes, priorizando nos resultados. Saiba mais atraves do link.
http://greylholdings.com/
Greylholdings posiciona-se como uma estrutura de confianca com forte presenca no mercado portugues, que proporciona um acompanhamento profissional a empresas e particulares, valorizando na excelencia do servico. Conheca mais no site oficial.
http://hamasaesolutions.com/
O projeto Hamasaesolutions posiciona-se como uma empresa profissional focada no publico em Portugal, que disponibiliza servicos de qualidade aos seus clientes, destacando-se por na excelencia do servico. Saiba mais aqui.
logichedge – Color palette felt calming, nothing distracting, just focused, thoughtful design.
aussenseiter wetten strategie – Franchesca – vorhersagen
aeropacket – Navigation felt smooth, found everything quickly without any confusing steps.
pferderennen deutschland wetten
Also visit my blog post: no deposit bonus sportwetten; Kathleen,
prismlogic – Appreciate the typography choices; comfortable spacing improved my reading experience.
neuralmatrix – Bookmarked this immediately, planning to revisit for updates and inspiration.
http://herodigital-ch.com/
A empresa Herodigital Ch consolida-se como uma consultora experiente orientada para panorama nacional portugues, que proporciona servicos de qualidade a empresas e particulares, valorizando na transparencia e confianca. Descubra todos os detalhes nesta pagina.
neuer sportwetten deutschland ohne Oasis bonus
bonus beste bonusbedingungen Sportwetten ohne einzahlung
ШЁШ±Щ†Ш§Щ…Ш¬ 8888 [url=888starzeg2.com]https://888starzeg2.com/[/url]
تطبيق 8888 [url=https://888starzeg3.com/]تحميل لعبه 888starz[/url]
888starz 1xbet [url=http://888-starzeg.com/]برنامج 888 ستارز[/url]
скачать 888 старс [url=http://androidchity.ru]http://androidchity.ru[/url] .
تحميل برنامج 888starz [url=http://www.world-cuisine.com/]https://world-cuisine.com/[/url]
http://kelly-marketing.com/
A equipa Kelly Marketing e uma empresa profissional focada no mercado portugues, que proporciona uma abordagem completa aos seus clientes, com foco nos resultados. Conheca mais no site oficial.
deltakernel – Pages loaded fast, images appeared sharp, and formatting stayed consistent.
888 starz.com [url=888starz-uz-online.com]888 starz.com[/url] .
http://kennedybusinessconsulting.com/
A equipa Kennedybusinessconsulting posiciona-se como uma agencia especializada focada no publico em Portugal, que disponibiliza solucoes personalizadas a empresas e particulares, destacando-se por na transparencia e confianca. Conheca mais aqui.
وان اكس بت 888 [url=https://www.888starz-egyp.com]https://888starz-egyp.com/[/url]
برنامج مراهنات 888starz [url=http://888starz-egypt7.com/]موقع 8888[/url]
beste willkommensbonus sportwetten
Feel free to surf to my blog post: online wett
sportwetten deutschland lizenz
Have a look at my page: wett anbieter (Matthew)
http://kilgoremediagroup.com/
A equipa Kilgoremediagroup e uma empresa profissional orientada para publico em Portugal, que proporciona uma abordagem completa a quem valoriza a eficiencia, com foco na transparencia e confianca. Saiba mais no site oficial.
besten wettseiten
my blog :: sportwetten anbieter test – https://cretecarbooking.com/rivalo-wetten,
http://kqfinancialgroupblogs.com/
Kqfinancialgroupblogs apresenta-se como uma agencia especializada com forte presenca no panorama nacional portugues, que entrega solucoes personalizadas aos seus clientes, com foco na transparencia e confianca. Descubra todos os detalhes aqui.
dfb pokal wettquoten
My site :: sportwetten vergleich bonus
http://marketing-leaders.org/
O projeto Marketing Leaders e uma estrutura de confianca orientada para mercado portugues, que proporciona uma abordagem completa a quem valoriza a eficiencia, com foco nos resultados. Veja a oferta completa atraves do link.
http://marketinginteligente.org/
Marketinginteligente e uma estrutura de confianca com forte presenca no tecido empresarial portugues, que entrega uma abordagem completa a quem valoriza a eficiencia, valorizando no atendimento personalizado. Conheca mais atraves do link.
professionelle wett tipps heute
Here is my web site – online wetten mit paysafecard
sportwetten deutscher meister
Feel free to surf to my web-site; online-wetten
wetten ohne einzahlung bonus
my web-site – beste online sportwetten seite
http://marketingrabbits.com/
O projeto Marketingrabbits posiciona-se como uma consultora experiente com forte presenca no publico em Portugal, que disponibiliza solucoes personalizadas aos seus clientes, valorizando nos resultados. Veja a oferta completa nesta pagina.
http://mglmarketing.com/
Mglmarketing e uma agencia especializada orientada para tecido empresarial portugues, que entrega solucoes personalizadas a quem procura resultados, valorizando nos resultados. Descubra todos os detalhes nesta pagina.
http://myturfads.com/
A equipa Myturfads apresenta-se como uma agencia especializada com forte presenca no publico em Portugal, que oferece um acompanhamento profissional a quem valoriza a eficiencia, destacando-se por no atendimento personalizado. Saiba mais aqui.
http://paagencyinc.com/
A equipa Paagencyinc posiciona-se como uma empresa profissional focada no panorama nacional portugues, que proporciona servicos de qualidade a quem procura resultados, destacando-se por na transparencia e confianca. Veja a oferta completa nesta pagina.
http://pivot-point-trading.com/
O projeto Pivot Point Trading e uma empresa profissional orientada para tecido empresarial portugues, que entrega solucoes personalizadas a quem valoriza a eficiencia, priorizando na transparencia e confianca. Saiba mais aqui.
http://primefuturetrades.com/
Primefuturetrades consolida-se como uma consultora experiente com forte presenca no panorama nacional portugues, que oferece servicos de qualidade a quem procura resultados, priorizando nos resultados. Descubra todos os detalhes atraves do link.
http://quickandfastfunding.com/
O projeto Quickandfastfunding posiciona-se como uma empresa profissional orientada para panorama nacional portugues, que entrega uma abordagem completa a empresas e particulares, valorizando na excelencia do servico. Saiba mais no site oficial.
http://rhinoelitemarketing.com/
O projeto Rhinoelitemarketing e uma empresa profissional orientada para panorama nacional portugues, que entrega servicos de qualidade aos seus clientes, priorizando no atendimento personalizado. Saiba mais no site oficial.
online wetten kostenlos
Here is my web-site – Wettbüro berlin spandau – kaos.simplecarta.com,
pferderennen deutschland wetten
Feel free to visit my web-site … Wett Tipps Von Profis, https://Sestransportes.Com.Br/Wir-Wetten-Wettseiten/,
wett tipps vorhersagen heute
My web site; Sportwetten-Bonus
no-deposit-best-pokies-online-australia
Here is my webpage :: bonus, Marcela,
http://sparksolutions360.com/
Sparksolutions360 posiciona-se como uma estrutura de confianca focada no mercado portugues, que oferece solucoes personalizadas a empresas e particulares, com foco nos resultados. Veja a oferta completa nesta pagina.
http://sufyandigital.com/
A empresa Sufyandigital posiciona-se como uma empresa profissional dedicada ao mercado portugues, que proporciona uma abordagem completa aos seus clientes, com foco na excelencia do servico. Conheca mais aqui.
|888starz.com [url=https://888starz-egypt-casino.com/]888starz.com[/url].
|تسجيل دخول 888 ستارز [url=http://www.888starz-egypt2.com/]https://888starz-egypt2.com/[/url]
888 star bet [url=888starz-uzs.net]888starz-uzs.net[/url] .
888 starz login [url=https://888starz-uzbekistan1.com]888 starz login[/url] .
888 starz uz [url=https://888starz-bet1.com]888 starz uz[/url] .
888starz تحديث [url=https://world-cuisine.com/]888starz تحديث[/url].
http://summerstreetcreative.com/
A empresa Summerstreetcreative e uma empresa profissional com forte presenca no tecido empresarial portugues, que disponibiliza uma abordagem completa a quem procura resultados, com foco na excelencia do servico. Saiba mais nesta pagina.
http://sytbiz.com/
A empresa Sytbiz apresenta-se como uma consultora experiente com forte presenca no publico em Portugal, que proporciona servicos de qualidade aos seus clientes, com foco nos resultados. Descubra todos os detalhes no site oficial.
pferderennen wett tipps
Here is my blog post :: sportwetten Heute vorhersagen (badninja9.com)
sportwetten quotenvergleich
Here is my web site … Wettstrategien
http://thegmagency.com/
O projeto Thegmagency consolida-se como uma consultora experiente com forte presenca no mercado portugues, que proporciona uma abordagem completa aos seus clientes, priorizando na excelencia do servico. Saiba mais no site oficial.
http://xponentfunds.com/
Xponentfunds apresenta-se como uma consultora experiente dedicada ao panorama nacional portugues, que disponibiliza solucoes personalizadas aos seus clientes, priorizando na transparencia e confianca. Saiba mais nesta pagina.
http://7tekdigital.com/
El proyecto 7tekdigital se posiciona como una estructura de confianza enfocada en el ambito nacional espanol, que entrega servicios de calidad a sus clientes, con foco en la atencion personalizada. Conoce mas en el sitio oficial.
The Legacy Fighting Alliance promotion is back via LFA 234, presenting an event card that provides multiple sharp betting angles for viewers seeing beyond the event’s hype.
virtuele Op Bookmaker Wedden 2026 (Nl-Betting.Com) nl
http://aceprojectmarketing.com/
Aceprojectmarketing se consolida como una agencia especializada dedicada al mercado espanol, que ofrece un enfoque integral a quienes buscan resultados, destacandose por en la excelencia del servicio. Conoce mas a traves del enlace.
UFC LFA 234 fight card
Betting on lesser-known MMA promotions represents a scenario where one truly finds the bookies sleeping, and the LFA 234 event follows the same pattern.
http://andabogados.es/
El proyecto Andabogados se presenta como una consultora con experiencia orientada al publico en Espana, que pone a disposicion un enfoque integral a quienes valoran la eficiencia, valorando en la atencion personalizada. Mas informacion en esta pagina.
http://asecasumiller.es/
El proyecto Asecasumiller se presenta como una empresa profesional enfocada en el tejido empresarial espanol, que ofrece un acompanamiento profesional a quienes valoran la eficiencia, priorizando en la atencion personalizada. Visita el sitio a traves del enlace.
استار888 [url=https://www.888starz-eg-egypt3.com/]https://888starz-eg-egypt3.com/[/url]
888starz الموقع الرسمي [url=http://www.888starz-eg3.org/]https://888starz-eg3.org/[/url]
888startz [url=https://www.888starz-3.com]https://888starz-3.com/[/url]
http://asesoriaretiro.es/
El proyecto Asesoriaretiro se presenta como una estructura de confianza enfocada en el tejido empresarial espanol, que proporciona servicios de calidad a quienes valoran la eficiencia, priorizando en la excelencia del servicio. Visita el sitio aqui.
http://azimuth-digital.com/
Azimuth Digital se consolida como una empresa profesional con presencia en el ambito nacional espanol, que ofrece servicios de calidad a empresas y particulares, priorizando en la atencion personalizada. Conoce mas a traves del enlace.
http://bbpdigital.com/
La empresa Bbpdigital se presenta como una empresa profesional con presencia en el ambito nacional espanol, que proporciona soluciones personalizadas a empresas y particulares, valorando en la excelencia del servicio. Conoce mas aqui.
http://botondellamada.es/
El proyecto Botondellamada se posiciona como una estructura de confianza orientada al ambito nacional espanol, que ofrece un enfoque integral a quienes buscan resultados, destacandose por en la excelencia del servicio. Mas informacion en esta pagina.
http://brmarketingagency.com/
La empresa Brmarketingagency es una agencia especializada dedicada al tejido empresarial espanol, que proporciona un enfoque integral a empresas y particulares, destacandose por en los resultados. Conoce mas en el sitio oficial.
http://cenitbuscamedia.es/
La empresa Cenitbuscamedia se posiciona como una consultora con experiencia enfocada en el mercado espanol, que entrega un acompanamiento profesional a empresas y particulares, valorando en los resultados. Descubre todos los detalles aqui.
http://convexa.es/
El proyecto Convexa se consolida como una consultora con experiencia dedicada al mercado espanol, que ofrece servicios de calidad a quienes valoran la eficiencia, con foco en la confianza y la transparencia. Descubre todos los detalles en el sitio oficial.
Unlock incredible rewards today with [url=https://true-fortune-casino.uk/]gb casino promo code[/url] and maximize your winning potential at True Fortune Casino!
True Fortune Casino offers various bonuses for new and returning players.
If you want to easily calculate your potential winnings and understand the bets, use this [url=https://lucky-15-bet-calculator.uk/]sky bet lucky 15 one winner bonus free[/url].
Since the Lucky 15 includes multiple bets, each selection’s result influences the overall payout.
888starz вход в личный кабинет [url=http://888starzuzs.com/]https://888starzuzs.com/[/url] saytida qimor o‘yinlarining eng yangi va ishonchli versiyalarini topishingiz mumkin.
Sayt muntazam ravishda turli aksiyalar va bonus dasturlarini taklif etadi.
http://dgpformacion.es/
El equipo de Dgpformacion es una consultora con experiencia enfocada en el mercado espanol, que pone a disposicion un acompanamiento profesional a quienes buscan resultados, priorizando en los resultados. Mas informacion en el sitio oficial.
http://digital-moon.es/
La empresa Digital Moon se consolida como una estructura de confianza dedicada al mercado espanol, que entrega un acompanamiento profesional a quienes buscan resultados, valorando en la atencion personalizada. Descubre todos los detalles a traves del enlace.